实亿国际

实亿国际

国家高新企业

cn

新闻中心

开关MOS寄生二极管的多种妙用详细解析-KIA MOS管

实亿国际信息来源:本站 日期:2020-07-07 

分享到:

开关MOS寄生二极管的多种妙用详细解析

寄生二极管作用

当电路中产生很大的瞬间反向电流时,可以通过这个二极管导出来,不至于击穿这个MOS管。(起到保护MOS管的作用)


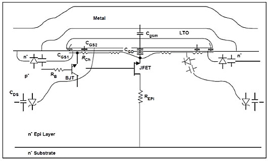
沟槽Trench型N沟道增强型功率MOSFET的结构如下图所示,在N-epi外延层上扩散形成P基区,然后通过刻蚀技术形成深度超过P基区的沟槽,在沟槽壁上热氧化生成栅氧化层,再用多晶硅填充沟槽,利用自对准工艺形成N+源区,背面的N+substrate为漏区,在栅极加上一定正电压后,沟槽壁侧的P基区反型,形成垂直沟道。


由下图中的结构可以看到,P基区和N-epi形成了一个PN结,即MOSFET的寄生体二极管。

MOSFET,寄生二极管


MOSFET剖面结构

MOSFET,寄生二极管


体二极管主要参数

MOSFET,寄生二极管


二极管特性测试电路

MOSFET,寄生二极管


二极管恢复曲线

MOSFET,寄生二极管


MOSFET体二极管反向恢复过程波形

MOSFET,寄生二极管

MOSFET,寄生二极管


MOSFET体二极管应用场合

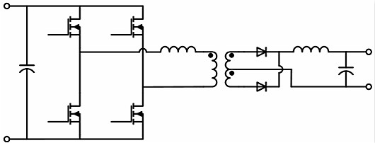
1、全桥逆变电路

MOSFET,寄生二极管


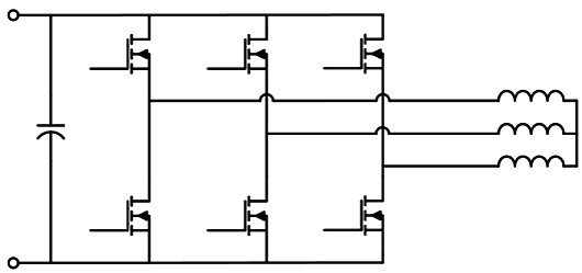
2、三相桥电路

MOSFET,寄生二极管


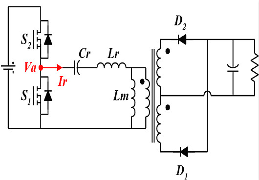
3、LLC半桥谐振电路ZVS

MOSFET,寄生二极管


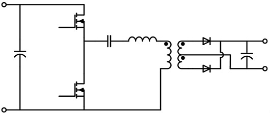
4、移相全桥PSFB ZVS

MOSFET,寄生二极管


5、HID照明(ZVS)

MOSFET,寄生二极管


MOSFET体二极管应用分析

1、MOSFET体二极管反向恢复

MOSFET,寄生二极管


2、LLC半桥谐振变换器

MOSFET,寄生二极管


3、LLC电压增益

MOSFET,寄生二极管


4、LLC变换器 ZVS状态下模态切换

MOSFET,寄生二极管

MOSFET,寄生二极管


LLC变换器工作波形

MOSFET,寄生二极管

LLC启动过程 - 二极管反向恢复

MOSFET,寄生二极管


HID照明电源(带载切换成开路)

MOSFET,寄生二极管

MOSFET,寄生二极管


联系方式:邹先生

联系电话:0755-83888366-8022

手机:18123972950

QQ:2880195519

联系地址:深圳市福田区车公庙天安数码城天吉大厦CD座5C1


请搜微信公众号:“KIA半导体”或扫一扫下图“关注”官方微信公众号

请“关注”官方微信公众号:提供 MOS管 技术帮助