实亿国际

实亿国际

国家高新企业

cn

新闻中心

实亿国际MOS管知识解析-mos管结构图、特性与作用-KIA MOS管

信息来源:本站 日期:2020-07-01 

分享到:

MOS管知识解析-mos管结构图、特性与作用

mos管结构图

本文解析mos管结构图。我们先来看看MOS管是什么,mos管是金属(metal)、氧化物(oxide)、半导体(semiconductor)场效应晶体管,或者称是金属—绝缘体(insulator)、半导体。MOS管的source和drain是可以对调的,他们都是在P型backgate中形成的N型区。在多数情况下,这个两个区是一样的,即使两端对调也不会影响器件的性能。这样的器件被认为是对称的。

mos管结构图


MOS管分为:增强型(又有N沟道、P沟道之分)及耗尽型(分有N沟道、P沟道)。N沟道增强型MOSFET的结构示意图和符号见上图。

电极 D(Drain) 称为漏极,相当双极型三极管的集电极;

电极 G(Gate) 称为栅极,相当于的基极;

电极 S(Source)称为源极,相当于发射极。


mos管结构图-N沟道增强型MOS管结构

N沟道增强型MOS管结构图,在一块掺杂浓度较低的P型硅衬底上,制作两个高掺杂浓度的N+区,并用金属铝引出两个电极,分别作漏极d和源极s。然后在半导体表面覆盖一层很薄的二氧化硅(SiO2)绝缘层,在漏——源极间的绝缘层上再装上一个铝电极,作为栅极g。衬底上也引出一个电极B,这就构成了一个N沟道增强型MOS管。MOS管的源极和衬底通常是接在一起的(大多数管子在出厂前已连接好)。它的栅极与其它电极间是绝缘的。


图(a)、(b)分别是它的结构示意图和代表符号。代表符号中的箭头方向表示由P(衬底)指向N(沟道)。P沟道增强型MOS管的箭头方向与上述相反,如图(c)所示。

mos管结构图


N沟道增强型MOS场效应管的工作原理

(1)vGS对iD及沟道的控制作用


① vGS=0 的情况

从图1(a)可以看出,增强型MOS管的漏极d和源极s之间有两个背靠背的PN结。当栅——源电压vGS=0时,即使加上漏——源电压vDS,而且不论vDS的极性如何,总有一个PN结处于反偏状态,漏——源极间没有导电沟道,所以这时漏极电流iD≈0。


② vGS>0 的情况

若vGS>0,则栅极和衬底之间的SiO2绝缘层中便产生一个电场。电场方向垂直于半导体表面的由栅极指向衬底的电场。这个电场能排斥空穴而吸引电子。


排斥空穴:使栅极附近的P型衬底中的空穴被排斥,剩下不能移动的受主离子(负离子),形成耗尽层。吸引电子:将 P型衬底中的电子(少子)被吸引到衬底表面。


(2)导电沟道的形成:

当vGS数值较小,吸引电子的能力不强时,漏——源极之间仍无导电沟道出现,如图1(b)所示。vGS增加时,吸引到P衬底表面层的电子就增多,当vGS达到某一数值时,这些电子在栅极附近的P衬底表面便形成一个N型薄层,且与两个N+区相连通,在漏——源极间形成N型导电沟道,其导电类型与P衬底相反,故又称为反型层,如图1(c)所示。vGS越大,作用于半导体表面的电场就越强,吸引到P衬底表面的电子就越多,导电沟道越厚,沟道电阻越小。


开始形成沟道时的栅——源极电压称为开启电压,用VT表示。上面讨论的N沟道MOS管在vGS<VT时,不能形成导电沟道,管子处于截止状态。只有当vGS≥VT时,才有沟道形成。这种必须在vGS≥VT时才能形成导电沟道的MOS管称为增强型MOS管。沟道形成以后,在漏——源极间加上正向电压vDS,就有漏极电流产生。


vDS对iD的影响

mos管结构图


如图(a)所示,当vGS>VT且为一确定值时,漏——源电压vDS对导电沟道及电流iD的影响与结型场效应管相似。


漏极电流iD沿沟道产生的电压降使沟道内各点与栅极间的电压不再相等,靠近源极一端的电压最大,这里沟道最厚,而漏极一端电压最小,其值为VGD=vGS-vDS,因而这里沟道最薄。但当vDS较小(vDS)。


随着vDS的增大,靠近漏极的沟道越来越薄,当vDS增加到使VGD=vGS-vDS=VT(或vDS=vGS-VT)时,沟道在漏极一端出现预夹断,如图2(b)所示。再继续增大vDS,夹断点将向源极方向移动,如图2(c)所示。由于vDS的增加部分几乎全部降落在夹断区,故iD几乎不随vDS增大而增加,管子进入饱和区,iD几乎仅由vGS决定。


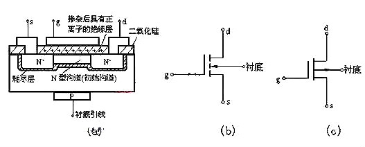
mos管结构图-N沟道耗尽型MOS管基本结构

N沟道耗尽型MOS管结构图如下:

mos管结构图


(1)mos管结构图:

N沟道耗尽型MOS管与N沟道增强型MOS管基本相似。


(2)区别:

耗尽型MOS管在vGS=0时,漏——源极间已有导电沟道产生,而增强型MOS管要在vGS≥VT时才出现导电沟道。


(3)原因:

制造N沟道耗尽型MOS管时,在SiO2绝缘层中掺入了大量的碱金属正离子Na+或K+(制造P沟道耗尽型MOS管时掺入负离子),如图1(a)所示,因此即使vGS=0时,在这些正离子产生的电场作用下,漏——源极间的P型衬底表面也能感应生成N沟道(称为初始沟道),只要加上正向电压vDS,就有电流iD。


如果加上正的vGS,栅极与N沟道间的电场将在沟道中吸引来更多的电子,沟道加宽,沟道电阻变小,iD增大。反之vGS为负时,沟道中感应的电子减少,沟道变窄,沟道电阻变大,iD减小。当vGS负向增加到某一数值时,导电沟道消失,iD趋于零,管子截止,故称为耗尽型。沟道消失时的栅-源电压称为夹断电压,仍用VP表示。与N沟道结型场效应管相同,N沟道耗尽型MOS管的夹断电压VP也为负值,但是,前者只能在vGS<0的情况下工作。而后者在vGS=0,vGS>0。


P沟道耗尽型MOSFET

P沟道MOSFET的工作原理与N沟道MOSFET完全相同,只不过导电的载流子不同,供电电压极性不同而已。这如同双极型三极管有NPN型和PNP型一样。


MOS管特性

mos管结构图讲完,来看看MOS管特性。上述MOS管的工作原理中可以看出,MOS管的栅极G和源极S之间是绝缘的,由于SiO2绝缘层的存在,在栅极G和源极S之间等效是一个电容存在,电压VGS产生电场从而导致源极-漏极电流的产生。此时的栅极电压VGS决定了漏极电流的大小,控制栅极电压VGS的大小就可以控制漏极电流ID的大小。这就可以得出如下结论:


1) mos管是一个由改变电压来控制电流的器件,所以是电压器件。

2) mos管道输入特性为容性特性,所以输入阻抗极高。


mos管作用

1.可应用于放大。由于场效应管放大器的输入阻抗很高,因此耦合电容可以容量较小,不必使用电解电容器。

2.很高的输入阻抗非常适合作阻抗变换。常用于多级放大器的输入级作阻抗变换。

3.可以用作可变电阻。

4.可以方便地用作恒流源。

5.可以用作电子开关。

6.在电路设计上的灵活性大。栅偏压可正可负可零,三极管只能在正向偏置下工作,电子管只能在负偏压下工作。另外输入阻抗高,可以减轻信号源负载,易于跟前级匹配。


联系方式:邹先生

联系电话:0755-83888366-8022

手机:18123972950

QQ:2880195519

联系地址:深圳市福田区车公庙天安数码城天吉大厦CD座5C1


请搜微信公众号:“KIA半导体”或扫一扫下图“关注”官方微信公众号

请“关注”官方微信公众号:提供 MOS管 技术帮助







3000万彩票-追求健康,你我一起成长 乐发IV - welcome u284彩票- 欢迎您 实亿国际(中国区)官方网站 永兴集团yx06 5630彩票(中国区)官方网站 佰利乐·(中国区)有限公司官网 金彩汇 - welcome首页