实亿国际12v升220v升压电路图大全详解-升压电路的制作与电路图-KIA MOS管
信息来源:本站 日期:2019-08-05
升压电路,是利用自举升压二极管,自举升压电容等电子元件,使电容放电电压和电源电压叠加,从而使电压升高,有的电路升高的电压能达到数倍电源电压。
这个电路采用UC3843制作的升压电路,电压输入为12V升压电压从22V到190V之间可以调整。这个电路适合做火箭或烟花的点火装置。制作这个电路风险自负。
制作好的电路板

电路原理图

PCB图
直流升压电路都是利用电感电流不能突变特性来工作,3V=》5V这样的电路通常都用BOOST升压结构电路。如下图:
1、在电路中,Q开通后3V电压经过电感L 到三极管Q 形成电流回路。这个时候电能在电感里面转换为磁能,形成能量储存回路,时间长短决定能量转换多少,前提是电感别饱和就好。
2、当三极管Q关闭后,原有电流回路断开。电感由于电流不能突变,所以L上面的电流通路只能通过二极管流动,这个时候因为电感没有充电回路了,所以电流只能从磁能转变过来。这个时候电感的自站在3V的基础上面通过D到电容C,再到地形成能量释放回路。
3、能量释放过程中,电容被充电,充电多少由电感储存的能量决定。而电感储存的能量又是由三极管Q开通时间决定,所以检测控制电路IC内部做个电压比较,如果电容电压没有充到5V,下次开通时间就长些,如果电压接近5V,下次开通时间短些,以此来调整输出电压。
所以,整个电路原理都是利用电感电流特性完成。
另外,还有一种电容式升压电路,那个就是靠自举电路完成,利用的是电容电荷量转移。
就像是用一个小水桶装水,然后提起来倒进第大桶,大桶对外放水,大桶里水位高低就看小桶倒的快慢。这种电路工作电流都比较小的场合使用,开关速度要非常高。
升压器12v升220v电路其实就是一个震荡电路,就是把直流电变成交流电,然后通过变压器升压变成220V,然后在输出端接上用电器即可。
12v转220v逆变器由逆变电路、逻辑控制电路、滤波电路三大部分组成,主要包括输入接口、电压启动回路、MOS开关管、PWM控制器、直流变换回路、反馈回路、LC振荡及输出回路、负载等部分。
控制电路控制整个系统的运行,逆变电路完成由直流电转换为交流电的功能,滤波电路用于滤除不需要的信号,逆变器的工作过程就是这样子的了。其中逆变电路的工作还可以细化为:首先,振荡电路将直流电转换为交流电;其次,线圈升压将不规则交流电变为方波交流电;最后,整流使得交流电经由方波变为正弦波交流电。
原理图如下图所示,采用了功率较大的三极管2N3055,而电阻只用了两个,且最好电阻的功率选大一点,这样电路的输出功率也会相应地增加,上图中用的是1W的400欧姆电阻,如果没有1W的也没关系,现在用到的最多的是1/4W的电阻,只要选择四个电阻并联大约是400Ω就可以了。
如下图,我们也可以清楚看到需的元件还有各个元件之间的连接情况,在电路功能上,除了变压器T1用来升压,电源V1用来供电之外,剩下的原件就是产生矩形波的电路。在电阻选择上R1和R2一般在1.2k-4.7k之间,三极管无特别要求根据变压器的容量选择,容量大就用功率大点的;变压器可用普通控制变压器,只要有两组12V就行,我们这个原理图中选择器件为变压器0v-12V-12V,三极管用的达林顿管MJ11032,电阻4.7k,输出功率能够达到百瓦左右,也不算小了,不过变压器的功率要选大点了,否则输出功率没有那么大。
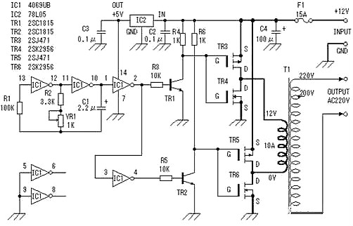
此逆变器主要由MOS场效应管,普通电源变压器构成。其输出功率取决于MOS场效应管和电源变压器的功率。
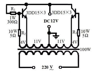
电路图中:25T 310T 20T 250T是变压器线圈的绕组匝数,VT1是大功率三极管,可使用电视机电源管,R1的电阻是15-50Ω/5w,R4的电阻470Ω3W
变压器可选用一个100W机床控制变压器,将变压器铁芯拆开,再将次级线圈拆下来,并记录匝数,以便于计算每伏圈数。然后用φ1.35mm的漆包线重新绕次级线圈,先绕一个22V的主线圈,在中间抽头,再用φ0.47的漆包线绕两个4V的反馈线圈,线圈的层间用较厚的牛皮纸绝缘。线圈绕好后插上铁芯,将两个4V次级分别和主线圈连在一起,注意头尾的别接反了。可通电测电压,如果4V线圈和主线圈连接后电压增加说明连接正确,反之就是错的,可换一下接头就可以了。
与4V线圈串联的两个电阻R2、R3可用电阻丝制作,可根据输出功率大小选择电阻的大小,一般为几欧姆,输出功率大时,电阻越小,偏流电阻用1W300Ω的电阻,不接这个电阻也能工作,但由于管子的参数不一致有时不起振,最好接一个。
三极管的选择:每边用三只3DD15并联,共用六只管子,电路连接好后检查无错误,就可以通电调整了,接上蓄电池,找一个100W的白炽灯做负载,打开开关,灯泡应该能正常发光,如果不能正常发光,可减小基极的电阻,直到能正常发光为止,再接上彩电看能否正常启动,不能正常启动也是减小基极的电阻,调整完毕后就可以正常使用了。
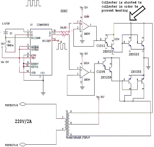
此直流12V转220V交流逆变器电路可以转换为12V直流转220伏交流。CD4047是用来产生方波。 基本公式为P =VI输入输出之间的变压器,输入功率=输出功率 因此,变压器12V到220伏,但输入绕组必须能够承受20A。
联系方式:邹先生
联系电话:0755-83888366-8022
手机:18123972950
QQ:2880195519
联系地址:深圳市福田区车公庙天安数码城天吉大厦CD座5C1
请搜微信公众号:“KIA半导体”或扫一扫下图“关注”官方微信公众号
请“关注”官方微信公众号:提供 MOS管 技术帮助