实亿国际

实亿国际

国家高新企业

cn

新闻中心

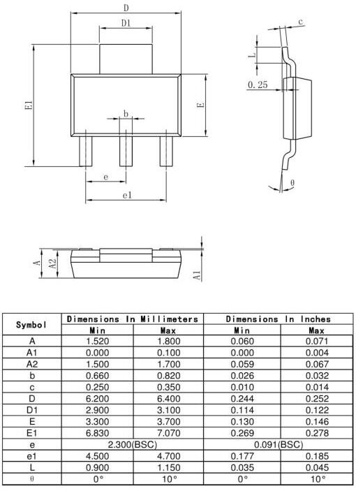
SOT-223封装尺寸外观图-三端稳压管选型表大全及引脚识别好坏判断-KIA MOS管

信息来源:本站 日期:2019-04-01 

分享到:

SOT-223封装,三端稳压管

SOT-223封装尺寸及实物图

SOT-223封装,三端稳压管


SOT-223封装,三端稳压管


SOT-223封装的三端稳压管型号表

KIA半导体SOT-223封装的三端稳压管型号表


Part Number

Maximum Ratings

VoutV

Package

VINV

IOUTmA

Min

Typ

Max

KIA1117-ADJ

12

1000

-1.25

SOT223

KIA1117-1.8

12

1000

1.764

1.8

1.836

SOT223

KIA1117-2.5

12

1000

2.45

2.5

2.55

SOT223

KIA1117-3.3

12

1000

3.234

3.3

3.366

SOT223

KIA1117-5.0

12

1000

4.9

5

5.1

SOT223



SOT-223封装 三端稳压管封装流程图


SOT-223封装,三端稳压管


三端稳压管的引脚识别与好坏判断方法

(1)引脚识别

三端稳压器的封装有金属封装和塑料封装两种,外形如同一只大功率晶体管,引脚的排列如图9-30所示。不同系列的稳压器,其各脚的作用不同。其中最常用的W78××系列稳压器,为输入端(I),为输出端(O),为公共端(COM);W79××系列则是为公共端,为输出端,为输入端;常用的可调三端稳压器LM317T,外形如W78××,其为可调端,为输入端,为输出端。端输出电压值由端电压变化调节。


SOT-223封装,三端稳压管


(2)性能鉴别

对78××和79××系列三端稳压器,鉴别其好坏可使用万用表 R × 100挡,分别检测其输入端与输出端的正、反向电阻值。正常时,阻值相差在数千欧以上;若阻值相差很小或近似为零,说明其已损坏。表9-14、表9-15为最常用的78××和79××21种三端稳压器的实测各引脚非在路电阻值,供检测时参考。


表9-14 78××三端稳压器各引脚非在路电阻值(kΩ )


SOT-223封装,三端稳压管


表9-15 79××三端稳压器各引脚非在路电阻值(kΩ )


SOT-223封装,三端稳压管


三端稳压管使用注意事项

(1)分清3个引出脚

三端集成稳压器的输入、输出和接地端装错时很容易损坏,需特别注意。在安装时一定要焊接良好,否则会导致输出电压的波动,易损坏输出端上的其他电路,也可能损坏集成稳压器本身。在拆装集成稳压器时要先断开电源。输出电压大于6V的三端集成稳压器的输入、输出端最好接一保护二极管,可防止输入电压突然降低时,输出电容对输出端放电引起三端集成稳压器的损坏。


(2)正确选择输入电压范围

三端集成稳压器内部的二极管、三极管均有一定的耐压值,因此整流器输出电压的最大值不能大于集成稳压器的最大允许输入电压值。7805(7905)~7818(7918)的最大输入电压为35V,7824(7924)的最大输入电压为 40V。由于三端集成稳压器有一个使用最小压差(约为2V)的限制,一般应使其保持在6V左右。


(3)保证散热良好

对于用三端集成稳压器组成的大功率稳压电源,应在三端集成稳压器上安装足够大的散热器。当散热器的面积不够大,而内部调整管的结温达到保护动作点附近时,集成稳压器的稳压性能将变差。


(4)并联运用

如果需要较大的稳压电流输出,而单只集成稳压器的输出电流又不够时,可采用同型号稳压器并联输出的方法。这时的最大输出电流为nIomax。式中n 为并联稳压器的个数,Iomax为单个稳压器的最大输出电流。稳压器并联运行时需注意两点:一是并联使用的集成稳压电路应采用同一厂家、同一型号(包括后缀)的产品,以保证集成稳压器参数的一致性;二是最好在输出总电流上留有20%的余量,这样可以避免因个别集成稳压器失效而造成其他集成稳压器的连锁烧毁。


联系方式:邹先生

联系电话:0755-83888366-8022

手机:18123972950

QQ:2880195519

联系地址:深圳市福田区车公庙天安数码城天吉大厦CD座5C1


请搜微信公众号:“KIA半导体”或扫一扫下图“关注”官方微信公众号

请“关注”官方微信公众号:提供 MOS管 技术帮助