实亿国际

实亿国际

国家高新企业

cn

新闻中心

实亿国际贴片三端稳压管型号手册表与贴片三端稳压管封装尺寸图 原厂正品-KIA MOS管

信息来源:本站 日期:2019-02-28 

分享到:

贴片三端稳压管

什么是三端稳压管

三端稳压管是一种直到临界反向击穿电压前都具有很高电阻的半导体器件。稳压管在反向击穿时,在一定的电流范围内(或者说在一定功率损耗范围内),端电压几乎不变,表现出稳压特性,因而广泛应用于稳压电源与限幅电路之中。


三端稳压管工作原理

因为固定三端稳压器属于串联型稳压电路,因此它的原理等同于串联型稳压电路。

其中R1、Rp、R2组成的分压器是取样电路,从输出端取出部分电压UB2作为取样电压加至三极管T2的基极。稳压管Dz以其稳定电压Uz作为基准电压,加在T2的发射极上。R3是稳压管的限流电阻。三极管T2组成比较放大电路,它将取样电压UB2与基准电压Uz加以


比较和放大,再去控制三极管T1的基极电位。输入电压Ui加在三极管T1与负载RL相串联的电路上,因此,改变T1集电极间的电压降UCE1便可调节RL两端的电压Uo。也就是说,稳压电路的输出电压Uo可以通过三极管T1加以调节,所以T1称为调整管。由于调整元件是晶体管管,而且在电路中与负载相串联,故称为晶体管串联型稳压电路。电阻R4和T1的基极偏置电阻,也是T2的集电极负载电阻。


当电网电压降低或负载电阻减小而使输出端电压有所下降时,其取样电压UB2相应减小,T2基极电位下降。但因T2发射极电位既稳压管的稳定Uz保持不变,所以发射极电压UBE2减小,导致T2集电极电流减小而集电极电位Uc2升高。由于放大管T2的集电极与调整管T1的基极接在一起,故T1基极电位升高,导致集电极电流增大而管压降UCE1减小。因为T1与RL串联,所以,输出电压Uo基本不变。


同理,当电网电压或负载发生变化引起输出电压Uo增大时,通过取样、比较放大、调整等过程,将使调整调整管的管压降UCE1增加,结果抑制了输出端电压的增大,输出电压仍基本保持不变。

调节电位器Rp,可对输出电压进行微调。调整管T1与负载电阻RL组成的是射极输出电路,所以具有稳定输出电压的特点。


在串联型稳压电源电路的工作过程中,要求调整管始终处在放大状态。通过调整管的电流等于负载电流,因此必须选用适当的大功率管作调整管,并按规定安装散热装置。为了防止短路或长期过载烧坏调整管,在直流稳压器中一般还设有短路保护和过载保护等电路。

贴片三端稳压管


贴片三端稳压管封装详情

贴片三端稳压管封装尺寸及外观如下:

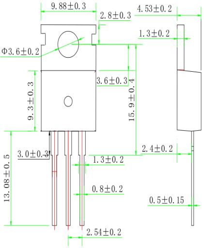
(一)贴片TO-220封装尺寸

贴片三端稳压管


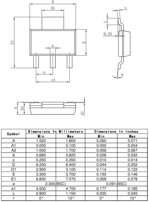
(二)贴片SOT-89封装尺寸

贴片三端稳压管


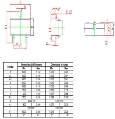
(三)贴片SOT23封装尺寸

贴片三端稳压管


(四)贴片SOT223封装尺寸

贴片三端稳压管


贴片三端稳压管参数型号大全

(一)SOT-89


Part Number

Maximum Ratings

VoutV

Package

VINV

IOUTmA

Min

Typ

Max

KIA78L05

30

100

4.8

5

5.2

SOT-89

KIA78L05FS

30

200

4.82

5

5.17

SOT-89

KIA78L06

30

100

5.76

6

6.24

SOT-89

KIA78L08

30

100

7.68

8

8.32

SOT-89

KIA78L09

30

100

8.64

9

9.36

SOT-89

KIA78L10

30

100

9.6

10

10.4

SOT-89

KIA78L12

30

100

11.52

12

12.48

SOT-89

KIA78L15

30

100

14.4

15

15.6

SOT-89

KIA78L18

30

100

17.28

18

18.72

SOT-89

KIA78L24

40

100

23.04

24

24.96

SOT-89

KIA79L05

-35

100

-4.8

-5

-5.2

SOT-89

KIA79L06

-35

100

-5.76

-6

-6.24

SOT-89

KIA79L08

-35

100

-7.68

-8

-8.32

SOT-89

KAI79L09

-35

100

-8.64

-9

-9.36

SOT-89

KIA79L10

-35

100

-9.6

-10

-10.4

SOT-89

KIA79L12

-35

100

-11.52

-12

-12.48

SOT-89

KIA79L15

-35

100

-14.4

-15

-15.6

SOT-89

KIA79L18

-35

100

-17.28

-18

-18.72

SOT-89

KAI79L24

-40

100

-23.04

-24

-24.96

SOT-89

KIA133

12

500

3.27

3.3

3.33

SOT-89

KIA431

36

750

2.487

2.5

2.513

SOT-89



(二)SOT223


Part Number

Maximum Ratings

VoutV

Package

VINV

IOUTmA

Min

Typ

Max

KIA1117-ADJ

12

1000

-1.25

SOT223

KIA1117-1.8

12

1000

1.764

1.8

1.836

SOT223

KIA1117-2.5

12

1000

2.45

2.5

2.55

SOT223

KIA1117-3.3

12

1000

3.234

3.3

3.366

SOT223

KIA1117-5.0

12

1000

4.9

5

5.1

SOT223


(三)TO-220


Part Number

Maximum Ratings

VoutV

Package

VINV

IOUTmA

Min

Typ

Max

KIA7805

30

1.5

4.8

5

5.2

TO-220



(四)SOT23


Part Number

Maximum Ratings

VoutV

Package

VINV

IOUTmA

Min

Typ

Max

KIA431

36

350

2.487

2.5

2.513

SOT23




联系方式:邹先生

联系电话:0755-83888366-8022

手机:18123972950

QQ:2880195519

联系地址:深圳市福田区车公庙天安数码城天吉大厦CD座5C1


请搜微信公众号:“KIA半导体”或扫一扫下图“关注”官方微信公众号

请“关注”官方微信公众号:提供 MOS管 技术帮助