KCX017N10N场效应管漏源击穿电压100V,漏极电流259A ,采用先进的MOS技术制造,...KCX017N10N场效应管漏源击穿电压100V,漏极电流259A ,采用先进的MOS技术制造,极低导通电阻RDS(开启) 2mΩ,卓越的QgxRDS(on)产品(FOM),减少开关损耗,提高...
实亿国际nmos管作为防止电路反接方案中,VCC=5V的电源加在10K阻性负载上,电压表、电流...nmos管作为防止电路反接方案中,VCC=5V的电源加在10K阻性负载上,电压表、电流表分别测量,记录值是5V、500uA;切换Key开关,模拟电源反接时,测得记录值是-49.55...
交流充电桩输出的依然是交流电,这种电流需要经过车载充电机(OBC)转换为直流电...交流充电桩输出的依然是交流电,这种电流需要经过车载充电机(OBC)转换为直流电后才能为电池充电。这一转换过程限制了充电速度,因为车载充电机的功率通常有限(3.3...
实亿国际KCX012N10N场效应管漏源击穿电压100V,漏极电流330A ,采用先进的MOS技术制造,...KCX012N10N场效应管漏源击穿电压100V,漏极电流330A ,采用先进的MOS技术制造,极低导通电阻RDS(开启) 1.4mΩ,卓越的QgxRDS(on)产品(FOM),减少开关损耗,高...
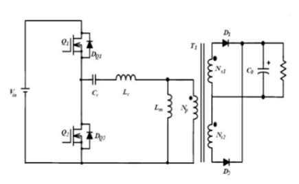
实亿国际LLC变换器由4个模块组成:电源开关、谐振腔、变压器和二极管整流器。MOSFET功率...LLC变换器由4个模块组成:电源开关、谐振腔、变压器和二极管整流器。MOSFET功率开关首先将输入的直流电压转换为高频方波;随后方波进入谐振腔,由谐振腔消除方波的...
实亿国际PPN电容是CBB13型无感箔式聚丙烯膜电容的另一种名称,属于薄膜电容器的一种,具...PPN电容是CBB13型无感箔式聚丙烯膜电容的另一种名称,属于薄膜电容器的一种,具有高频损耗小、耐冲击、温度稳定性好等特点,广泛应用于高频、直流、交流及大电流脉...