llc电路详解,llc谐振电路原理-KIA MOS管
实亿国际信息来源:本站 日期:2025-07-01
LLC是通过控制开关频率(频率调节)来实现输出电压恒定的谐振电路。llc电路可以实现原边两个主MOS开关的零电压开通(ZVS)和副边整流二极管的零电流关断(ZCS),通过软开关技术,可以降低电源的开关损耗,提高功率变换器的效率和功率密度。
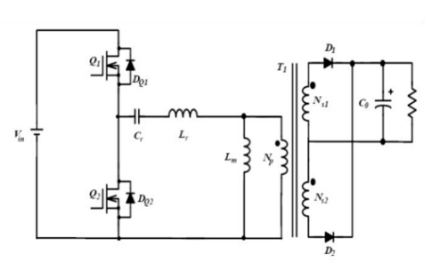
Vin为直流母线电压,Q1,Q2为主开关MOS管(其中C1和C2分别为MOS管Q1和Q2的结电容,并联在Vds上的二极管分别为MOS管Q1和Q2的体二极管),一起受控产生方波电压;
谐振电容Cr、谐振电感Lr、励磁电感Lm一起构成谐振网络;
np,ns为理想变压器原副边线圈,变压器匝比n= np/ns;
二极管VD1,二极管VD2,二极管VD3,二极管VD4输出电容Cf一起构成输出整流滤波网络。
LLC变换器由4个模块组成:电源开关、谐振腔、变压器和二极管整流器。MOSFET功率开关首先将输入的直流电压转换为高频方波;随后方波进入谐振腔,由谐振腔消除方波的谐波并输出基频的正弦波;正弦波再通过高频变压器传输到变换器的副边,并根据应用需求对电压进行升压或降压;最后,二极管整流器将正弦波转换为稳定的直流输出。
LLC半桥谐振电路
LLC半桥谐振电路的开关动作和半桥电路无异,但是由于谐振腔的加入,LLC半桥谐振电路中的上下MOSFET工作情况大不一样,它能实现MOSFET零电压开通。
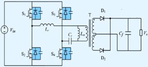
全桥LLC变换器
开关电路为由开关器件S1~S4构成的全桥逆变电路;谐振电路包含谐振电感Lr、谐振电容Cr以及励磁电感Lm,并与变压器原边连接;变压器副边为由二极管D1、D2构成的全波不控整流电路,与输出电容Cf连接后接入负载。
联系方式:邹先生
座机:0755-83888366-8022
手机:18123972950(微信同号)
QQ:2880195519
联系地址:深圳市龙华区英泰科汇广场2栋1902
搜索微信公众号:“KIA半导体”或扫码关注官方微信公众号
关注官方微信公众号:提供 MOS管 技术支持
免责声明:网站部分图文来源其它出处,如有侵权请联系删除。
