场效应管分为增强型(常开型)和耗尽型(常闭型),增强型的管子是需要加电压才...场效应管分为增强型(常开型)和耗尽型(常闭型),增强型的管子是需要加电压才能导通的,而耗尽型管子本来就处于导通状态,加栅源电压是为了使其截止。
如果MOS的Drink极电压为12V,Source极电压原为0V,Gate极驱动电压也为12V,那么...如果MOS的Drink极电压为12V,Source极电压原为0V,Gate极驱动电压也为12V,那么当MOS在导通瞬间,Soure极电压会升高为Drink减压减去一个很小的导通压降,那么Vgs电...
CMOS逻辑电路,分两部分,上拉部分,下拉部分。上拉部分由PMOS管电路构成,下拉...CMOS逻辑电路,分两部分,上拉部分,下拉部分。上拉部分由PMOS管电路构成,下拉部分由NMOS管电路组成,如下。上下拉,形成互补。
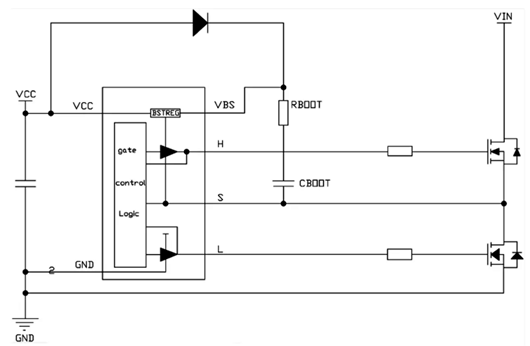
由于MOS管截止时漏极和源极之间的内阻Ror非常大,所以截止状态下的等效电路可以...由于MOS管截止时漏极和源极之间的内阻Ror非常大,所以截止状态下的等效电路可以用断开的开关代替,如图a所示。MOS管导通状态下的内阻RoN约在1kΩ以内,而且与VGs的数...
实亿国际NMOS管的主回路电流方向为D极到S极,导通条件为VGS有一定的压差,即VG-VS>VTH;...NMOS管的主回路电流方向为D极到S极,导通条件为VGS有一定的压差,即VG-VS>VTH;PMOS管的主回路电流方向为S极到G极,导通条件为VSG有一定的压差,即VS-VG>VTH。故一...
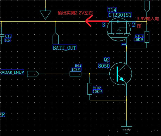
当5V没接入时,PMOS管的栅极通过电阻R1下拉到地(0V),锂电池BAT(3.7~4.2V)...当5V没接入时,PMOS管的栅极通过电阻R1下拉到地(0V),锂电池BAT(3.7~4.2V)通过MOS管的内部体二极管到达源极,源极电压为(3~3.5)V,此时Ugs为(-3.5)V到(-...