CMOS逻辑电路图文详解-KIA MOS管
信息来源:本站 日期:2022-07-20
CMOS逻辑电路,分两部分,上拉部分,下拉部分。上拉部分由PMOS管电路构成,下拉部分由NMOS管电路组成,如下。上下拉,形成互补。
由前面的基础可知,CMOS只能实现基本逻辑的非,比如或逻辑,与逻辑,如果不加反相器,CMOS只能实现或非,与非逻辑。原因就是上拉逻辑只能用PMOS实现,下拉逻辑只能由NMOS实现,而PMOS的导通需要输入信号为0,NMOS导通需要输入信号为1。
既然如此,在用CMOS实现逻辑电路时,一般可以照如下顺序去做:
可以先将其整体先加上一个非,作相应的逻辑转化。
上拉逻辑中各个PMOS,与操作为并联,或操作为串联。
下拉逻辑中各个NMOS,与操作为串联,或操作为并联。
举例说明
比如我们想从CMOS层去实现逻辑 OUT = D+A*(B+C) (减号“-”表示取反(非)操作,“+”表示或,*表示与)。
设计过程如下:
OUT = - ( -(D+A*(B+C)) )
OUT1 = -(D+A*(B+C))
OUT = -OUT1
对于OUT1 = -(D+A*(B+C)),正好是逻辑整体上带了个非,设计(D+A*(B+C))部分之后再加上一个非即可。
故对于上拉逻辑:
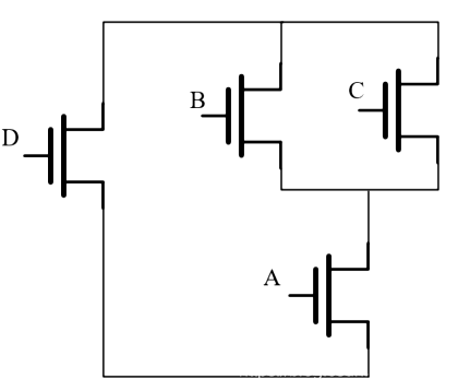
1.或操作为串联,从而输入B,C接到的PMOS之间为串联。
2.与操作为并联,故输入A接到的PMOS跟B,C或逻辑之间为并联。
3.或操作为串联,故D与A*(B+C)的PMOS逻辑为串联。
对于下拉逻辑与上拉逻辑正好相反:
4.或操作为并联,从而输入B,C接到的NMOS之间为并联。
5.与操作为串联,故输入A接到的NMOS跟B,C或逻辑之间为串联。
6.或操作为并联,故D与A*(B+C)的NMOS逻辑为并联。
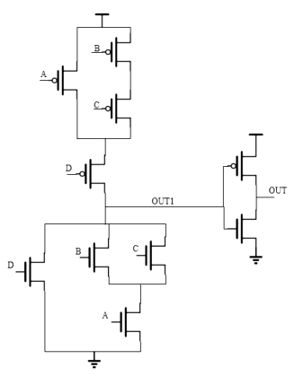
7.从而得到 OUT1 = -(D+A*(B+C)) 的CMOS实现如下:
过程中上下拉两部分的逻辑式相同,组合起来后,自行补充一个非。
则实际分析电路中,一般只需单独分析一部分就行了。
8.OUT = -OUT1,故得最终答案如下:
当然,在MOS管级别还可以做一些优化,比如MOS管级别的逻辑优化,MOS管栅源共用,晶体管尺寸调整,重新安排各个输入的上下顺序等等,都可以在MOS管级别使得电路的时序与面积功耗等得到优化,但这不是我们的重点,一般对于全定制IC设计会从MOS管级开始考虑电路的实现。这里只是对其做一个了解。
实际设计的重点还是会注重于门级以上的电路实现与优化,特别是到了Verilog描述,主要着重于数据流级,行为级描述。
联系方式:邹先生
联系电话:0755-83888366-8022
手机:18123972950
QQ:2880195519
联系地址:深圳市福田区车公庙天安数码城天吉大厦CD座5C1
请搜微信公众号:“KIA半导体”或扫一扫下图“关注”官方微信公众号
请“关注”官方微信公众号:提供 MOS管 技术帮助
免责声明:本网站部分文章或图片来源其它出处,如有侵权,请联系删除。
