实亿国际

实亿国际

国家高新企业

cn

新闻中心

实亿国际开关电源电路-单片机开关电源电路图详解-KIA MOS管

信息来源:本站 日期:2018-03-09 

分享到:

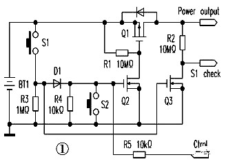
一、单键控制单片机电源开关电路(电路简图1)

实亿国际 电路图功用:运用一个轻触开关按键分离单片机软件控制来完成单片机电源的“开”和“关”,在关机状态下电路功耗极低,是一个适用性很强的电路。

电路图简明:

1.轻触开关S1为开关机按键,在关机状态下按S1可使电源“开”,开机状态下按S1可使电源关。

2.Power output为电源输出端,衔接单片机主电路。

3.S1-check与单片机的I/O相连,经过检测其电平状态来判别S1能否按下。

4.Ctrol也与单片机的I/O相连,经过Ctrl来控制电源的“开”和“关”。

5.开关S2的作用是当单片机死机,程序跑飞之后,只能经过S2来强迫关机。


实亿国际 电路图解:开机时,按下轻触开关S1,此时NMOS管Q3的栅极直接与电池正极相连,所以Q3导通,S1 check为低电平;同样电池电压经二极管D1也与NMOS管Q2的栅极相连,Q2也会导通。Q2导通后,PMOS管Q1的栅极被拉低,则Q1导通,电源翻开,单片机上电开端初始化。


单片机初始化完成后,检测到S1 check仍为低电平常,判别为S1按下,则控制Ctrol端输出高电平,使Q2坚持稳定的导通状态。这样也能保证Q1也处于稳定的导通状态。开机完成。此时,即便松开S1后,电源也会处于翻开状态,但Q3会截止,S1 check恢复高电平。


实亿国际 当需求关机时,再次按下开关S1,使Q3导通,S1 check为低电平。单片机经过一段延时后,再次判别S1 check仍为低电平话,则判别S1按下,执行关机指令。此时程序保管一切数据,关闭中缀。Ctrol输出低电平使Q2截止,从而控制Q1截止,切断电源“主开关”。


但是由于电容的作用,单片机的电源电压会渐渐变低,此时Ctrol的电平状态会处于一个不稳定的状态,但由于电阻R4的作用,能够保证Q2的栅极坚持被拉低的状态,使Q2稳定截止。


当单片机电源电压完整没有时,Ctrol也是处于低电平状态,也不能影响Q2的截止。

实亿国际 假如当单片机死机时,程序控制曾经不起作用了,按下开关S2,使Q2强迫关断,Q1也会关断,也切断了单片机的电源。这样就能够保证再不时掉整个电路电源状况下强迫关机。


注意:

1.注意程序的配合,特别是在延时检测方面。

2.注意这个电路的抗干扰才能。

3.同时剖析一下,本例电路在改换电源时,能否有误开的时机。


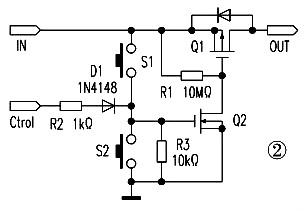
二、单片机电源双按键开关机电路(电路见图2)

实亿国际 电路图功用:本例电路图可经过两个轻触按键来完成单片机电路电源的“开”和“关”。

电路图简明:

实亿国际 1.输入IN网络接电池的正极,经开关管Q1可输出至OUT端。

实亿国际 2.OUT端接单片机的电源端。

3.Ctrol端衔接到单片机的控制引脚。

4.轻触开关S1为电源“开”按键。

实亿国际 5.轻触开关S2为电源“关”按键。


实亿国际 电路图解:PMOS管Q1为开关管,Q1导通,单片机电源就开;Q1截止,单片机电源就截止。所以,剖析时抓住Q1的导通状态就行。

实亿国际 当需求开机时,按下开关S1,则NMOS管Q2的栅极为高电平,使Q2导通。Q2导通使PMOS管Q1的栅极为低电平,则Q1会导通,单片机电源开,单片机进入初始化。      单片机初始化后,将Ctrol端输出高电平,维持Q2的导通,此时松开按键S1也不会影响单片机的工作。当需求关机时,按下开关S2,则NMOS管Q2的栅极为低电平,使Q2截止,则Q1也会截止,单片机电源关。此时由于电阻R3的作用,能使Q2坚持截止状态。到单片机关机完毕后,Ctrol引脚也变成了低电平,Q2也能稳定截止。


注意:

1.大家应该发现本例电路与上例电路的区别,能够互相比拟一下这两个电路图之间的优缺陷。

2.同样,在电池设备中,功耗是首要思索的,所以这里的MOS管也应该选择低漏电流的MOS管。


三、单按键控制单片机电源开关机电路二(电路见图3)

实亿国际 电路图功用:本例电路可完成经过轻触开关+单片机软件控制来完成电源的开和关。

电路图简明:电路图中U3为电源转换芯片,其输出电源给单片机供电。三极管Q2为整个开关机电路的开关管。

网络ON-OFF衔接至单片机的I/O口,经过其电平变化检测按键S1能否按下,并判别是开机还是关机。

网络POWER也衔接至单片机的I/O口,用来控制三极管Q1的开和关。

电路图解:

1.初始状态实亿国际:电路初始状态下,开关S1没有被按下,三极管Q2的基极为高电平,处于截止状态,电源转换芯片6203没有电源输入,也就没有3.3V的电源输出。三极管Q1也处于截止状态。


2.开机状态:当需求开机时,按下开关S1,使三极管Q2的基极电位被拉低,三极管Q2导通,电源转换芯片输出3.3V给单片机供电。单片机上电后,开端初始化。普通初始化时会将I/O引脚置为高电平,但是初始化需求一定的时间,所以S1按下后不能马上松开。单片机初始化完成后,ON-OFF经过二极管D3被开关S1拉低,单片机检测到其为低电平,阐明开关被按下,确认开机正常运转;同理POWER输出高电平使Q1导通,此时即便开关S1松开,ON-OFF恢复高电平,也不会影响整个系统的工作。至此,电路开机完成。


3.关机状态实亿国际:当需求关机时,再次按下开关S1,ON-OFF网络被拉低,单片机检测到低电平信号后,经过一段延时再次检测ON-OFF网络电平状态,若仍为低电平,则确以为关机信号。单片机执行关机命令,关闭中缀,保管数据,同时POWER网络输出低电平,使三极管Q1截止,Q2的基极恢复高电平,Q2也截止,电源转换芯片也开端中止工作。


但由于电容C10,C6的作用,单片机电源电压不会马上变成0,它是逐步降低的,会惹起I/O的电平状态不肯定。此时经过下拉电阻R14的作用,可使Q1的基极维持稳定的低电平,保证系统稳定关机。


注意:

实亿国际 1.关机时,单片机不需求初始化,此时按键按下的时间不需求太久。

实亿国际 2.本例电路硬件局部不算复杂,主要局部在于程序的配合。


联系方式:邹先生

联系电话:0755-83888366-8022

手机:18123972950

QQ:2880195519

联系地址:深圳市福田区车公庙天安数码城天吉大厦CD座5C1


关注KIA半导体工程专辑请搜微信号:“KIA半导体”或点击本文下方图片扫一扫进入官方微信“关注”。

关注「KIA半导体」,做优秀工程师!


长按二维码识别关注

实亿国际 阅读原文可一键关注+技术总汇

3000万彩票-追求健康,你我一起成长 乐发IV - welcome u284彩票- 欢迎您 实亿国际(中国区)官方网站 永兴集团yx06 5630彩票(中国区)官方网站 佰利乐·(中国区)有限公司官网 金彩汇 - welcome首页