实亿国际lcr数字电桥原理,工作原理图分享-KIA MOS管
实亿国际信息来源:本站 日期:2025-07-21
LCR数字电桥的原理是通过测量待测元件两端的电压和电流向量,结合相敏检波与数字信号处理技术,运用矢量形式的欧姆定律计算阻抗参数。lcr数字电桥可以精确测量电子元件的电感(L)、电容(C)、电阻(R)和阻抗(Z)参数,并支持品质因数(Q)、损耗因数(D)等衍生参数的获取。
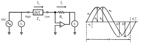
lcr数字电桥基本原理框图:
由信号源发生一个一定频率和幅度的正弦交流信号,这个信号加到被测件 DUT上产生电流流到虚地“OV”,由于运放输入电流为零,所以流过 DUT 的电流完全流过 Rr,最后根据欧姆定律 DUT 的阻抗: Z=-V1*Rr/V2。因为运算放大器虚地功能的引入,使这种测量方法的精度和抗干扰能力产生了质的飞跃。
如何测量电压与电流的相位差?
1.过零比较+时间测量技术
通过用过零点出发一个电平的方式,再测量两个过零点之间的时间差。
2.模拟乘法器
将两个信号进行乘法。既然可以获取角度值,则可以获得阻抗值。
联系方式:邹先生
座机:0755-83888366-8022
手机:18123972950(微信同号)
QQ:2880195519
联系地址:深圳市龙华区英泰科汇广场2栋1902
搜索微信公众号:“KIA半导体”或扫码关注官方微信公众号
关注官方微信公众号:提供 MOS管 技术支持
免责声明:网站部分图文来源其它出处,如有侵权请联系删除。
