实亿国际

实亿国际

国家高新企业

cn

新闻中心

实亿国际lm7805中文资料-lm7805应用电路、参数、型号和管脚分布-KIA MOS管

信息来源:本站 日期:2019-12-11 

分享到:

lm7805中文资料-lm7805应用电路、参数、型号和管脚分布

lm7805介绍

lm7805中文资料,先来简单介绍一下lm7805 用lm78/lm79系列三端稳压IC来组成稳压电源所需的外围元件极少,电路内部还有过流、过热及调整管的保护电路,使用起来可靠、方便,而且价格便宜。


该系列集成稳压IC型号中的lm78或lm79后面的数字代表该三端集成稳压电路的输出电压,如lm7806表示输出电压为正6V,lm7909表示输出电压为负9V。


因为三端固定集成稳压电路的使用方便,电子制作中经常采用。 最大输出电流1.5A,LM78XX系列输出电压分别为5V;6V;8V;9V;10V;12V;15V;18V;24V。


lm7805中文资料


lm7805应用电路

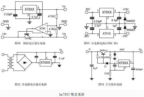
lm7805中文资料之应用电路,lm7805典型应用电路图: lm78XX系列集成稳压器的典型应用电路图,是一个输出正5V直流压的稳压电源电路。IC采集成稳压器lm7805,C1、C2分别为输入端和输出端滤波电容,RL为负载电阻。当输出电流较大时,lm7805应配上散热板。


lm7805中文资料


lm7805中文资料



为提高输出电压的应用电路。稳压二极管VD1串接在lm78XX稳压器2脚与地之间,可使输出电压Uo得到一定的提高,输出电压Uo为78XX稳压器输出电 压与稳压二极管VC1稳压值之和。VD2是输出保护二极管,一旦输出电压低于VD1稳压值时,VD2导通,将输出电流旁路,保护lm7800稳压器输出级不被损坏。


为输出电压可在一定范围内调节的应用电路。由于R1、RP电阻网络的作用,使得输出电压被提高,提高的幅度取决于RP与R1的比值。调节电位器RP,即 可一定范围内调节输出电压。当RP=0时,输出电压Uo等于lm78XX稳压器输出电压;当RP逐步增大时,Uo也随之逐步提高。


为扩大输出电流的应用电路。VT2为外接扩流率管,VT1为推动管,二者为达林顿连接。R1为偏置电阻。该电路最大输出电流取决于VT2的参数。


lm7805电参数

lm7805中文资料的参数如下图:


lm7805中文资料


lm7805中文资料


lm7805中文资料-三端稳压器的型号规格和管脚分布


lm7805中文资料


例如:78M05三端稳压器可输出+5 V、0.5 A的稳定电压;7912三端稳压器可输出 12V、1A的稳定电压。


外形及管脚分布,如附下图所示。


lm7805中文资料


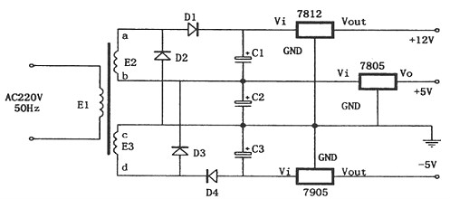
由7805,7905,7812组成的特殊的线性稳压电源


如图所示为一种特殊的电源电路。该电路虽然简单,但可以从两个相同的次级绕组中产生出三组直流电压:+5V、-5V和+12V。其特点是:D2、D3跨接在E2、E3这两组交流电源之间,起着全波整流的作用。


lm7805中文资料


联系方式:邹先生

联系电话:0755-83888366-8022

手机:18123972950

QQ:2880195519

联系地址:深圳市福田区车公庙天安数码城天吉大厦CD座5C1


请搜微信公众号:“KIA半导体”或扫一扫下图“关注”官方微信公众号

请“关注”官方微信公众号:提供 MOS管 技术帮助