稳压二极管,英文名称Zener diode,又叫齐纳二极管。利用PN结反向击穿状态,其...稳压二极管,英文名称Zener diode,又叫齐纳二极管。利用PN结反向击穿状态,其电流可在很大范围内变化而电压基本不变的现象,制成的起稳压作用的二极管。
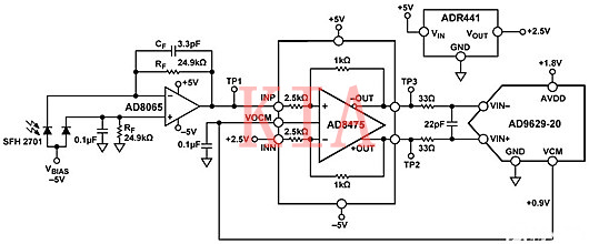
实亿国际图1所示电路是一个高速光电二极管信号调理电路,具有暗电流补偿功能。系统转换...图1所示电路是一个高速光电二极管信号调理电路,具有暗电流补偿功能。系统转换来自高速硅PIN光电二极管的电流,并驱动20 MSPS模数转换器(ADC)的输入。
反相型理想二极管电路图 在非反相型理想化二极管电路中,很难实现箝位电路,不...反相型理想二极管电路图 在非反相型理想化二极管电路中,很难实现箝位电路,不可避免输出饱和在负电位上的现象。因此,一般的理想化二极管由如图1所示的反相电路...
几个连接起来的电阻所起的作用,可以用一个电阻来代替,这个电阻就是那些电阻的...几个连接起来的电阻所起的作用,可以用一个电阻来代替,这个电阻就是那些电阻的等效电阻。也就是说任何电回路中的电阻,不论有多少只,都可等效为一个电阻来代替。...
实亿国际几个连接起来的电阻所起的作用,可以用一个电阻来代替,这个电阻就是那些电阻的...几个连接起来的电阻所起的作用,可以用一个电阻来代替,这个电阻就是那些电阻的等效电阻。也就是说任何电回路中的电阻,不论有多少只,都可等效为一个电阻来代替。...
异步电动机又称感应电动机,是由气隙旋转磁场与转子绕组感应电流相互作用产生电...异步电动机又称感应电动机,是由气隙旋转磁场与转子绕组感应电流相互作用产生电磁转矩,从而实现机电能量转换为机械能量的一种交流电机。