实亿国际解析高速光电二极管信号调理电路图-KIA MOS管
信息来源:本站 日期:2021-09-10
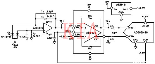
图1所示电路是一个高速光电二极管信号调理电路,具有暗电流补偿功能。系统转换来自高速硅PIN光电二极管的电流,并驱动20 MSPS模数转换器(ADC)的输入。
该器件组合可提供400 nm至1050 nm的频谱敏感度和49 nA的光电流敏感度、91 dB的动态范围以及2 MHz的带宽。
信号调理电路采用±5 V电源供电,功耗仅为40 mA,适合便携式高速、高分辨率光强度应用,如脉搏血氧仪。
图1. 具有暗电流补偿功能的光电二极管前置放大器系统(原理示意图:未显示所有连接和去耦)
高速光电二极管信号调理电路还适合其它应用,如模拟光隔离器。它还能满足需要更高带宽和更低分辨率的应用,如自适应速度控制系统。
本电路笔记讨论图1中所示电路的优化设计步骤,以满足特定带宽应用的要求,这些步骤包括:稳定性计算、噪声分析和器件选择考虑因素。
光电二极管属于高阻抗传感器,用于检测光的强度。它没有内部增益,但相比其它光检测器,可在更高的光级度下工作。
光电二极管工作时采用零偏置(光伏)模式或反向偏置(光导)模式。
光伏模式可获得最精确的线性运算,而让二极管工作在光导模式可实现更高的开关速度,但代价是降低线性度。
在反向偏置条件下,存在少量的电流(称为暗电流),它们甚至在没有光照度的情况下也会流动。可在运算放大器的同相输入端使用第二个同类光电二极管消除暗电流误差,如图1所示。
有三个因素影响光电二极管的响应时间:
处于光电二极管耗尽区域内载波的充电采集时间
处于光电二极管未耗尽区域内载波的充电采集时间
二极管电路组合的RC时间常数
由于结电容取决于光电二极管的扩散区以及施加的反向偏置,采用扩散区较小的光电二极管并施加较大的反向偏置即可获得更快的上升时间。
在 CN-0272电路笔记中,采用 SFH 2701 PIN光电二极管,其结电容典型值为3 pF,0 V偏置下的最大值为5 pF。
1 V反向偏置时的典型电容为2 pF,5 V 反向偏置时为1.7 pF。本电路的测量均在5 V反向偏置下进行。
联系方式:邹先生
联系电话:0755-83888366-8022
手机:18123972950
QQ:2880195519
联系地址:深圳市福田区车公庙天安数码城天吉大厦CD座5C1
请搜微信公众号:“KIA半导体”或扫一扫下图“关注”官方微信公众号
请“关注”官方微信公众号:提供 MOS管 技术帮助

