实亿国际

实亿国际

国家高新企业

cn

新闻中心

实亿国际场管自激逆变器电路图-场管自激逆变器电路图自制设计-KIA MOS管

信息来源:本站 日期:2018-07-12 

分享到:

逆变器是把直流电能(电池、蓄电瓶)转变成交流电(一般为220v50HZ正弦或方波)。通俗的讲,逆变器是一种将直流电(DC)转化为交流电(AC)的装置。它由逆变桥、控制逻辑和滤波电路组成。广泛适用于空调、家庭影院、电动砂轮、电动工具、缝纫机、DVD、VCD、电脑、电视、洗衣机、抽油烟机、冰箱,录像机、按摩器、风扇、照明等 。


简单地说,逆变器就是一种将低压(12或24伏或48伏)直流电转变为220伏交流电的电子设备。因为我们通常是将220伏交流电整流变成直流电来使用,而逆变器的作用与此相反,因此而得名。我们处在一个“移动”的时代,移动办公,移动通讯,移动休闲和娱乐。在移动的状态中,人们不但需要由电池或电瓶供给的低压直流电,同时更需要我们在日常环境中不可或缺的220伏交流电,逆变器就可以满足我们的这种需求。

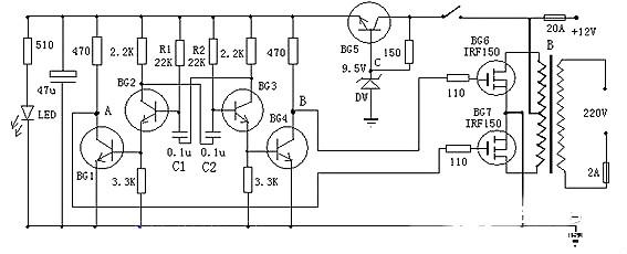
场管自激逆变器电路图文详解

晶体管逆变器电路图

这是一款非常容易制作的逆变器,可以将12V电源电压变为220V市电,电路由BG2和BG3组成的多谐振荡器推动,再通过BG1和BG2驱动,来控制BG6和BG7工作。


其中振荡电路由BG5与DW组的稳压电源供电,这样可以使输出频率比较稳定。


在制作时,变压器可选有常用双12V输出的市电变压器。可根据需要,选择12V蓄电池的容量。


联系方式:邹先生

联系电话:0755-83888366-8022

手机:18123972950

QQ:2880195519

联系地址:深圳市福田区车公庙天安数码城天吉大厦CD座5C1

请搜微信公众号:“KIA半导体”或扫一扫下图“关注”官方微信公众号

请“关注”官方微信公众号:提供  MOS管  技术帮助