实亿国际

实亿国际

国家高新企业

cn

新闻中心

MOS管开关驱动电路图-MOS管开关驱动电路设计及原理详解-KIA MOS管

信息来源:本站 日期:2018-07-11 

分享到:

MOS管开关驱动电路图

在使用MOS管设计开关电源或者马达驱动电路的时候,大部分人都会考虑MOS的导通电阻,最大电压等,最大电流等,也有很多人仅仅考虑这些因素。这样的电路也许是可以工作的,但并不是优秀的,作为正式的产品设计也是不允许的。


1、MOS管种类和结构

MOSFET管是FET的一种(另一种是JFET),可以被制造成增强型或耗尽型,P沟道或N沟道共4种类型,但实际应用的只有增强型的N沟道MOS管和增强型的P沟道MOS管,所以通常提到NMOS,或者PMOS指的就是这两种。

对于这两种增强型MOS管,比较常用的是NMOS。原因是导通电阻小,且容易制造。所以开关电源和马达驱动的应用中,一般都用NMOS。下面的介绍中,也多以NMOS为主。

MOS管的三个管脚之间有寄生电容存在,这不是我们需要的,而是由于制造工艺限制产生的。寄生电容的存在使得在设计或选择驱动电路的时候要麻烦一些,但没有办法避免,后边再详细介绍。

在MOS管原理图上可以看到,漏极和源极之间有一个寄生二极管。这个叫体二极管,在驱动感性负载(如马达),这个二极管很重要。顺便说一句,体二极管只在单个的MOS管中存在,在集成电路芯片内部通常是没有的。


2、MOS管开关电路驱动

跟双极性晶体管相比,一般认为使MOS管导通不需要电流,只要GS电压高于一定的值,就可以了。这个很容易做到,但是,我们还需要速度。

在MOS管的结构中可以看到,在GS,GD之间存在寄生电容,而MOS管的驱动,实际上就是对电容的充放电。对电容的充电需要一个电流,因为对电容充电瞬间可以把电容看成短路,所以瞬间电流会比较大。选择/设计MOS管驱动时第一要注意的是可提供瞬间短路电流的大小。

第二注意的是,普遍用于高端驱动的NMOS,导通时需要是栅极电压大于源极电压。而高端驱动的MOS管导通时源极电压与漏极电压(VCC)相同,所以这时 栅极电压要比VCC大4V或10V。如果在同一个系统里,要得到比VCC大的电压,就要专门的升压电路了。很多马达驱动器都集成了电荷泵,要注意的是应该 选择合适的外接电容,以得到足够的短路电流去驱动MOS管。

上边说的4V或10V是常用的MOS管的导通电压,设计时当然需要有一定的余量。而且电压越高,导通速度越快,导通电阻也越小。现在也有导通电压更小的MOS管用在不同的领域里,但在12V汽车电子系统里,一般4V导通就够用了。


3、MOS管导通特性

导通的意思是作为开关,相当于开关闭合。

NMOS的特性,Vgs大于一定的值就会导通,适合用于源极接地时的情况(低端驱动),只要栅极电压达到4V或10V就可以了。

PMOS的特性,Vgs小于一定的值就会导通,适合用于源极接VCC时的情况(高端驱动)。但是,虽然PMOS可以很方便地用作高端驱动,但由于导通电阻大,价格贵,替换种类少等原因,在高端驱动中,通常还是使用NMOS。


4、MOS开关管损失

不管是NMOS还是PMOS,导通后都有导通电阻存在,这样电流就会在这个电阻上消耗能量,这部分消耗的能量叫做导通损耗。选择导通电阻小的MOS管会减小导通损耗。现在的小功率MOS管导通电阻一般在几十毫欧左右,几毫欧的也有。

MOS在导通和截止的时候,一定不是在瞬间完成的。MOS两端的电压有一个下降的过程,流过的电流有一个上升的过程,在这段时间内,MOS管的损失是电压和电流的乘积,叫做开关损失。通常开关损失比导通损失大得多,而且开关频率越快,损失也越大。

导通瞬间电压和电流的乘积很大,造成的损失也就很大。缩短开关时间,可以减小每次导通时的损失;降低开关频率,可以减小单位时间内的开关次数。这两种办法都可以减小开关损失。


5、MOS管应用电路

MOS管最显著的特性是开关特性好,所以被广泛应用在需要电子开关的电路中,常见的如开关电源和马达驱动,也有照明调光。


MOS管开关驱动电路图

1、低压应用

当使用5V电源,这时候如果使用传统的图腾柱结构,由于三极管的be有0.7V左右的压降,导致实际最终加在gate上的电压只有4.3V。这时候,我们选用标称gate电压4.5V的MOS管就存在一定的风险。

同样的问题也发生在使用3V或者其他低压电源的场合。


2、宽电压应用

输入电压并不是一个固定值,它会随着时间或者其他因素而变动。这个变动导致PWM电路提供给MOS管的驱动电压是不稳定的。

为了让MOS管在高gate电压下安全,很多MOS管内置了稳压管强行限制gate电压的幅值。在这种情况下,当提供的驱动电压超过稳压管的电压,就会引起较大的静态功耗。

同时,如果简单的用电阻分压的原理降低gate电压,就会出现输入电压比较高的时候,MOS管工作良好,而输入电压降低的时候gate电压不足,引起导通不够彻底,从而增加功耗。


3、双电压应用

在一些控制电路中,逻辑部分使用典型的5V或者3.3V数字电压,而功率部分使用12V甚至更高的电压。两个电压采用共地方式连接。

这就提出一个要求,需要使用一个电路,让低压侧能够有效的控制高压侧的MOS管,同时高压侧的MOS管也同样会面对1和2中提到的问题。

在这三种情况下,图腾柱结构无法满足输出要求,而很多现成的MOS驱动IC,似乎也没有包含gate电压限制的结构。


在使用MOSFET设计开关电源时,大部分人都会考虑MOSFET的导通电阻、最大电压、最大电流。但很多时候也仅仅考虑了这些因素,这样的电路也许可以正常工作,但并不是一个好的设计方案。更细致的,MOSFET还应考虑本身寄生的参数。对一个确定的MOSFET,其驱动电路,驱动脚输出的峰值电流,上升速率等,都会影响MOSFET的开关性能。

当电源IC与MOS管选定之后, 选择合适的驱动电路来连接电源IC与MOS管就显得尤其重要了。


MOSFET驱动电路要求

(1)开关管开通瞬时,驱动电路应能提供足够大的充电电流使MOSFET栅源极间电压迅速上升到所需值,保证开关管能快速开通且不存在上升沿的高频振荡。

(2)开关导通期间驱动电路能保证MOSFET栅源极间电压保持稳定且可靠导通。

(3)关断瞬间驱动电路能提供一个尽可能低阻抗的通路供MOSFET栅源极间电容电压的快速泄放,保证开关管能快速关断。

(4)驱动电路结构简单可靠、损耗小。

(5)根据情况施加隔离。


常用的MOS管开关驱动电路图

1:电源IC直接驱动MOSFET

图 1 IC直接驱动MOSFET

电源IC直接驱动是我们最常用的驱动方式,同时也是最简单的驱动方式,使用这种驱动方式,应该注意几个参数以及这些参数的影响。第一,查看一下电源IC手册,其最大驱动峰值电流,因为不同芯片,驱动能力很多时候是不一样的。第二,了解一下MOSFET的寄生电容,如图 1中C1、C2的值。如果C1、C2的值比较大,MOS管导通的需要的能量就比较大,如果电源IC没有比较大的驱动峰值电流,那么管子导通的速度就比较慢。如果驱动能力不足,上升沿可能出现高频振荡,即使把图 1中Rg减小,也不能解决问题! IC驱动能力、MOS寄生电容大小、MOS管开关速度等因素,都影响驱动电阻阻值的选择,所以Rg并不能无限减小。


2:电源IC驱动能力不足时

如果选择MOS管寄生电容比较大,电源IC内部的驱动能力又不足时,需要在驱动电路上增强驱动能力,常使用图腾柱电路增加电源IC驱动能力,其电路如图 2虚线框所示。

MOS管开关驱动电路图

图 2 图腾柱驱动MOS

这种MOS管开关驱动电路图作用在于,提升电流提供能力,迅速完成对于栅极输入电容电荷的充电过程。这种拓扑增加了导通所需要的时间,但是减少了关断时间,开关管能快速开通且避免上升沿的高频振荡。


3:驱动电路加速MOS管关断时间

MOS管开关驱动电路图

图 3 加速MOS关断

关断瞬间驱动电路能提供一个尽可能低阻抗的通路供MOSFET栅源极间电容电压快速泄放,保证开关管能快速关断。为使栅源极间电容电压的快速泄放,常在驱动电阻上并联一个电阻和一个二极管,如图 3所示,其中D1常用的是快恢复二极管。这使关断时间减小,同时减小关断时的损耗。Rg2是防止关断的时电流过大,把电源IC给烧掉。

MOS管开关驱动电路图

图 4 改进型加速MOS关断

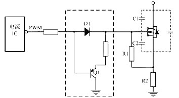
在第二点介绍的图腾柱电路也有加快关断作用。当电源IC的驱动能力足够时,对图 2中电路改进可以加速MOS管关断时间,得到如图 4所示电路。用三极管来泄放栅源极间电容电压是比较常见的。如果Q1的发射极没有电阻,当PNP三极管导通时,栅源极间电容短接,达到最短时间内把电荷放完,最大限度减小关断时的交叉损耗。与图 3拓扑相比较,还有一个好处,就是栅源极间电容上的电荷泄放时电流不经过电源IC,提高了可靠性。


4:驱动电路加速MOS管关断时间

MOS管开关驱动电路图

图 5 隔离驱动

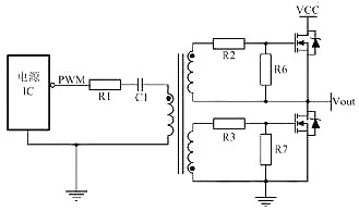
为了满足如图 5所示高端MOS管的驱动,经常会采用变压器驱动,有时为了满足安全隔离也使用变压器驱动。其中R1目的是抑制PCB板上寄生的电感与C1形成LC振荡,C1的目的是隔开直流,通过交流,同时也能防止磁芯饱和。


5:当源极输出为高电压时的驱动

当源极输出为高电压的情况时,我们需要采用偏置电路达到电路工作的目的,既我们以源极为参考点,搭建偏置电路,驱动电压在两个电压之间波动,驱动电压偏差由低电压提供,如下图6所示。

MOS管开关驱动电路图

图6 源极输出为高电压时的驱动电路

除了以上驱动电路之外,还有很多其它形式的驱动电路。对于各种各样的驱动电路并没有一种驱动电路是最好的,只有结合具体应用,选择最合适的驱动。


联系方式:邹先生

联系电话:0755-83888366-8022

手机:18123972950

QQ:2880195519

联系地址:深圳市福田区车公庙天安数码城天吉大厦CD座5C1


请搜微信公众号:“KIA半导体”或扫一扫下图“关注”官方微信公众号

请“关注”官方微信公众号:提供  MOS管  技术帮助

                                                           MOS管开关驱动电路图

MOS管开关驱动电路图