锂电池充电器电路图,原理图分享-KIA MOS管
信息来源:本站 日期:2025-08-13
锂电池充电器是用于为锂离子电池充电的设备。锂电池对充电器的要求较高,需要保护电路,所以锂电池充电器通常都有较高的控制精密度,能够对锂离子电池进行恒流恒压充电。
锂电池充电器的工作原理是通过外接限流型充电电源和P沟道场效应管,对单节锂离子电池进行安全有效的快充。特点是在不使用电感的情况下仍能做到很低的功率耗散。充电控制精度达0.75%,可以实现预充电、过压保护和温度保护功能。当电池电压达到设定的门限时,充电器会进入脉冲充电方式。在充电结束时,LED指示灯将会按一定的周期闪烁。
锂电池充电器采用恒流恒压(CC-CV)充电模式,通过精准控制电流和电压,匹配锂离子电池的化学特性。
1.涓流预充:当电池电压低于3V时,以0.1C小电流恢复电池活性(C为电池容量,如1C=1000mA对应1000mAh电池)。
2.恒流充电:电池电压升至3V后,以0.2C-1.0C恒定电流快速充电,直至电压达到4.2V(单节电池标准)。
3.恒压充电:维持4.2V恒定电压,充电电流逐渐下降,避免过充风险。
4.充电终止:当电流降至设定值的1/10(通常0.02C-0.07C)或达到预设时间后自动停止充电。
充电电流为1A的TC4056充电板(TC4057构成的充电板的充电电流为0.5A),电路原理如图。
该充电IC是一款大电流的线性锂电池充电IC,工作电压典型值为5V(可以使用5V手机充电器作为充电电源),输出的充电终止电压为4.2V,最大充电电流为1A,且可以通过外置电阻来设定充电电流的大小。
图中,TC4056的②脚所接的电阻R3决定着锂电池充电电流的大小,若R3取值1.2KΩ,充电电流可达1A。
对于容量较小的锂电池,可以通过增大R3的阻值的方式来降低充电电流,R3取值为2KΩ时,充电电流为0.6A。
电路中的LED1和LED2分别为充满指示灯和充电指示灯,正常充电时,LED2指示灯点亮,当锂电池充满电后,LED1点亮,LED2熄灭。
这种成品的TC4056充电板一般都带有USB充电插口,在使用时只需要将5V手机充电器的输出通过充电线与USB插口连接,并将锂电池的正负极分别与充电板上的BAT+和BAT-端连接即可充电。
因为TC4056的充电输出端⑤脚内部为PMOS场效应管输出级,所以在使用时不需要再添加防倒流二极管,在没有5V充电电压时,即使锂电池与TC4056的⑤脚连接,也不会有电流倒流入IC内部。
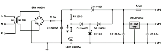
3.7v锂电池充电电路,电池是3.7v720mAh的,充电电路原理图如下,恒流、限压充电方式。
联系方式:邹先生
座机:0755-83888366-8022
手机:18123972950(微信同号)
QQ:2880195519
联系地址:深圳市龙华区英泰科汇广场2栋1902
搜索微信公众号:“KIA半导体”或扫码关注官方微信公众号
关注官方微信公众号:提供 MOS管 技术支持
免责声明:网站部分图文来源其它出处,如有侵权请联系删除。
