【MOSFET电路设计】开漏、开集电路讲解-KIA MOS管
信息来源:本站 日期:2022-04-26
在电路设计时我们常常遇到开漏(open drain)和开集(open collector)的概念。这两个概念到底是什么呢?下文给你带来详细介绍。
开漏(opendrain)介绍
开漏电路概念中提到的漏就是指MOSFET的漏极。同理,开集电路中的集就是指三极管的集电极。开漏电路就是指以MOSFET的漏极为输出的电路。
一般的用法是会在漏极外部的电路添加上拉电阻。完整的开漏电路应该由开漏器件和开漏上拉电阻组成。
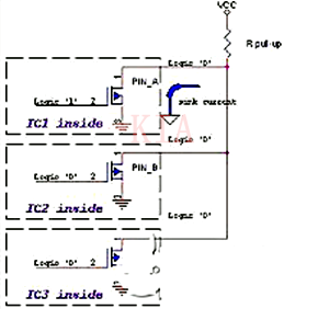
如下图所示:
组成开漏形式的电路特点 1.利用外部电路的驱动能力,减少IC内部的驱动。当IC内部MOSFET导通时,驱动电流是从外部的VCC流经Rpull-up,MOSFET到GND。IC内部仅需很小的栅极驱动电流。
2.可以将多个开漏输出的Pin,连接到一条线上。形成与逻辑关系。
如图1,当PIN_A、PIN_B、PIN_C任意一个变低后,开漏线上的逻辑就为0了。这也是I2C,SMBus等总线判断总线占用状态的原理。
3.可以利用改变上拉电源的电压,改变传输电平。IC的逻辑电平由电源Vcc1决定,而输出高电平则由Vcc2决定。这样我们就可以用低电平逻辑控制输出高电平逻辑了。
4.开漏Pin不连接外部的上拉电阻,则只能输出低电平。
5.标准的开漏脚一般只有输出的能力。添加其它的判断电路,才能具备双向输入、输出的能力。
开集(opencollector)介绍
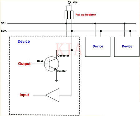
Open-collector/ Open-drain是用于多个device间使用一个连接线来双向(Bi-direcTIonally)通信的技术。
如图所示
因为Collector的pin没有和任何其他device连接所以叫Open Collector。BJT的情况叫做Open-Collector,MOSFET的情况叫做Open-drain。理论上BJT和MOSFET一样。
在input有high信号的话,transistor则为ON,此时Output和Groud形成通路使得Output输出为Low 在input有low信号的话,transistor则为OFF,此时Output为Hi-inpedence状态。
Hi-impedence的意思是阻抗很高,Low和High不能区别的状态。 所以一般情况下,Output会连接有一个Pull-up电阻,在input为low时,能把output的状态从Hi-impedence拉到High状态。
若是在bus线上有多个同样的Open-collector时,只要有一个open-collector的input为low,导致output为low,则引起bus上的状态为low。这样的bus线叫做wired-OR。
Open-collector因为Pull-up电阻,导致input为low时,output为High。在多个device间不会引起信号冲突。而不使用open-collector的话,多个device发送low或者high时,会引起短路。
开集(Open-collector)的特点
1. 多个device连接时,可以双方向传输(wire-OR)
2. Level不同的device之间也可以传输数据(5V的master可以给3V的slave传输数据) I2C就是使用此方法构造的。
I2C最初的操作就是发送一个slave address。发送后等待回应ACK 这时多个device中符合其slave地址的device会使其output为low来回应master,使得master判定此device为自己需要交换数据的device。
联系方式:邹先生
联系电话:0755-83888366-8022
手机:18123972950
QQ:2880195519
联系地址:深圳市福田区车公庙天安数码城天吉大厦CD座5C1
请搜微信公众号:“KIA半导体”或扫一扫下图“关注”官方微信公众号
请“关注”官方微信公众号:提供 MOS管 技术帮助
免责声明:本网站部分文章或图片来源其它出处,如有侵权,请联系删除。
