实亿国际

实亿国际

国家高新企业

cn

新闻中心

buck开关型调整器拓扑

实亿国际信息来源:本站 日期:2017-06-12 

分享到:

buck开关型调整器拓扑

基本工作原理:线性调整器串接晶体管的高损耗使它很难在输出大于SA的场合应用。因为高损耗要求大体积的散热器,而大体积的散热器及笨重的工频变压器与电路其他部件的集成小型化很不协调。这样的线性调整器输出负载的功率密度仅为0.2一0.3W/in3,不能满足电路系统小型化的要求。


取代线性调整器的开关型调整器早在20世纪60年代就开始应用。它将快速通断的晶体管置于输入与输出之间,通过调节通断比例(占空比)来控制输出直流电压的平均值。该平均电压由可调宽度的方波脉冲构成,方波脉冲的平均值就是直流输出电压。


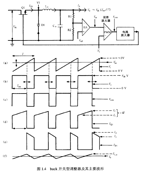
使用合适的LC滤波器可将方波脉冲平滑成无纹波直流输出,其值等于方波脉冲的平均值。整个电路采用输出负反馈,通过检测输出电压并结合负反馈控制占空比,稳定输出电压不受输入网压和负载变化的影响。目前这种开关型调整器功率密度可达l_4W/in3,而且可以获得与输入隔离的多组输出。它们无需工频变压器。有些DC/DC变换器功率密度可高达40-  50W/in3。图1.4所示为最早的开关型调整器-buck调整器。其中,开关器件Ql作为单JJ单掷开关与直流输入电压Vdc串联。在开关周期y内,Q1导通时间为To。。Q1导通时,Vl点电压为Vd。(设Ql导通,压降为零)。Ql关断时,Vl点电压迅速下降到零。若没有钳位二极管Dl(也称续流二极管)将其钳位于地,则Vl点电压波形会降得很负而损坏Ql。设此刻二极管Dl压降也为零,则Vl点电压波形为矩形波,如图1.4(b)所示,T。时段电压为Vd。,其余时段电压为零。该电压的直流值(或称平均值)为Vd。To。IT。L。C。滤波器接于Vl和Vo电压之间,它使输出点Vo成为幅值等于Vd。To。IT的无尖峰无纹波的直流电压。采样电阻Rl和R2检测输出电压Vo,并将其输入误差放大器(EA)与参考电压Vref进行比较。被放大的误差电压Ve:被输入到脉宽调整器(电压比较器)PWM。

实亿国际 图1.4  buck开关型调整器及其主要波形

PWM LC较器的另一个输入是周期为了的锯齿波,如图1.4(a)所示,其幅值一般为3V。PWM电压比较器产生矩形波脉冲,即图1.4(c)中的Vwm,它从锯齿波起点开始到锯齿波与误差放大器输出电压交点结束。因此,PWM输出的脉冲宽度To。与误差放大器输出电压成比例。

PWM脉冲输入到电流放大器并以负反馈方式控制开关管Ql的通断。其逻辑关系是:若输入电压Vdc稍升高,则EA输出电压Ve。将降低使锯齿波与Ve。交点提前,Ql导通时间


联系方式:邹先生

联系电话:0755-83888366-8022

手机:18123972950

QQ:2880195519

实亿国际 联系地址:深圳市福田区车公庙天安数码城天吉大厦CD座5C1


关注KIA半导体工程专辑请搜微信号:“KIA半导体”或点击本文下方图片扫一扫进入官方微信“关注”

长按二维码识别关注