实亿国际

实亿国际

国家高新企业

cn

新闻中心

基本开关型调整器

实亿国际信息来源:本站 日期:2017-06-12 

分享到:

基本开关型调整器


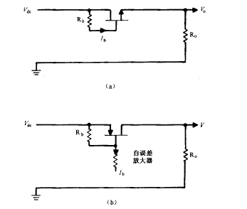
图1.3  (a)串接NPN型晶体管的线性调整器。若基极驱动由Vd,经Rb提供,则网压输入对应的纹波谷值电压与输出电压间必须存在最小压差以保证向内的基极驱动电流。(b)串接PNP型晶体管的线性调整器。使用PNP型晶体管时,所需基极电流不是取自Vd。,而是由基极向外流入电流放大器。Vd。不必比Va高2.5V,最小压差可以是0.5~I.OV串接PNP型晶体管的集成线性调整器现市场上有售,但价格很高。就集成电路制造工艺而言,在同样芯片上集成较大电流的PNP型晶体管比集成较小电流的NPN型晶体管更困难。


3000万彩票-追求健康,你我一起成长 乐发IV - welcome u284彩票- 欢迎您 实亿国际(中国区)官方网站 永兴集团yx06 5630彩票(中国区)官方网站 佰利乐·(中国区)有限公司官网 金彩汇 - welcome首页