MOS管保护电路实测与保护电路分析-KIA MOS管
信息来源:本站 日期:2020-11-30
功率MOS管自身拥有众多优点,但是MOS管具有较脆弱的承受短时过载能力,特别是在高频的应用场合,所以在应用功率MOS管对必须为其设计合理的保护电路来提高器件的可靠性。
功率MOS管保护电路主要有以下几个方面:
1.防止栅极 di/dt过高:
MOS管保护电路实测,分析:由于采用驱动芯片,其输出阻抗较低,直接驱动功率管会引起驱动的功率管快速的开通和关断,有可能造成功率管漏源极间的电压震荡,或者有可能造成功率管遭受过高的di/dt而引起误导通。
为避免上述现象的发生,通常在MOS驱动器的输出与MOS管的栅极之间串联一个电阻(R509),电阻的大小一般选取几十欧姆。该电阻可以减缓Rds从无穷大到Rds(on)(一般0.1欧姆或者更低)。若不加R509电阻,高压情况下便会因为mos管开关速率过快而导致周围元器件被击穿。
但R509电阻过大则会导致MOS管的开关速率变慢,Rds从无穷大到Rds(on)的需要经过一段时间,高压下Rds会消耗大量的功率,而导致mos管发热异常。该电阻上并联的二极管(D507)是在脉冲下降沿时起到对栅极放电的作用,使场效应管能快速截止,减少功耗。
2.防止栅源极间过电压:
由于栅极与源极的阻抗很高,漏极与源极间的电压突变会通过极间电容耦合到栅极而产生相当高的栅源尖峰电压,此电压会使很薄的栅源氧化层击穿,同时栅极很容易积累电荷也会使栅源氧化层击穿,所以要在MOS管栅极并联稳压管(图中D903)以限制栅极电压在稳压管稳压值以下,保护MOS管不被击穿,MOS管栅极并联电阻(图中R516)是为了释放栅极电荷,不让电荷积累。
3.防护漏源极之间过电压 :
虽然漏源击穿电压VDS一般都很大,但如果漏源极不加保护电路,同样有可能因为器件开关瞬间电流的突变而产生漏极尖峰电压,进而损坏MOS管,功率管开关速度越快,产生的过电压也就越高。为了防止器件损坏,通常采用齐纳二极管钳位(图中D901)和RC缓冲电路(图中C916,R926)等保护措施。
当电流过大或者发生短路时,功率MOS管漏极与源极之间的电流会迅速增加并超过额定值,必须在过流极限值所规定的时间内关断功率MOS管,否则器件将被烧坏,因此在主回路增加电流采样保护电路,当电流到达一定值,通过保护电路关闭驱动电路来保护MOS管。
4.电流采样保护电路
将经过mos管的电流通过采样电阻采样出来,然后将信号放大,将放大获得的信号和mcu给出的驱动信号经过或门控制驱动芯片的使能,在驱动电流过大时禁止驱动芯片输出,从而保护mos管回路。
MOS管保护电路实测,分析:MOS管的栅极和源极之间的电阻:
一是为场效应管提供偏置电压;二是起到泻放电阻的作用:保护栅极G-源极S;保护栅极G-源极S:场效应管的G-S极间的电阻值是很大的,这样只要有少量的静电就能使他的G-S极间的等效电容两端产生很高的电压,
如果不及时把这些少量的静电泻放掉,两端的高压就有可能使场效应管产生误动作,甚至有可能击穿其G-S极;这时栅极与源极之间加的电阻就能把上述的静电泻放掉,从而起到了保护场效应管的作用。
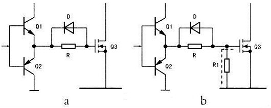
MOS管保护电路实测,分析:具体的例子:MOS管在开关状态工作时,Q1、Q2是轮流导通,MOS管栅极在反复充、放电状态,如果在此时关闭电源,MOS管的栅极就有两种状态:一种是放电状态,栅极等效电容没有电荷存储;另一个是充电状态,栅极等效电容正好处于电荷充满状态,如下图a所示。
虽然电源切断,此时Q1、Q2也都处于断开状态,电荷没有释放的回路,但MOS管栅极的电场仍然存在(能保持很长时间),建立导电沟道的条件并没有消失。这样在再次开机瞬间,由于激励信号还没有建立,而开机瞬间MOS管的漏极电源(V1)随机提供,在导电沟道的作用下,MOS管立刻产生不受控的巨大漏极电流Id,引起MOS管烧坏。
为了避免此现象产生,在MOS管的栅极对源极并接一只泄放电阻R1,如下图b所示,关机后栅极存储的电荷通过R1迅速释放,此电阻的阻值不可太大,以保证电荷的迅速释放,一般在五千欧至数十千欧左右。
灌流电路主要是针对MOS管在作为开关营运用时其容性的输入特性,引起“开”、“关”动作滞后而设置的电路,当MOS管作为其他用途,例如线性放大等应用时,就没有必要设置灌流电路。
R38电阻的作用是:
1.减缓Rds从无穷大到Rds(on)(一般0.1欧姆或者更低)。
2.若不加R38电阻,高压情况下便会因为mos管开关速率过快而导致周围元器件被击穿。但R38电阻过大则会导致MOS管的开关速率变慢,Rds从无穷大到Rds(on)的需要经过一段时间,高压下Rds会消耗大量的功率,而导致mos管发热异常。
R42电阻的作用是:
1.作为泄放电阻泄放掉G-S的少量静电,防止mos管产生误动作,甚至击穿mos管(因为只要有少量的静电便会使mos管的G-S极间的等效电容产生很高的电压),起到了保护mos管的作用。
2.为mos管提供偏置电压
联系方式:邹先生
联系电话:0755-83888366-8022
手机:18123972950
QQ:2880195519
联系地址:深圳市福田区车公庙天安数码城天吉大厦CD座5C1
请搜微信公众号:“KIA半导体”或扫一扫下图“关注”官方微信公众号
请“关注”官方微信公众号:提供 MOS管 技术帮助

