实亿国际

实亿国际

国家高新企业

cn

新闻中心

详解PWM驱动MOS管H桥电路分享-KIA MOS管

实亿国际信息来源:本站 日期:2020-11-30 

分享到:

详解PWM驱动MOS管H桥电路分享-KIA MOS管


PWM驱动MOS管H桥电路分析

PWM驱动MOS管H桥电路:H桥是一个典型的直流电机控制电路,因为它的电路形状酷似字母H,故得名与“H桥”。4个三极管组成H的4条垂直腿,而电机就是H中的横杠(注意:图中只是简略示意图,而不是完整的电路图,其中三极管的驱动电路没有画出来)。


PWM驱动MOS管H桥电路-H桥驱动原理

1.电机驱动

电路首先,单片机能够输出直流信号,但是它的驱动才能也是有限的,所以单片机普通做驱动信号,驱动大的功率管如Mos管,来产生大电流从而驱动电机,且占空比大小能够经过驱动芯片控制加在电机上的均匀电压到达转速调理的目的。


电机驱动主要采用N沟道MOSFET构建H桥驱动电路,H 桥是一个典型的直流电机控制电路,由于它的电路外形酷似字母 H,故得名曰“H 桥”。4个开关组成H的4条垂直腿,而电机就是H中的横杠。要使电机运转,必需使对角线上的一对开关导通,经过不同的电流方向来控制电机正反转,其连通电路如图所示。


PWM驱动MOS管H桥电路


2.H桥驱动原理

实践驱动电路中通常要用硬件电路便当地控制开关,电机驱动板主要采用两种驱动芯片,一种是全桥驱动HIP4082,一种是半桥驱动IR2104,半桥电路是两个MOS管组成的振荡,全桥电路是四个MOS管组成的振荡。


其中,IR2104型半桥驱动芯片能够驱动高端和低端两个N沟道MOSFET,能提供较大的栅极驱动电流,并具有硬件死区、硬件防同臂导通等功用。运用两片IR2104型半桥驱动芯片能够组成完好的直流电机H桥式驱动电路,而且IR2104价钱低廉,功用完善,输出功率相对HIP4082较低,此计划采用较多。


PWM驱动MOS管H桥电路


另外,由于驱动电路可能会产生较大的回灌电流,为避免对单片机产生影响,最好用隔离芯片隔离,隔离芯片选取有很多方式,如2801等,这些芯片常做控制总线驱动器,作用是进步驱动才能,满足一定条件后,输出与输入相同,可停止数据单向传输,即单片机信号能够到驱动芯片,反过来不行。


MOS管h桥电机驱动电路图

1.典型mos管H桥直流电机控制电路

电路得名于“H桥驱动电路”是由于它的外形酷似字母H。4个三极管组成H的4条垂直腿,而电机就是H中的横杠(留意:图1及随后的两个图都只是表示图,而不是完好的电路图,其中三极管的驱动电路没有画出来)。


如图所示,H桥式电机驱动电路包括4个三极管和一个电机。要使电机运转,必需导通对角线上的一对三极管。依据不同三极管对的导通状况,电流可能会从左至右或从右至左流过电机,从而控制电机的转向。


PWM驱动MOS管H桥电路


要使电机运转,必需使对角线上的一对三极管导通。例如,如图2所示,当Q1管和Q4管导通时,电流就从电源正极经Q1从左至右穿过电机,然后再经Q4回到电源负极。按图中电流箭头所示,该流向的电流将驱动电机顺时针转动。当三极管Q1和Q4导通时,电流将从左至右流过电机,从而驱动电机按特定方向转动(电机四周的箭头指示为顺时针方向)。


PWM驱动MOS管H桥电路


图3所示为另一对三极管Q2和Q3导通的状况,电流将从右至左流过电机。当三极管Q2和Q3导通时,电流将从右至左流过电机,从而驱动电机沿另一方向转动(电机四周的箭头表示为逆时针方向)。


PWM驱动MOS管H桥电路


PWM驱动MOS管H桥电路-使能控制和方向逻辑

驱动电机时,保证H桥上两个同侧的三极管不会同时导通十分重要。假如三极管Q1和Q2同时导通,那么电流就会从正极穿过两个三极管直接回到负极。


此时,电路中除了三极管外没有其他任何负载,因而电路上的电流就可能到达最大值(该电流仅受电源性能限制),以至烧坏三极管。基于上述缘由,在实践驱动电路中通常要用硬件电路便当地控制三极管的开关。


改良电路在根本H桥电路的根底上增加了4个与门和2个非门。4个与门同一个“使能”导通讯号相接,这样,用这一个信号就能控制整个电路的开关。


而2个非门经过提供一种方向输人,能够保证任何时分在H桥的同侧腿上都只要一个三极管能导通。(与本节前面的表示图一样,图4所示也不是一个完好的电路图,特别是图中与门和三极管直接衔接是不能正常工作的)



采用以上办法,电机的运转就只需求用三个信号控制:两个方向信号和一个使能信号。假如DIR-L信号为0,DIR-R信号为1,并且使能信号是1,那么三极管Q1和Q4导通,电流从左至右流经电机(如图5所示);假如DIR-L信号变为1,而DIR-R信号变为0,那么Q2和Q3将导通,电流则反向流过电机。


PWM驱动MOS管H桥电路


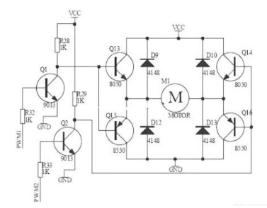
实践运用的时分,用分立元件制造H桥是很费事的,好在如今市面上有很多封装好的H桥集成电路,接上电源、电机和控制信号就能够运用了,在额定的电压和电流内运用十分便当牢靠。附两张分立元件的H桥驱动电路:


PWM驱动MOS管H桥电路





联系方式:邹先生

联系电话:0755-83888366-8022

手机:18123972950

QQ:2880195519

联系地址:深圳市福田区车公庙天安数码城天吉大厦CD座5C1


请搜微信公众号:“KIA半导体”或扫一扫下图“关注”官方微信公众号

请“关注”官方微信公众号:提供  MOS管  技术帮助

3000万彩票-追求健康,你我一起成长 乐发IV - welcome u284彩票- 欢迎您 实亿国际(中国区)官方网站 永兴集团yx06 5630彩票(中国区)官方网站 佰利乐·(中国区)有限公司官网 金彩汇 - welcome首页