实亿国际1500V2.5A仙童NDUL03N150C|规格书参数-KIA MOS管
实亿国际信息来源:本站 日期:2020-11-09
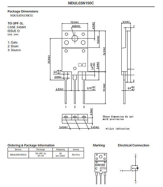
仙童NDUL03N150C,n沟道功率MOSFET,1500V2.5A,10.5Ω,TO-3PF-3L
导通电阻RDS(on)=8Ω(typ.)
输入电容Ciss=650pF(typ.)
10V 驱动





MOSFET主要参数:
1.开启电压VT
开启电压(又称阈值电压):使得源极S和漏极D之间开始形成导电沟道所需的栅极电压;标准的N沟道MOS管,VT约为3~6V;通过工艺上的改进,可以使MOS管的VT值降到2~3V。
2. 直流输入电阻RGS
即在栅源极之间加的电压与栅极电流之比这一特性有时以流过栅极的栅流表示MOS管的RGS可以很容易地超过1010Ω。
3. 漏源击穿电压BVDS
在VGS=0(增强型)的条件下 ,在增加漏源电压过程中使ID开始剧增时的VDS称为漏源击穿电压BVDS
ID剧增的原因有下列两个方面:
(1)漏极附近耗尽层的雪崩击穿
(2)漏源极间的穿通击穿
有些MOS管中,其沟道长度较短,不断增加VDS会使漏区的耗尽层一直扩展到源区,使沟道长度为零,即产生漏源间的穿通,穿通后,源区中的多数载流子,将直接受耗尽层电场的吸引,到达漏区,产生大的ID
4. 栅源击穿电压BVGS
在增加栅源电压过程中,使栅极电流IG由零开始剧增时的VGS,称为栅源击穿电压BVGS。
5. 低频跨导gm
在VDS为某一固定数值的条件下 ,漏极电流的微变量和引起这个变化的栅源电压微变量之比称为跨导;gm反映了栅源电压对漏极电流的控制能力;是表征MOS管放大能力的一个重要参数;一般在十分之几至几mA/V的范围内
6. 导通电阻RON
导通电阻RON说明了VDS对ID的影响 ,是漏极特性某一点切线的斜率的倒数
在饱和区,ID几乎不随VDS改变,RON的数值很大,一般在几十千欧到几百千欧之间
由于在数字电路中 ,MOS管导通时经常工作在VDS=0的状态下,所以这时的导通电阻RON可用原点的RON来近似
对一般的MOS管而言,RON的数值在几百欧以内
7. 极间电容
三个电极之间都存在着极间电容:栅源电容CGS 、栅漏电容CGD和漏源电容CDS
CGS和CGD约为1~3pF
CDS约在0.1~1pF之间
8. 低频噪声系数NF
噪声是由管子内部载流子运动的不规则性所引起的
由于它的存在,就使一个放大器即便在没有信号输入时,在输出端也出现不规则的电压或电流变化
噪声性能的大小通常用噪声系数NF来表示,它的单位为分贝(dB)
这个数值越小,代表管子所产生的噪声越小
低频噪声系数是在低频范围内测出的噪声系数
场效应管的噪声系数约为几个分贝,它比双极性三极管的要小
联系方式:邹先生
联系电话:0755-83888366-8022
手机:18123972950
QQ:2880195519
联系地址:深圳市福田区车公庙天安数码城天吉大厦CD座5C1
请搜微信公众号:“KIA半导体”或扫一扫下图“关注”官方微信公众号
请“关注”官方微信公众号:提供 MOS管 技术帮助

