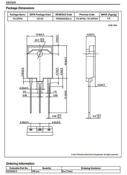
MOS管瑞萨2SK2225参数|MOSFET1500V2A高速功率转换-KIA MOS管
信息来源:本站 日期:2020-11-09
高速功率转换
高击穿电压(VDSS=1500V)
高速开关
驱动电流低
无二次击穿
适用于开关稳压器、DC-DC变换器
漏源电压VDSS 1500V
门源电压VGSS ±20V
漏极电流ID 2A
漏极峰值电流ID(脉冲)*1 7A
本体到漏极二极管反向漏极电流IDR 2A
通道耗散Pch*2 50W
通道温度Tch 150℃
储存温度Tstg -55 ~ +150℃







联系方式:邹先生
联系电话:0755-83888366-8022
手机:18123972950
QQ:2880195519
联系地址:深圳市福田区车公庙天安数码城天吉大厦CD座5C1
请搜微信公众号:“KIA半导体”或扫一扫下图“关注”官方微信公众号
请“关注”官方微信公众号:提供 MOS管 技术帮助

