实亿国际

实亿国际

国家高新企业

cn

新闻中心

实亿国际电压互感器-电压互感器的作用与接线方式、电压互感器异常与处理-KIA MOS管

信息来源:本站 日期:2019-07-11 

分享到:

电压互感器-电压互感器的作用与接线方式、电压互感器异常与处理

电压互感器

电压互感器和变压器类似,是用来变换线路上的电压的仪器。但是变压器变换电压的目的是为了输送电能,因此容量很大,一般都是以千伏安或兆伏安为计算单位;而电压互感器变换电压的目的,主要是用来给测量仪表和继电保护装置供电,用来测量线路的电压、功率和电能,或者用来在线路发生故障时保护线路中的贵重设备、电机和变压器,因此电压互感器的容量很小,一般都只有几伏安、几十伏安,最大也不超过一千伏安。


电压互感器


电压互感器的作用

1、电压互感器时隔离高电压,供继电保护、自动装置和测量仪表获取一次电压信息的传感器。把高电压按比例关系变换成100V或100/3V标准二次电压,供计量、仪表装置和继电保护使用。


2、同时使用电压互感器可以将高电压与电气工作人员隔离,保证设备和人身安全的作用。


电压互感器分类

1、按安装地点可分:户内式和户外式。35kV及以下多为户内式,35kV及以上多为户外式,其绝缘有明显差距。


2、按相数可分:单相式和三相式。10kV及以下采用三相式。


3、按绕组数可分:双绕组、三绕组和四绕组。


4、按绝缘方式可分:干式、浇注式、油浸式和气体式。


5、按工作原理可分为:电磁式、电容式和新型的光电式电压互感器。


其中电磁式可分为:三相式和单相式;三相式又可分:三相两柱式和两相五柱式。


电压互感器结构

1、油浸式电压互感器

油浸式电压互感器分为:单级式和串级式单级式,单级式可用于220kV及以下电压等级,串级式可用于66kV及以上电压的所有电压等级。


单级式其一二次绕组绕在共同的铁芯上,绝缘不分级,靠磁耦合实现能量转换。


串级式由多个匝数相同的一次绕组装在数量为绕组数一半的相同的铁芯上,自上而下排列,接于高压与地之间。


2、SF6气体绝缘电压互感器

SF6气体绝缘电压互感器由外壳、绝缘套管、铁芯、一、二次绕组以及安装附件组成。一次绕组一般采用宝塔形层式绕组,并按分级方式绕制;二次绕组为层式绕组,紧靠铁芯绕制,铁芯通常采用单相双柱叠片铁芯。


SF6气体绝缘电压互感器可以与GIS配套,也可以作为独立的SF6气体绝缘电压互感器。


3、浇注绝缘电压互感器

浇注绝缘采用不饱和树脂和环氧树脂。浇注绝缘电压互感器通常用于35kV电压等级,可做成户内、户外、接地、不接地等多种结构。

对于10kV开关柜内,几乎全部采用浇注式。


4、电容式电压互感器

电容式电压互感器的结构,按电容分压器和电磁单元的组合方式分为:分装式和单柱式两种。


电容分压器和电磁单元分别安装,电磁单元通过外部套管与电容分压器的中亚端子相互连接的方式称为分装式。


电容分压器和电磁单元上下组装在一起,二者在产品内部连接,称为单柱式。


电压互感器的工作原理

其工作原理与变压器相同,基本结构也是铁心和原、副绕组。特点是容量很小且比较恒定,正常运行时接近于空载状态。


电压互感器本身的阻抗很小,一旦副边发生短路,电流将急剧增长而烧毁线圈。为此,电压互感器的原边接有熔断器,副边可靠接地,以免原、副边绝缘损毁时,副边出现对地高电位而造成人身和设备事故。


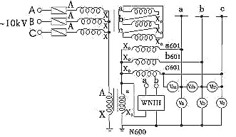
测量用电压互感器一般都做成单相双线圈结构,其原边电压为被测电压(如电力系统的线电压),可以单相使用,也可以用两台接成V-V形作三相使用。实验室用的电压互感器往往是原边多抽头的,以适应测量不同电压的需要。供保护接地用电压互感器还带有一个第三线圈,称三线圈电压互感器。三相的第三线圈接成开口三角形,开口三角形的两引出端与接地保护继电器的电压线圈联接。


正常运行时,电力系统的三相电压对称,第三线圈上的三相感应电动势之和为零。一旦发生单相接地时,中性点出现位移,开口三角的端子间就会出现零序电压使继电器动作,从而对电力系统起保护作用。


线圈出现零序电压则相应的铁心中就会出现零序磁通。为此,这种三相电压互感器采用旁轭式铁心(10KV及以下时)或采用三台单相电压互感器。对于这种互感器,第三线圈的准确度要求不高,但要求有一定的过励磁特性(即当原边电压增加时,铁心中的磁通密度也增加相应倍数而不会损坏)。


电压互感器是发电厂、变电所等输电和供电系统不可缺少的一种电器。精密电压互感器是电测试验室中用来扩大量限,测量电压、功率和电能的一种仪器。电压互感器和变压器很相像,都是用来变换线路上的电压。


线路上为什么需要变换电压呢?这是因为根据发电、输电和用电的不同情况,线路上的电压大小不一,而且相差悬殊,有的是低压220V和380V,有的是高压几万伏甚至几十万伏。要直接测量这些低压和高压电压,就需要根据线路电压的大小,制作相应的低压和高压的电压表和其他仪表和继电器。这样不仅会给仪表制作带来很大困难,而且更主要的是,要直接制作高压仪表,直接在高压线路上测量电压,那是不可能的,而且也是绝对不允许的。


电压互感器接线方法

1、单相接线常用于大接地电流系统判线路无压或同期,可以接任何一相,但另一判据要用母线电压的对应相。


电压互感器


2、接于两相电压间的一只电压互感器,主要用于小电流接地系统判线路无压或同期,因为小接地电流系统允许单相接地,如果只用一只单相对地的电压互感器,如果电压互感器正好在接地相时,该相测得对地电压为零,则无法检定线路是否却以无压,如果错判则可能造成非同期合闸。


电压互感器


3、V/V接线主要用于小接地电流系统的母线电压测量,它只要两只接于线电压的电压互感器就能完成三相电压的测量,节约投资。但该接线无法测量系统的零序电压。


电压互感器


4、星形接线和三角接线应用最多,常用于母线测量三相电压和零序电压。


电压互感器


5、中性点安装有消弧电压互感器的星形接线。在电流接地系统,当单相接地时允许继续运行2h,非接地相的电压上升为线电压,对于间隙性接地还有暂态过电压。


电压互感器


这可能造成电压互感器铁芯饱和,引起铁磁谐振,使系统产生谐振过电压,所以在小电流接地系统中电压互感器要考虑消谐问题。


6、用以检定同期或线路无压的线路电压互感器采用电容型或电压抽取装置。


电压互感器


电压互感器的注意事项

1.电压互感器在投入运行前要按照规程规定的项目进行试验检查。例如,测极性、连接组别、摇绝缘、核相序等。


2.电压互感器的接线应保证其正确性,一次绕组和被测电路并联,二次绕组应和所接的测量仪表、继电保护装置或自动装置的电压线圈并联,同时要注意极性的正确性。


3.接在电压互感器二次侧负荷的容量应合适,接在电压互感器二次侧的负荷不应超过其额定容量,否则,会使互感器的误差增大,难以达到测量的正确性。


4.电压互感器二次侧不允许短路。由于电压互感器内阻抗很小,若二次回路短路时,会出现很大的电流,将损坏二次设备甚至危及人身安全。电压互感器可以在二次侧装设熔断器以保护其自身不因二次侧短路而损坏。在可能的情况下,一次侧也应装设熔断器以保护高压电网不因互感器高压绕组或引线故障危及一次系统的安全。


5.为了确保人在接触测量仪表和继电器时的安全,电压互感器二次绕组必须有一点接地。因为接地后,当一次和二次绕组间的绝缘损坏时,可以防止仪表和继电器出现高电压危及人身安全。


6、电压互感器副边绝对不容许短路。


电压互感器的异常与处理

(一)常见异常

(1)三相电压指示不平衡:一相降低(可为零),另两相正常,线电压不正常,或伴有声、光信号,可能是互感器高压或低压熔断器熔断;


(2)中性点非有效接地系统,三相电压指示不平衡:一相降低(可为零),另两相升高(可达线电压)或指针摆动,可能是单相接地故障或基频谐振,如三相电压同时升高,并超过线电压(指针可摆到头),则可能是分频或高频谐振;


(3)高压熔断器多次熔断,可能是内部绝缘严重损坏,如绕组层间或匝间短路故障;


(4)中性点有效接地系统,母线倒闸操作时,出现相电压升高并以低频摆动,一般为串联谐振现象;若无任何操作,突然出现相电压异常升高或降低,则可能是互感器内部绝缘损坏,如绝缘支架绕、绕组层间或匝间短路故障;


(5)中性点有效接地系统,电压互感器投运时出现电压表指示不稳定,可能是高压绕组N(X)端接地接触不良。


(6)电压互感器回路断线处理。


(二)处理方法

1. 根据继电保护和自动装置有关规定,退出有关保护,防止误动作。


2. 检查高、低压熔断器及自动空气开关是否正常,如熔断器熔断、应查明原因立即更换,当再次熔断时则应慎重处理。


3.检查电压回路所有接头有无松动、断开现象,切换回路有无接触不良现象。


联系方式:邹先生

联系电话:0755-83888366-8022

手机:18123972950

QQ:2880195519

联系地址:深圳市福田区车公庙天安数码城天吉大厦CD座5C1


请搜微信公众号:“KIA半导体”或扫一扫下图“关注”官方微信公众号

请“关注”官方微信公众号:提供 MOS管 技术帮助