实亿国际MOS管对散热的要求很高,散热条件分为最低和最高,即在运行中的散热情况的上下...MOS管对散热的要求很高,散热条件分为最低和最高,即在运行中的散热情况的上下浮动范围。一般在选购的时候通常采用最差的散热条件为标准,这样在使用的时候就可以...
实亿国际MOS管最显著的特性是开关特性好,所以被广泛应用于需要电子开关的电路中,常见...MOS管最显著的特性是开关特性好,所以被广泛应用于需要电子开关的电路中,常见的如开关电源和马达驱动电路,也有照明调光。
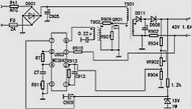
场效应管开关电源是利用现代电力电子技术,控制开关晶体管开通和关断的时间比率...场效应管开关电源是利用现代电力电子技术,控制开关晶体管开通和关断的时间比率,维持稳定输出电压的一种电源。从上世纪90年代以来开关电源相继进入各种电子、电器...
MOS管本身的输入电阻很高,而栅-源极间电容又非常小,所以极易受外界电磁场或静...MOS管本身的输入电阻很高,而栅-源极间电容又非常小,所以极易受外界电磁场或静电的感应而带电,而少量电荷就可在极间电容上形成相当高的电压(U=Q/C),将管子损坏...
实亿国际MOS管有用的管脚就是三个:源极、漏极、栅极。多余的管脚或者是同名管脚(在...MOS管有用的管脚就是三个:源极、漏极、栅极。多余的管脚或者是同名管脚(在内部和漏极、栅极相连,特别是有些大功率管),或者是空脚(没有内部连接,只起焊接...
Cds---漏-源电容 Cdu---漏-衬底电容 Cgd---栅-源电容 Cgs---漏-源电容 Cis...Cds---漏-源电容 Cdu---漏-衬底电容 Cgd---栅-源电容 Cgs---漏-源电容 Ciss---栅短路共源输入电容 Coss---栅短路共源输出电容 Crss---栅短路共源反向传输电...