MOS二极管在半导体器件在物理中占有极其重要的地位,因为它是研究半导体表面特...MOS二极管在半导体器件在物理中占有极其重要的地位,因为它是研究半导体表面特性最有用的器件之一.在实际应用中.它是先进集成电路中最重要的MOSFFT器件的枢纽....
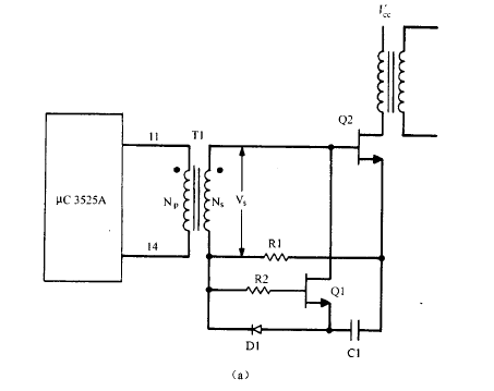
实亿国际线性电源的动态响应非常快,稳压性能好,只可惜其功率转换效率太低。要想提高效...线性电源的动态响应非常快,稳压性能好,只可惜其功率转换效率太低。要想提高效率,就必须使图 1-2中的功率调整器件(即调整管)处于开关上作状态,再对图1-2所示...
实亿国际MOSFET没有存储时间 ,只存一个关断延迟时间 。关断延迟时间是栅极电压从最高电...MOSFET没有存储时间 ,只存一个关断延迟时间 。关断延迟时间是栅极电压从最高电压(约为OV ) 下降到电压 Vd1 图 9.3 b所需的时间 。在这个时间段内漏极电流保持不...
MOSFET 管还有N个方法 ,就是设它的最大结点温度一一比如说可以将其设为 100℃...MOSFET 管还有N个方法 ,就是设它的最大结点温度一一比如说可以将其设为 100℃。然后假设一个合理的较低的 MOSFET 管结点到外壳的温升 ( 这样就小需里太低的外 壳...
它们大多应用于低功 率场合 ,这些电路通过各种方法来达到以 F两个目标 :①用...它们大多应用于低功 率场合 ,这些电路通过各种方法来达到以 F两个目标 :①用最少的元器件获得反向基极电压和反向基极电流,或者在关断和导通的过相巾将基极和发...
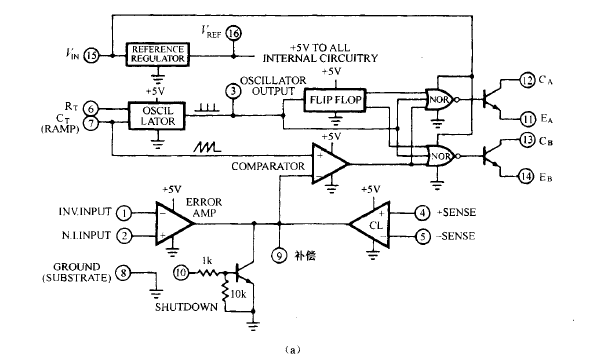
实亿国际如上所述 ,栅极驱动电路必须能输出电流 ,即成为 “ 源”。同时,为了提供栅极...如上所述 ,栅极驱动电路必须能输出电流 ,即成为 “ 源”。同时,为了提供栅极反向电 压,驱动电路必须能从栅极抽取电流 ,即成为 “ 汇”。大部分早期的 PWM 芯...