实亿国际式中:Vor为副边折射到原边的反射电压,当输入为AC 220V时反射电压为135V;Vmi...式中:Vor为副边折射到原边的反射电压,当输入为AC 220V时反射电压为135V;VminDC为整流后的ZD直流电压; VDS为MOSFET功率管导通时D与S极间电压,一般取10V。
开关电源工作经验 1. 变压器图纸、PCB、原理图这三者的变压器飞线位号需一致,...开关电源工作经验 1. 变压器图纸、PCB、原理图这三者的变压器飞线位号需一致,这是安规要求。很多工程师在申请安规提交资料时会犯这个错误。 2. X 电容的泄放电...
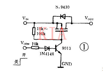
实亿国际MOSFET做开关管的知识:一般来讲,三极管是电流驱动的,MOSFET是电压驱动的,因为...MOSFET做开关管的知识:一般来讲,三极管是电流驱动的,MOSFET是电压驱动的,因为用CPLD来驱动这个开关,所以选择用MOSFET做,这样也可以节省系统功耗,在做开关管时有一...
发光二极管是电流控制元件,通过流过的电流,直接将电能转变为光能,故也称光电...发光二极管是电流控制元件,通过流过的电流,直接将电能转变为光能,故也称光电转换器。发光二极管是现代电子制作中常用的电子元件之一,它以其独特的优点深受人们...
实亿国际二极管就是把一个N型半导体和P型半导体叠放一起,N型P型是向半导体中掺入了不同...二极管就是把一个N型半导体和P型半导体叠放一起,N型P型是向半导体中掺入了不同的杂质,由于N型、P型半导体的导电特性,在二极管的电路中电流只能由N极向P极单向导...
限流电阻和分压电阻的区别是什么?外观上没区别,都是电阻,分压和限流是根据具...限流电阻和分压电阻的区别是什么?外观上没区别,都是电阻,分压和限流是根据具体场景来看的,元器件对电流有要求时,对电流设计时用电阻限流,同理元件对电压有要...