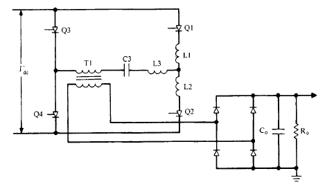
buck电流馈电全桥拓扑逐个根本工作原理这种拓扑如图 所示。它与图所示的 buck...buck电流馈电全桥拓扑逐个根本工作原理这种拓扑如图 所示。它与图所示的 buck 电压馈电全桥电路相似,同样没有输出电感。但还比 后电路少了 buck 滤波电容 Cl 。...
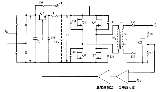
在开关调整器范畴 ,任何使输入电网电流为非正弦 ,或即便是正弦波但和正弦输入...在开关调整器范畴 ,任何使输入电网电流为非正弦 ,或即便是正弦波但和正弦输入电压 不同相位 ,或使输入电流具有谐波的电路构造都会降低功率因数从而产生功率损耗...
实亿国际关断霎时 ,上升的漏极电压上有漏感尖峰 。尖峰的数值由 RCD 缓冲器的电容 C2 ...关断霎时 ,上升的漏极电压上有漏感尖峰 。尖峰的数值由 RCD 缓冲器的电容 C2 控制。这个电容应选得足够大 ,既能限制漏感尖峰以保证开关管平安 ,又不 会使缓冲器...
减缓开关管电压的上升速度 ,缓冲器的另一个很重要的优点是减小了开关管的 均匀...减缓开关管电压的上升速度 ,缓冲器的另一个很重要的优点是减小了开关管的 均匀损耗,避免了二次击穿。二次击穿发作在电压 、电流经过基极反向偏置平安工作区的瞬...
谐振型半桥电路 和全桥电路是最有用的 SCR 电路。半桥电路仅用 两个额定有效值...谐振型半桥电路 和全桥电路是最有用的 SCR 电路。半桥电路仅用 两个额定有效值为 SOOY 、45A 的 SCR ( Marconi ACR25U08LG ),就能够从经过整流的220V交流电网上...
MOSFET管的内部构造中,漏源极之间存在一个固有的寄生二极管,如图9.18所示。体...MOSFET管的内部构造中,漏源极之间存在一个固有的寄生二极管,如图9.18所示。体二极管的极性能够阻止反向电压经过MOS阻T管,其正向电流接受才能和反向额定电压与M...