实亿国际

实亿国际

国家高新企业

cn

新闻中心

实亿国际双场效应管振荡电路图-(两种双场效应管振荡电路图分析)-KIA MOS管

信息来源:本站 日期:2018-07-06 

分享到:

(一)双场效应管振荡电路图

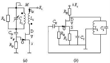
各种双场效应管振荡电路图晶体管振荡线路,都可以用场效应管构成,可以根据振荡原理导出用场效应管参数表示的振荡条件。

双场效应管振荡电路图

(a)互感耦合场效应管振荡器; (b) 电感反馈场效应管振荡器;

双场效应管振荡电路图

图 由场效应管构成的振荡器电路



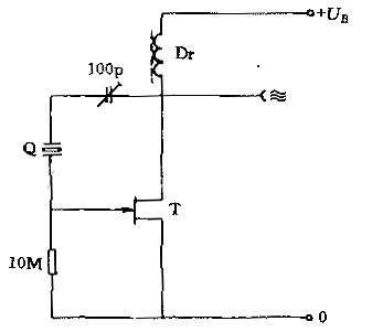
(二)双场效应管振荡电路图

该电路采用场效应晶体管,可构成性能极好的石英晶体振荡器电路。微调电容用于调整频率,扼流圈可根据频率范围选取,使ωL >20K Ω 。

双场效应管振荡电路图

联系方式:邹先生

联系电话:0755-83888366-8022

手机:18123972950

QQ:2880195519

联系地址:深圳市福田区车公庙天安数码城天吉大厦CD座5C1


请搜微信公众号:“KIA半导体”或扫一扫下图“关注”官方微信公众号

请“关注”官方微信公众号:提供  MOS管  技术帮助

                                                          双场效应管振荡电路图

双场效应管振荡电路图