场效管直流稳压电路图-场效管开关直流稳压电源电路详解-KIA MOS管
实亿国际信息来源:本站 日期:2018-07-02
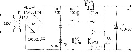
下图是该稳压器的原理图,其原理和普通串联型稳压器上午电源基本相同,不同的是使用了场效应作调整管,因不需大电流推动,所以使电路简化,成本降低,而稳压性能却有所提高。 图中电阻R1、RP、VD5、LED组成连续可调恒压源,为VT3基极提供基准电压。R1为限流电阻;RP为4.7K带开关电位器,VD5为9~10.5V稳压管;VD6为红色发光管;VD5与VD6的串联稳压值决定了稳压电源的最大输出电压;VD6还兼作电源指示和负载电流大小指示,一管多用,稳压电源工作电流越大时,发光管越暗。

图 场效管直流稳压电路图
场效管直流稳压电路图关直流稳压电源电路,能提供3~15 V直流电压,最大电流为150 mA,可满足小型电子设备的供电需要。
该开关直流稳压电源电路由整流滤波电路、开关控制电路和稳压电路组成,如图所示。

图采用场效应管的开关直流稳压电源电路
整流滤波电路由整流桥堆UR、整流二极管VD1、VD2和滤波电容C1、C3组成;场效管直流稳压电路图开关控制电路由电阻R2、R4、稳压二极管VS1和场效应晶体管VF组成;稳压电路由电阻R1、R3、R5、稳压二极管VS2、晶体管V、二极管VD3、滤波电容C2和三端稳压集成电路IC1、IC2组成。
交流220 V电压经UR整流、C3滤波后,一路经VD1、R2加至VF的漏极,另一路经VD2、R4加至VF的栅极,使VF导通。
刚接通电源时,RP中心抽头上的电压较低,VD3和V均处于截止状态,VF源极的输出电压开始对C2快速充电。当RP中心抽头上的电压升至一定值时,VD3和V均导通,使VF截止,停止对C2充电。
调节RP的阻值,即可改变C2的充电时间,从而调节输出电压的高低。
当需要稳定的+9V电压和+12 V电压时,可将C2两端电压调至15 V,该电压经IC1和IC2稳压后,即可产生+9V和+12 V电压。
该开关稳压电路无隔离措施,底板带电,使用时应注意安全。
联系方式:邹先生
联系电话:0755-83888366-8022
手机:18123972950
QQ:2880195519
联系地址:深圳市福田区车公庙天安数码城天吉大厦CD座5C1
请搜微信公众号:“KIA半导体”或扫一扫下图“关注”官方微信公众号
请“关注”官方微信公众号:提供 MOS管 技术帮助

