场效应管工作原路图-如何选用晶体三极管与场效应管的技巧-KIA MOS管
信息来源:本站 日期:2018-06-05
MOS场效应管也被称为MOSFET,既MetalOxideSemiconductorFieldEffectTransistor(金属氧化物半导体场效应管)的缩写。它一般有耗尽型和增强型两种。

本文使用的为增强型MOS场效应管,其内部结构见图5。它可分为NPN型PNP型。NPN型通常称为N沟道型,PNP型也叫P沟道型。由图可看出,对于N沟道的场效应管其源极和漏极接在N型半导体上,同样对于P沟道的场效应管其源极和漏极则接在P型半导体上。我们知道一般三极管是由输入的电流控制输出的电流。但对于场效应管,其输出电流是由输入的电压(或称电场)控制,可以认为输入电流极小或没有输入电流,这使得该器件有很高的输入阻抗,同时这也是我们称之为场效应管的原因。
场效应管的工作原理,我们先了解一下仅含有一个P—N结的二极管的工作过程。场效应管工作原理图如图6所示,我们知道在二极管加上正向电压(P端接正极,N端接负极)时,二极管导通,其PN结有电流通过。这是因为在P型半导体端为正电压时,N型半导体内的负电子被吸引而涌向加有正电压的P型半导体端,而P型半导体端内的正电子则朝N型半导体端运动,从而形成导通电流。同理,当二极管加上反向电压(P端接负极,N端接正极)时,这时在P型半导体端为负电压,正电子被聚集在P型半导体端,负电子则聚集在N型半导体端,电子不移动,其PN结没有电流通过,二极管截止。
对于场效应管(见图7),在栅极没有电压时,由前面分析可知,在源极与漏极之间不会有电流流过,此时场效应管处与截止状态(图7a)。当有一个正电压加在N沟道的MOS场效应管栅极上时,由于电场的作用,此时N型半导体的源极和漏极的负电子被吸引出来而涌向栅极,但由于氧化膜的阻挡,使得电子聚集在两个N沟道之间的P型半导体中(见图7b),从而形成电流,使源极和漏极之间导通。我们也可以想像为两个N型半导体之间为一条沟,栅极电压的建立相当于为它们之间搭了一座桥梁,该桥的大小由栅压的大小决定。图8给出了P沟道的MOS场效应管的工作过程,其工作原理类似这里不再重复。
下面简述一下用C-MOS场效应管(增强型MOS场效应管)组成的应用电路的工作过程(见图9)。电路将一个增强型P沟道MOS场效应管和一个增强型N沟道MOS场效应管组合在一起使用。当输入端为低电平时,P沟道MOS场效应管导通,输出端与电源正极接通。当输入端为高电平时,N沟道MOS场效应管导通,输出端与电源地接通。在该电路中,P沟道MOS场效应管和N沟道MOS场效应管总是在相反的状态下工作,其相位输入端和输出端相反。通过这种工作方式我们可以获得较大的电流输出。同时由于漏电流的影响,使得栅压在还没有到0V,通常在栅极电压小于1到2V时,MOS场效应管既被关断。场效应管工作原理图,不同场效应管其关断电压略有不同。也正因为如此,使得该电路不会因为两管同时导通而造成电源短路。
由以上分析我们可以画出原理图中MOS场效应管电路部分的工作过程(见图10)。工作原理同前所述。
场效应晶体管(FieldEffectTransistor缩写(FET))简称场效应管。一般的晶体管是由两种极性的载流子,即多数载流子和反极性的少数载流子参与导电,因此称为双极型晶体管,而FET仅是由多数载流子参与导电,它与双极型相反,也称为单极型晶体管。它属于电压控制型半导体器件,具有输入电阻高(108~109Ω)、噪声小、功耗低、动态范围大、易于集成、没有二次击穿现象、安全工作区域宽等优点,现已成为双极型晶体管和功率晶体管的强大竞争者。
场效应管分结型、绝缘栅型两大类。结型场效应管(JFET)因有两个PN结而得名,绝缘栅型场效应管(JGFET)则因栅极与其它电极完全绝缘而得名。目前在绝缘栅型场效应管中,应用最为广泛的是MOS场效应管,简称MOS管(即金属-氧化物-半导体场效应管MOSFET);此外还有PMOS、NMOS和VMOS功率场效应管,以及最近刚问世的πMOS场效应管、VMOS功率模块等。



按沟道半导体材料的不同,结型和绝缘栅型各分沟道和P沟道两种。若按导电方式来划分,场效应管又可分成耗尽型与增强型。结型场效应管均为耗尽型,绝缘栅型场效应管既有耗尽型的,也有增强型的。
场效应晶体管可分为结场效应晶体管和MOS场效应晶体管。而MOS场效应晶体管又分为N沟耗尽型和增强型;P沟耗尽型和增强型四大类。见下图。
现行有两种命名方法。第一种命名方法与双极型三极管相同,第三位字母J代表结型场效应管,O代表绝缘栅场效应管。第二位字母代表材料,D是P型硅,反型层是N沟道;C是N型硅P沟道。例如,3DJ6D是结型N沟道场效应三极管,3DO6C是绝缘栅型N沟道场效应三极管。
第二种命名方法是CS××#,CS代表场效应管,××以数字代表型号的序号,#用字母代表同一型号中的不同规格。例如CS14A、CS45G等。
场效应管的参数很多,包括直流参数、交流参数和极限参数,但一般使用时关注
以下主要参数:.
1、I DSS-饱和漏近电流。是指结型或耗尽型绝缘栅场效应管中,栅极电压U GS=O时的漏源电流。.
2、UP一夹断电压。是指结型或耗尽型绝缘栅场效应管中,使漏源间刚截止时的栅极电压。.
3、UT一开启电压。是指增强型绝缘栅场效管中,使漏源间刚导通时的栅极电 压。
4、GM一跨导。是表示栅源申压UGS-对漏极电流ID的控制能力,即漏极电流ID变化量与栅源电压U证变化量的比值。GM-是衡量场效应管放大能力的重要参数。
5、BUDS-漏源击穿电压。是指栅源电压UGS一定时,场效应管正常工作所能承受的最大漏近电压。这是一项极限参数,加在场效应管上的工作电压必须小于 BUDS。‘
6、PDSM-最大耗散功率。也是一项极限参数,是指场效应管性能不变坏时所允许的最大漏源耗散功率。使用时,场效应管实际功耗应小于PDSM并留有一定余量。.
7、IDSM一最大漏源电流。是一项极限参数,是指场效应管正常工作时,漏源间
所允许通过的最大电流。场效应管的工作电流不应超过IDSM
1、场效应管可应用于放大。由于场效应管放大器的输入阻抗很高,因此耦合电容可以容量较小,不必使用电解电容器。
2、场效应管很高的输入阻抗非常适合作阻抗变换。常用于多级放大器的输入级作阻抗变换。
3、场效应管可以用作可变电阻。
4、场效应管可以方便地用作恒流源。
5、场效应管可以用作电子开关。
1、结型场效应管的管脚识别
场效应管的栅极相当于晶体管的基极,源极和漏极分别对应于晶体管的发射极和集电极。将万用表置于R×1k档,用两表笔分别测量每两个管脚间的正、反向电阻。当某两个管脚间的正、反向电阻相等,均为数KΩ时,则这两个管脚为漏极D和源极S(可互换),余下的一个管脚即为栅极G。对于有4个管脚的结型场效应管,另外一极是屏蔽极(使用中接地)。
2、判定栅极
用万用表黑表笔碰触管子的一个电极,红表笔分别碰触另外两个电极。若两次测出的阻值都很小,说明均是正向电阻,该管属于N沟道场效应管,黑表笔接的也是栅极。
制造工艺决定了场效应管的源极和漏极是对称的,可以互换使用,并不影响电路的正常工作,所以不必加以区分。源极与漏极间的电阻约为几千欧。
注意不能用此法判定绝缘栅型场效应管的栅极。因为这种管子的输入电阻极高,栅源间的极间电容又很小,测量时只要有少量的电荷,就可在极间电容上形成很高的电压,容易将管子损坏。
3、估测场效应管的放大能力
将万用表拨到R×100档,红表笔接源极S,黑表笔接漏极D,相当于给场效应管加上1.5V的电源电压。这时表针指示出的是D-S极间电阻值。然后用手指捏栅极G,将人体的感应电压作为输入信号加到栅极上。由于管子的放大作用,UDS和ID都将发生变化,也相当于D-S极间电阻发生变化,可观察到表针有较大幅度的摆动。如果手捏栅极时表针摆动很小,说明管子的放大能力较弱;若表针不动,说明管子已经损坏。
由于人体感应的50Hz交流电压较高,而不同的场效应管用电阻档测量时的工作点可能不同,因此用手捏栅极时表针可能向右摆动,也可能向左摆动。少数的管子RDS减小,使表针向右摆动,多数管子的RDS增大,表针向左摆动。无论表针的摆动方向如何,只要能有明显地摆动,就说明管子具有放大能力。
本方法也适用于测MOS管。为了保护MOS场效应管,必须用手握住螺钉旋具绝缘柄,用金属杆去碰栅极,以防止人体感应电荷直接加到栅极上,将管子损坏。
MOS管每次测量完毕,G-S结电容上会充有少量电荷,建立起电压UGS,再接着测时表针可能不动,此时将G-S极间短路一下即可。
目前常用的结型场效应管和MOS型绝缘栅场效应管的管脚顺序如下图所示。
即金属-氧化物-半导体型场效应管,英文缩写为MOSFET(Metal-Oxide-SemiconductorField-Effect-Transistor),属于绝缘栅型。其主要特点是在金属栅极与沟道之间有一层二氧化硅绝缘层,因此具有很高的输入电阻(最高可达1015Ω)。它也分N沟道管和P沟道管,符号如图1所示。通常是将衬底(基板)与源极S接在一起。根据导电方式的不同,MOSFET又分增强型、耗尽型。所谓增强型是指:当VGS=0时管子是呈截止状态,加上正确的VGS后,多数载流子被吸引到栅极,从而“增强”了该区域的载流子,形成导电沟道。耗尽型则是指,当VGS=0时即形成沟道,加上正确的VGS时,能使多数载流子流出沟道,因而“耗尽”了载流子,使管子转向截止。
以N沟道为例,它是在P型硅衬底上制成两个高掺杂浓度的源扩散区N+和漏扩散区N+,再分别引出源极S和漏极D。源极与衬底在内部连通,二者总保持等电位。图1(a)符号中的前头方向是从外向里,表示从P型材料(衬底)指身N型沟道。当漏接电源正极,源极接电源负极并使VGS=0时,沟道电流(即漏极电流)ID=0。随着VGS逐渐升高,受栅极正电压的吸引,在两个扩散区之间就感应出带负电的少数载流子,形成从漏极到源极的N型沟道,当VGS大于管子的开启电压VTN(一般约为+2V)时,N沟道管开始导通,形成漏极电流ID。
国产N沟道MOSFET的典型产品有3DO1、3DO2、3DO4(以上均为单栅管),4DO1(双栅管)。它们的管脚排列(底视图)见图2。
MOS场效应管比较“娇气”。这是由于它的输入电阻很高,而栅-源极间电容又非常小,极易受外界电磁场或静电的感应而带电,而少量电荷就可在极间电容上形成相当高的电压(U=Q/C),将管子损坏。因此了厂时各管脚都绞合在一起,或装在金属箔内,使G极与S极呈等电位,防止积累静电荷。管子不用时,全部引线也应短接。在测量时应格外小心,并采取相应的防静电感措施。
(1).准备工作
测量之前,先把人体对地短路后,才能摸触MOSFET的管脚。最好在手腕上接一条导线与大地连通,使人体与大地保持等电位。再把管脚分开,然后拆掉导线。
(2).判定电极
将万用表拨于R×100档,首先确定栅极。若某脚与其它脚的电阻都是无穷大,证明此脚就是栅极G。交换表笔重测量,S-D之间的电阻值应为几百欧至几千欧,其中阻值较小的那一次,黑表笔接的为D极,红表笔接的是S极。日本生产的3SK系列产品,S极与管壳接通,据此很容易确定S极。
(3).检查放大能力(跨导)
将G极悬空,黑表笔接D极,红表笔接S极,然后用手指触摸G极,表针应有较大的偏转。双栅MOS场效应管有两个栅极G1、G2。为区分之,可用手分别触摸G1、G2极,其中表针向左侧偏转幅度较大的为G2极。
目前有的MOSFET管在G-S极间增加了保护二极管,平时就不需要把各管脚短路了。
MOS场效应晶体管在使用时应注意分类,不能随意互换。MOS场效应晶体管由于输入阻抗高(包括MOS集成电路)极易被静电击穿,使用时应注意以下规则:
(1).MOS器件出厂时通常装在黑色的导电泡沫塑料袋中,切勿自行随便拿个塑料袋装。也可用细铜线把各个引脚连接在一起,或用锡纸包装
(2).取出的MOS器件不能在塑料板上滑动,应用金属盘来盛放待用器件。
(3).焊接用的电烙铁必须良好接地。
(4).在焊接前应把电路板的电源线与地线短接,再MOS器件焊接完成后在分开。
(5).MOS器件各引脚的焊接顺序是漏极、源极、栅极。拆机时顺序相反。
(6).电路板在装机之前,要用接地的线夹子去碰一下机器的各接线端子,再把电路板接上去。
(7).MOS场效应晶体管的栅极在允许条件下,最好接入保护二极管。在检修电路时应注意查证原有的保护二极管是否损坏。
VMOS场效应管(VMOSFET)简称VMOS管或功率场效应管,其全称为V型槽MOS场效应管。它是继MOSFET之后新发展起来的高效、功率开关器件。它不仅继承了MOS场效应管输入阻抗高(≥108W)、驱动电流小(左右0.1μA左右),还具有耐压高(最高可耐压1200V)、工作电流大(1.5A~100A)、输出功率高(1~250W)、跨导的线性好、开关速度快等优良特性。正是由于它将电子管与功率晶体管之优点集于一身,因此在电压放大器(电压放大倍数可达数千倍)、功率放大器、开关电源和逆变器中正获得广泛应用。
众所周知,传统的MOS场效应管的栅极、源极和漏极大大致处于同一水平面的芯片上,其工作电流基本上是沿水平方向流动。VMOS管则不同,从左下图上可以看出其两大结构特点:第一,金属栅极采用V型槽结构;第二,具有垂直导电性。由于漏极是从芯片的背面引出,所以ID不是沿芯片水平流动,而是自重掺杂N+区(源极S)出发,经过P沟道流入轻掺杂N-漂移区,最后垂直向下到达漏极D。电流方向如图中箭头所示,因为流通截面积增大,所以能通过大电流。由于在栅极与芯片之间有二氧化硅绝缘层,因此它仍属于绝缘栅型MOS场效应管。
国内生产VMOS场效应管的主要厂家有877厂、天津半导体器件四厂、杭州电子管厂等,典型产品有VN401、VN672、VMPT2等。表1列出六种VMOS管的主要参数。其中,IRFPC50的外型如右上图所示。
(1).判定栅极G
将万用表拨至R×1k档分别测量三个管脚之间的电阻。若发现某脚与其字两脚的电阻均呈无穷大,并且交换表笔后仍为无穷大,则证明此脚为G极,因为它和另外两个管脚是绝缘的。
(2).判定源极S、漏极D
由图1可见,在源-漏之间有一个PN结,因此根据PN结正、反向电阻存在差异,可识别S极与D极。用交换表笔法测两次电阻,其中电阻值较低(一般为几千欧至十几千欧)的一次为正向电阻,此时黑表笔的是S极,红表笔接D极。
(3).测量漏-源通态电阻RDS(on)
将G-S极短路,选择万用表的R×1档,黑表笔接S极,红表笔接D极,阻值应为几欧至十几欧。
由于测试条件不同,测出的RDS(on)值比手册中给出的典型值要高一些。例如用500型万用表R×1档实测一只IRFPC50型VMOS管,RDS(on)=3.2W,大于0.58W(典型值)。
(4).检查跨导
将万用表置于R×1k(或R×100)档,红表笔接S极,黑表笔接D极,手持螺丝刀去碰触栅极,表针应有明显偏转,偏转愈大,管子的跨导愈高。
注意事项:
(1)VMOS管亦分N沟道管与P沟道管,但绝大多数产品属于N沟道管。对于P沟道管,测量时应交换表笔的位置。
(2)有少数VMOS管在G-S之间并有保护二极管,本检测方法中的1、2项不再适用。
(3)目前市场上还有一种VMOS管功率模块,专供交流电机调速器、逆变器使用。例如美国IR公司生产的IRFT001型模块,内部有N沟道、P沟道管各三只,构成三相桥式结构。
(4)现在市售VNF系列(N沟道)产品,是美国Supertex公司生产的超高频功率场效应管,其最高工作频率fp=120MHz,IDSM=1A,PDM=30W,共源小信号低频跨导gm=2000μS。适用于高速开关电路和广播、通信设备中。
(5)使用VMOS管时必须加合适的散热器后。以VNF306为例,该管子加装140×140×4(mm)的散热器后,最大功率才能达到30W
(1)场效应管是电压控制元件,而晶体管是电流控制元件。在只允许从信号源取较少电流的情况下,应选用场效应管;而在信号电压较低,又允许从信号源取较多电流的条件下,应选用晶体管。
(2)场效应管是利用多数载流子导电,所以称之为单极型器件,而晶体管是即有多数载流子,也利用少数载流子导电。被称之为双极型器件。
(3)有些场效应管的源极和漏极可以互换使用,栅压也可正可负,灵活性比晶体管好。
(4)场效应管能在很小电流和很低电压的条件下工作,而且它的制造工艺可以很方便地把很多场效应管集成在一块硅片上,因此场效应管在大规模集成电路中得到了广泛的应用。
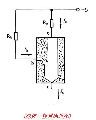
晶体三极管简称三极管,和场效应管一样,具有放大作用和开关特性的,是电子设备中的核心器件之一,应用十分广泛。三极管和场效应管虽然特性,外形相同,但是工作原理却大不一样,普通三极管是电流控制器件,二场效应管是电压控制器件。
晶体三极管:
用于电压放大或者电路放大的控制器件。可以把基极和集电极的间的电压Vbc放大到几十到几百倍以上,在发射集和集电极之间以Vce的方式输出;还可以把基极电流Ib放大β倍,然后在集电极以Ic形式输出。
场效应管:
原件要比晶体管小得多.晶体管就是一个小硅片.但是场效应管的结构要比晶体管的要复杂.场效应管的沟道一般是几个纳米,也就是说场效应管的“硅片”的制作更加复杂而且体积要比晶体管小的多.但是话又说回来.工业制造场效应管的集成电路要比晶体管的要简单得多.而且集成密度要比晶体管的要大得多.场效应管是电压控制电流的晶体管是电流控制电流型的.一般不可以直接代换的.除非稍微改变一下电路结构。
必须了解晶体管的类型和材料,常用的有NPN和PNP两种,这两种管工作时对电压的极性要求不同,所以是这两种晶体管是不能互相替换的。三极管额材料有锗材料和硅材料,它们之前最大的差异就是其实电压不一样。在放大电路中,假如使用同类型的锗管代替同类型的硅管,反之替换,一般都是可以的,但都要在基极偏置电压上进行必要的调整。因为他们的起始电压不一样,但是在脉冲电路和开关电路中不同材料的三极管是否能互换必须进行具体的分析,切不可盲目代换。
选取场效应管只要三步:
1.选择须合适的勾道(N沟道还是P沟道)
2.确定场效应管的额定电流,选好额定电流以后,还需计算导通损耗。
3.确定热要求,设计人员在设计时必须考虑到最坏和真实两种情况。一般建议采用针对最坏的结果计算,因为这个结果提供更大的安全余量,能够确保系统不会失效。
联系方式:邹先生
联系电话:0755-83888366-8022
手机:18123972950
QQ:2880195519
联系地址:深圳市福田区车公庙天安数码城天吉大厦CD座5C1
请搜微信公众号:“KIA半导体”或扫一扫下图“关注”官方微信公众号
请“关注”官方微信公众号:提供 MOS管 技术帮助