实亿国际

实亿国际

国家高新企业

cn

新闻中心

实亿国际开关电源电路图 解析开关电源电路图及工作原理(实物篇)KIA MOS管

信息来源:本站 日期:2018-04-23 

分享到:

LED恒流源电路图

作为大功率电源家族的新成员之一,LED恒流驱动电源是国内照明、家居等领域中的应用新星,对电路设计的可靠性要求也非常高。在今天的文章中,我们将会就一种高效、安全的LED恒流驱动大功率电源的电路设计过程进行详解和分析。

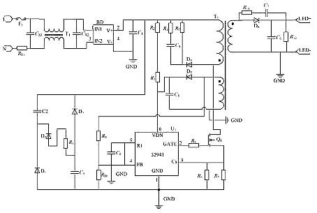
在该LED大功率电源的设计方案中,其电源主电路的设计图如下图图1所示:

LED恒流源电路图

图1 LED恒流驱动大功率电源电路图

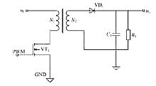
隔离反激式开关电源电路设计

在了解了这一LED恒流驱动电源的电路图后,接下来我们首先来看一下在该电源方案的设计中,应该如何进行隔离反激式开关电源电路的设计。在该大功率电源的设计方案中,隔离反激式电源的拓扑结构典型电路如图2所示。从图2中可以看到,当开关管VT1导通时,高频变压器T一次绕组的感应电压为上正下负,由于变压器的初级绕组和次级绕组的同名端相反,此时次级绕组的整流二极管VD1处于截止状态,初级绕组储存能量。当开关管VT1截止时,变压器初级绕组储存的能量通过次级绕组和VD1。整流和电容C1,滤波后向负载输出。

从这种隔离反激式开关电源电路的运行模式中可以得出结论,电源变压器在这个电路中有两个作用,即:当开关管导通时,变压器储存能量。当开关管截止时,变压器通过磁芯将能量传递给次级绕组,供给负载。这种拓扑结构的输出功率一般在100w以内,且有较好的电压调整率,如果需要精密控制输出电流,可以在输出回路串联采样电阻通过光耦反馈实现初级绕组和次级绕组的隔离。

LED恒流源电路图

图2 隔离反激式开关电源电路

开关变压器的选择与设计

与其他的开关电源一样,LED恒流驱动电源的变压器设计也同样是整个方案的核心所在,这种反激式的开关变压器在电路中起到两个作用:储能电感,当开关管导通时,初级绕组开始储存能量;当开关管截止时,初级绕组储存的能量通过磁芯传递给次级绕组。因此,该设计对于电感主要考虑的是是初级绕组的电感量和各绕组之间的匝数比。在计算这两个参数的同时,也涉及到电源的输入功率、输出功率、效率和开关频率等问题。在该LED大功率电源的设计方案中,整个电路的最大占空比为45%,效率预计为85%,输出功率为40×0.35—14w,开关频率为60kHz,经过理论计算并考虑裕量,本设计初级绕组的电感数值取1.5mH。根据测试结果,变压器的磁芯系数为88.7μH,所以有初级绕组的匝数为130匝。

在本方案中,我们采用的是基于最大占空比的方法来确定变压器匝数比。经过公式计算,当电源加到负载的电压40V时,再考虑输出二极管的压降0.6V。则变压器的匝数比为0.45,这里计算出来的结果是匝数比N的最小值。根据电感量的要求,初级绕组已经确定为130匝,则次级绕组的匝数为58.5匝,为了方便绕制,可将匝数取为60匝,匝数比N为0.46,对于反激式开关电源,最大占空比小于50%时,系统是固有稳定的,不用增加补偿电路。

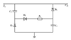
功率因数校正电路设计

由于LED恒流驱动电源的电路中经常采用电感和电容等元件,因此很容易引起相位漂移,所以功率因数比较低,一般不会超过0.6,这就需要工程师采用相应的措施来提高电路中的功率因数。在该设计方案中,我们所采用的是平衡半桥补偿电路法,来提升电路中的功率因数,其电路原理如图3所示。

LED恒流源电路图

图3 平衡半桥补偿电路图

在使用了平衡半桥补偿电路进行功率因数补偿设置后,该电路中的电容C1和C2采用10μF/400V的电解电容,两电容参数相同,通过电容的充放电作用,能够增加导通角,在正半周期可以将导通角扩展到30°至150°在负半周期可拓展到210°至330°。因此通过该电路可以将功率因数从0.6提高到0.85-0.9。

以上就是本文针对LED恒流驱动大功率电源的电路设计过程,所进行的简要分析和介绍,希望能够对各位设计研发人员的工作有所帮助。


LED驱动芯片,实际上是个PWM控制芯片,在组成电路正常工作后,通过后面电流检测电阻上检测LED的电流而得到的电压反馈到芯片,控制内部的PWM占空比,以适应LED自身特性变化而引起的电流、电压波动,使LED得到的电流保持恒定。


LED驱动器原理与作用

LED驱动器是指驱动LED发光或LED模块组件正常工作的电源调整电子器件。由于LED PN结的导通特性决定,它能适应的电源的电压和电流变动范围十分狭窄,稍许偏离就可能无法点亮LED或者发光效率严重降低,或者缩短使用寿命甚至烧毁芯片。现行的工频电源和常见的电池电源均不适合直接供给LED,LED驱动器就是这种可以驱使LED在最佳电压或电流状态下工作的电子组件。


1、由于LED是特性敏感的半导体器件,又具有负温度特性,LED驱动电源(也叫驱动器)就是在应用过程中对其进行稳定工作状态的保护。


2、LED器件对驱动电源的要求近乎于苛刻,LED不像普通的白炽灯泡,可以直接连接220V的交流市电。LED是低电压驱动,必须要设计复杂的变换电路,不同用途的LED灯,要配备不同的电源适配器。设计一款好的电源必须要综合考虑效率转换、有效功率、恒流精度、电源寿命、电磁兼容这些因数,因为电源在整个灯具中的作用就好比像人的心脏一样重要。


联系方式:邹先生

联系电话:0755-83888366-8022

手机:18123972950

QQ:2880195519

联系地址:深圳市福田区车公庙天安数码城天吉大厦CD座5C1


请搜微信公众号:“KIA半导体”或扫一扫下图“关注”官方微信公众号

请“关注”官方微信公众号:提供  MOS管  技术帮助

LED恒流源电路图

3000万彩票-追求健康,你我一起成长 乐发IV - welcome u284彩票- 欢迎您 实亿国际(中国区)官方网站 永兴集团yx06 5630彩票(中国区)官方网站 佰利乐·(中国区)有限公司官网 金彩汇 - welcome首页