实亿国际什么是nmos nmos工作原理 nmos和pmos有什么区别 KIA MOS管
实亿国际信息来源:本站 日期:2018-04-16
NMOS英文全称为N-Metal-Oxide-Semiconductor。意思为N型金属-氧化物-半导体,而拥有这种结构的晶体管我们称之为NMOS晶体管。MOS晶体管有P型MOS管和N型MOS管之分。由MOS管构成的集成电路称为MOS集成电路,由NMOS组成的电路就是NMOS集成电路,由PMOS管组成的电路就是PMOS集成电路,由NMOS和PMOS两种管子组成的互补MOS电路,即CMOS电路。
PMOS是指n型衬底、p沟道,靠空穴的流动运送电流的MOS管。
P沟道MOS晶体管的空穴迁移率低,因而在MOS晶体管的几何尺寸和工作电压绝对值相等的情况下,PMOS晶体管的跨导小于N沟道MOS晶体管。此外,P沟道MOS晶体管阈值电压的绝对值一般偏高,要求有较高的工作电压。它的供电电源的电压大小和极性,与双极型晶体管——晶体管逻辑电路不兼容。PMOS因逻辑摆幅大,充电放电过程长,加之器件跨导小,所以工作速度更低,在NMOS电路(见N沟道金属—氧化物—半导体集成电路)出现之后,多数已为NMOS电路所取代。只是,因PMOS电路工艺简单,价格便宜,有些中规模和小规模数字控制电路仍采用PMOS电路技术。
在实际项目中,我们基本都用增强型
mos管,分为N沟道和P沟道两种。我们常用的是NMOS,因为其导通电阻小,且容易制造。在MOS管原理图上可以看到,漏极和源极之间有一个寄生二极管。这个叫体二极管,在驱动感性负载(如马达),这个二极管很重要。顺便说一句,体二极管只在单个的MOS管中存在,在集成电路芯片内部通常是没有的。
NMOS的特性,Vgs大于一定的值就会导通,适合用于源极接地时的情况(低端驱动),只要栅极电压达到4V或10V就可以了。 PMOS的特性,Vgs小于一定的值就会导通,适合用于源极接VCC时的情况(高端驱动)。但是,虽然PMOS可以很方便地用作高端驱动,但由于导通电阻大,价格贵,替换种类少等原因,在高端驱动中,通常还是使用NMOS。
不管是NMOS还是PMOS,导通后都有导通电阻存在,这样电流就会在这个电阻上消耗能量,这部分消耗的能量叫做导通损耗。选择导通电阻小的MOS管会减小导通损耗。现在的小功率MOS管导通电阻一般在几十毫欧左右,几毫欧的也有。 MOS在导通和截止的时候,一定不是在瞬间完成的。MOS两端的电压有一个下降的过程,流过的电流有一个上升的过程,在这段时间内,MOS管的损失是电压和电流的乘积,叫做开关损失。通常开关损失比导通损失大得多,而且开关频率越高,损失也越大。 导通瞬间电压和电流的乘积很大,造成的损失也就很大。缩短开关时间,可以减小每次导通时的损失;降低开关频率,可以减小单位时间内的开关次数。这两种办法都可以减小开关损失。
跟双极性晶体管相比,一般认为使MOS管导通不需要电流,只要GS电压高于一定的值,就可以了。这个很容易做到,但是,我们还需要速度。 在MOS管的结构中可以看到,在GS,GD之间存在寄生电容,而MOS管的驱动,实际上就是对电容的充放电。对电容的充电需要一个电流,因为对电容充电瞬间可以把电容看成短路,所以瞬间电流会比较大。选择/设计MOS管驱动时第一要注意的是可提供瞬间短路电流的大小。
第二注意的是,普遍用于高端驱动的NMOS,导通时需要是栅极电压大于源极电压。而高端驱动的MOS管导通时源极电压与漏极电压(VCC)相同,所以这时栅极电压要比VCC大4V或10V。如果在同一个系统里,要得到比VCC大的电压,就要专门的升压电路了。很多马达驱动器都集成了电荷泵,要注意的是应该选择合适的外接电容,以得到足够的短路电流去驱动MOS管。
NMOS管组成的NMOS电路、PMOS管组成的PMOS电路及由NMOS和PMOS两种管子组成的互补MOS电路,即CMOS电路。
PMOS门电路与NMOS电路的原理完全相同,只是电源极性相反而已。
数字电路中MOS集成电路所使用的MOS管均为增强型管子,负载常用MOS管作为有源负载,这样不仅节省了硅片面积,而且简化了工艺利于大规模集成。常用的符号如图1所示。
金属-氧化物-半导体(Metal-Oxide-SemIConductor)结构的晶体管简称MOS晶体管,有P型MOS管和N型MOS管之分。MOS管构成的集成电路称为MOS集成电路,而PMOS管和NMOS管共同构成的互补型MOS集成电路即为CMOS集成电路。
由p型衬底和两个高浓度n扩散区构成的MOS管叫作n沟道MOS管,该管导通时在两个高浓度n扩散区间形成n型导电沟道。n沟道增强型MOS管必须在栅极上施加正向偏压,且只有栅源电压大于阈值电压时才有导电沟道产生的n沟道MOS管。n沟道耗尽型MOS管是指在不加栅压(栅源电压为零)时,就有导电沟道产生的n沟道MOS管。
NMOS集成电路是N沟道MOS电路,NMOS集成电路的输入阻抗很高,基本上不需要吸收电流,因此,CMOS与NMOS集成电路连接时不必考虑电流的负载问题。NMOS集成电路大多采用单组正电源供电,并且以5V为多。CMOS集成电路只要选用与NMOS集成电路相同的电源,就可与NMOS集成电路直接连接。不过,从NMOS到CMOS直接连接时,由于NMOS输出的高电平低于CMOS集成电路的输入高电平,因而需要使用一个(电位)上拉电阻R,R的取值一般选用2~100KΩ。
在一块掺杂浓度较低的P型硅衬底上,制作两个高掺杂浓度的N+区,并用金属铝引出两个电极,分别作漏极d和源极s。
然后在半导体表面覆盖一层很薄的二氧化硅(SiO2)绝缘层,在漏——源极间的绝缘层上再装上一个铝电极,作为栅极g。
在衬底上也引出一个电极B,这就构成了一个N沟道增强型MOS管。MOS管的源极和衬底通常是接在一起的(大多数管子在出厂前已连接好)。
它的栅极与其它电极间是绝缘的。
图(a)、(b)分别是它的结构示意图和代表符号。代表符号中的箭头方向表示由P(衬底)指向N(沟道)。P沟道增强型MOS管的箭头方向与上述相反,如图(c)所示。
(1)vGS对iD及沟道的控制作用
① vGS=0 的情况
从图1(a)可以看出,增强型MOS管的漏极d和源极s之间有两个背靠背的PN结。当栅——源电压vGS=0时,即使加上漏——源电压vDS,而且不论vDS的极性如何,总有一个PN结处于反偏状态,漏——源极间没有导电沟道,所以这时漏极电流iD≈0。
② vGS>0 的情况
若vGS>0,则栅极和衬底之间的SiO2绝缘层中便产生一个电场。电场方向垂直于半导体表面的由栅极指向衬底的电场。这个电场能排斥空穴而吸引电子。
排斥空穴:使栅极附近的P型衬底中的空穴被排斥,剩下不能移动的受主离子(负离子),形成耗尽层。吸引电子:将 P型衬底中的电子(少子)被吸引到衬底表面。
(2)导电沟道的形成
当vGS数值较小,吸引电子的能力不强时,漏——源极之间仍无导电沟道出现,如图1(b)所示。vGS增加时,吸引到P衬底表面层的电子就增多,当vGS达到某一数值时,这些电子在栅极附近的P衬底表面便形成一个N型薄层,且与两个N+区相连通,在漏——源极间形成N型导电沟道,其导电类型与P衬底相反,故又称为反型层,如图1(c)所示。vGS越大,作用于半导体表面的电场就越强,吸引到P衬底表面的电子就越多,导电沟道越厚,沟道电阻越小。
开始形成沟道时的栅——源极电压称为开启电压,用VT表示。
上面讨论的N沟道MOS管在vGS<VT时,不能形成导电沟道,管子处于截止状态。只有当vGS≥VT时,才有沟道形成。这种必须在vGS≥VT时才能形成导电沟道的MOS管称为增强型MOS管。沟道形成以后,在漏——源极间加上正向电压vDS,就有漏极电流产生。
vDS对iD的影响
如图(a)所示,当vGS>VT且为一确定值时,漏——源电压vDS对导电沟道及电流iD的影响与结型场效应管相似。
漏极电流iD沿沟道产生的电压降使沟道内各点与栅极间的电压不再相等,靠近源极一端的电压最大,这里沟道最厚,而漏极一端电压最小,其值为VGD=vGS-vDS,因而这里沟道最薄。但当vDS较小(vDS
随着vDS的增大,靠近漏极的沟道越来越薄,当vDS增加到使VGD=vGS-vDS=VT(或vDS=vGS-VT)时,沟道在漏极一端出现预夹断,如图2(b)所示。再继续增大vDS,夹断点将向源极方向移动,如图2(c)所示。由于vDS的增加部分几乎全部降落在夹断区,故iD几乎不随vDS增大而增加,管子进入饱和区,iD几乎仅由vGS决定。
N沟道增强型NMOS管的特性曲线、电流方程及参数
(1)特性曲线和电流方程
1)输出特性曲线
N沟道增强型NMOS管的输出特性曲线如图1(a)所示。与结型场效应管一样,其输出特性曲线也可分为可变电阻区、饱和区、截止区和击穿区几部分。
2)转移特性曲线
转移特性曲线如图1(b)所示,由于场效应管作放大器件使用时是工作在饱和区(恒流区),此时iD几乎不随vDS而变化,即不同的vDS所对应的转移特性曲线几乎是重合的,所以可用vDS大于某一数值(vDS>vGS-VT)后的一条转移特性曲线代替饱和区的所有转移特性曲线。
3)iD与vGS的近似关系
与结型场效应管相类似。在饱和区内,iD与vGS的近似关系式为
式中IDO是vGS=2VT时的漏极电流iD。
(2)参数
MOS管的主要参数与结型场效应管基本相同,只是增强型NMOS管中不用夹断电压VP ,而用开启电压VT表征管子的特性。
(1)结构:
N沟道耗尽型NMOS管与N沟道增强型MOS管基本相似。
(2)区别:
耗尽型MOS管在vGS=0时,漏——源极间已有导电沟道产生,而增强型NMOS管要在vGS≥VT时才出现导电沟道。
(3)原因:
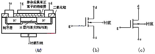
制造N沟道耗尽型MOS管时,在SiO2绝缘层中掺入了大量的碱金属正离子Na+或K+(制造P沟道耗尽型MOS管时掺入负离子),如图1(a)所示,因此即使vGS=0时,在这些正离子产生的电场作用下,漏——源极间的P型衬底表面也能感应生成N沟道(称为初始沟道),只要加上正向电压vDS,就有电流iD。
如果加上正的vGS,栅极与N沟道间的电场将在沟道中吸引来更多的电子,沟道加宽,沟道电阻变小,iD增大。反之vGS为负时,沟道中感应的电子减少,沟道变窄,沟道电阻变大,iD减小。当vGS负向增加到某一数值时,导电沟道消失,iD趋于零,管子截止,故称为耗尽型。沟道消失时的栅-源电压称为夹断电压,仍用VP表示。与N沟道结型场效应管相同,N沟道耗尽型MOS管的夹断电压VP也为负值,但是,前者只能在vGS<0的情况下工作。而后者在vGS=0,vGS>0,VP
(4)电流方程:
在饱和区内,耗尽型NMOS管的电流方程与结型场效应管的电流方程相同,即:
各种场效应管特性比较
联系方式:邹先生
联系电话:0755-83888366-8022
手机:18123972950
QQ:2880195519
联系地址:深圳市福田区车公庙天安数码城天吉大厦CD座5C1
请搜微信公众号:“KIA半导体”或扫一扫下图“关注”官方微信公众号
请“关注”官方微信公众号:提供 MOS管 技术帮助
