实亿国际制动控制电路图,制动控制电路原理-KIA MOS管
信息来源:本站 日期:2025-09-04
制动控制电路原理:
机械制动原理通过机械装置(如闸瓦、电磁抱闸)直接产生制动力矩,使电动机迅速停车。例如,电磁抱闸通过电磁铁控制闸瓦的闭合与松开,实现制动。
电气制动原理通过改变电流方向或引入反向磁场产生制动力矩,常见方法包括:
反接制动:通过改变电源相序产生与旋转方向相反的磁场,使电动机快速制动。
能耗制动:切断电源后,在定子绕组通入直流电,将动能转化为电能消耗。
再生制动:将电动机作为发电机运行,将动能转化为电能回馈电网。
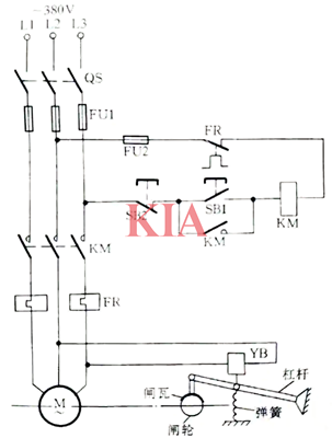
电磁抱闸制动控制
电磁抱闸主要由两部分组成,即制动电磁铁和闸瓦制动器。电磁抱闸制动的控制线路与抱闸原理如图所示。
当按下按钮SB1,接触器KM线圈获电动作,电动机通电,电磁抱闸的线圈YB也通电,铁芯吸引衔铁而吸合,同时衔铁克服弹簧拉力,迫使制动杠杆向上移动,从而使制动器的闸瓦与闸轮松开,电动机正常运转。
当按下停止按钮SB2,接触器KM线圈断电释放,电动机的电源被切断时,电磁抱闸的线圈也同时断电,衔铁释放,在弹簧拉力的作用下使闸瓦紧紧抱住闸轮,电动机就迅速被制动停转。
异步电动机反接制动
异步电动机在改变它的电源相序后,就可以进行反接制动。这是因为当相序改变后,电动机定子的旋转磁场反向,则电动机产生的转矩和原来的转矩相反,所以起制动作用异步电动机反接制动线路如图所示。

当按下按钮SB1,接触器KMI吸合,使电动机带动速度继电器SR一起旋转。当速度达到额定转速后SR常开触点闭合,做好制动准备。
当按下SB2停止按钮后,KMI1断电,其常闭触点闭合,SR在电动机惯性作用下触点仍然闭合,这时,KM2吸合,电动机反接制动。
当电动机转速下降直至停止时,SR断开,KM2释放,制动完毕。
电动机单向反接制动控制电路图
图中KM1为电动机单向运行接触器,KM2为反接制动接触器,KS为速度继电器,R为反接制动电阻。启动电动机时,合上电源开关,按下SB2,KM1线圈通电并自锁,主触点闭合,电动机全压启动,当与电动机有机械连接的速度继电器KS转速超过其动作值140r/min 时,其相应触点闭合,为反接制动作准备。停止时按下停止按钮SB1,SB1常闭触点断开,使KM1线圈断电释放,KM1主触点断开,切断电动机原相序三相交流电源,电动机仍以惯性高速旋转。当将停止按钮SB1按到底时,其常开触点闭合,使KM2线圈通电并自锁,电动机定子串入三相对称电阻接入反相序三相交流电源进行反接制动,电动机转速迅速下降。当转速下降到KS释放转速即100r/min时,KS释放,KS常开触点复位,断开KM2线圈电路,KM2断电释放,主触点断开电动机反相序交流电源,反接制动结束,电动机自然停车至零。
联系方式:邹先生
座机:0755-83888366-8022
手机:18123972950(微信同号)
QQ:2880195519
联系地址:深圳市龙华区英泰科汇广场2栋1902
搜索微信公众号:“KIA半导体”或扫码关注官方微信公众号
关注官方微信公众号:提供 MOS管 技术支持
免责声明:网站部分图文来源其它出处,如有侵权请联系删除。
