反激电源拓扑,反激拓扑结构原理-KIA MOS管
实亿国际信息来源:本站 日期:2025-07-15
反激型电路的结构简单,广泛适用于各种功率为数瓦~数十瓦的小功率开关电源,在各种家电、计算机设备、工业设备中广泛使用的小功率开关电源中基本上都采用的是反激型电路。
反激变换器拓扑可由buck-boost拓扑演变而来,如图buck-boost电路:
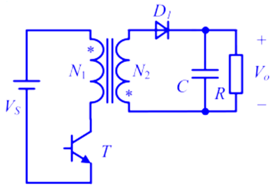
升降压电路由电感周期性的充能和放能过程维持均匀的电压输出,且输出电压与输入电压极性相反。将升降压电路中的电感替换成互相耦合的电感N1和N2(也就是变压器)就是反激拓扑。反激电路中的变压器既有隔离变压的作用,又有储能电感的作用:
1.不需要输出滤波电感器,可以减小电源面积和降低成本;变压器的次级已经起到了输出滤波电感器的作用。
2.次级电源输出不需要高压续流二极管,更有利于高压场合应用。
3.适用于高电压,小功率应用场合。
反激拓扑工作过程如下,波形如图所示。
1.当Q1导通时:原边绕组Np同名端的电压相对于异名端为负,副边绕组Nsm也是异名端电压高于同名端,整流二极管D2反偏截止,输出电容器C0单独向负载供电;此时Np相当于一个储能电感器;
流过Np的电流线性上升并达到幅值Ip,根据公式:dI/dt=(Vdc-Vds)/Lp,可得在开关管导通结束之前最大电流为Ip=(Vdc-Vds)*Ton/Lp,那么变压器储存的能量:E =1/2*Lp*I2p。
2.当Q1关断时:励磁电感电流使各绕组电压反向,副边绕组的电流回路打开并提供给滤波电容器C0和负载,假设只有一个副边绕组:Nm,则在关断瞬间变压器电流幅值Is = Ip*(Np/Nm);
对于变压器本身来说,没有原边和副边之分,对磁芯来说是同等的,所以当Q1关断时,并非一定要在原边绕组产生电流才能释放能量,而副边绕组电流同样可以释放能量,这是变压器能够传递能量的根本原因。
3.若副边电流在下一个周期开始前下降到0,则变压器存储的能量在Q1再次导通前已全部传输给负载端,变压器工作在不连续模式,在一个周期T内输入电压Vdc提供的功率:P =1/2*Lp* I2p /T;因为Ip=(Vdc-Vds)Ton/Lp;那么P ≈(Vdc*Ton)2/(2*T*Lp),保持Vdc和Ton稳定,可保持输出稳定。
联系方式:邹先生
座机:0755-83888366-8022
手机:18123972950(微信同号)
QQ:2880195519
联系地址:深圳市龙华区英泰科汇广场2栋1902
搜索微信公众号:“KIA半导体”或扫码关注官方微信公众号
关注官方微信公众号:提供 MOS管 技术支持
免责声明:网站部分图文来源其它出处,如有侵权请联系删除。
