应急电源电路,led应急灯电路原理图-KIA MOS管
信息来源:本站 日期:2025-06-17
led应急灯在正常情况下,应急灯处于待机状态,由电源供电。一旦正常供电中断,应急灯会自动切换到备用电源上工作。备用电源通常为蓄电池或超级电容器。当主电源中断后,应急灯通过电路检测到信号,并将备用电源接通,使灯泡或led发光,以提供紧急照明。
为了实现自动切换和控制,应急灯通常配备了智能控制电路和传感器。传感器可以检测到主电源故障,并发送信号给控制电路。控制电路根据接收到的信号,控制电源切换和灯光的开关。在正常供电恢复后,应急灯会自动切换回主电源,并恢复待机状态进行充电。
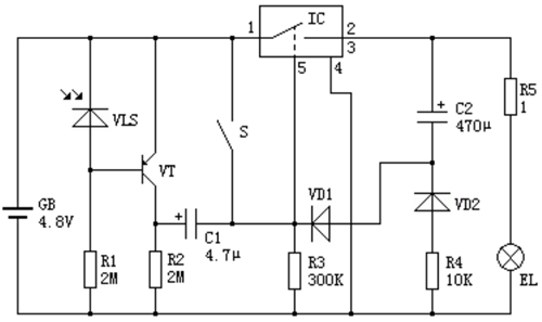
自动应急灯电路由光控灯电路、电子开关电路和延时照明电路组成。在白天或晚上有灯光时,光敏二极管VLS受光照射而呈低阻状态,VT截止,IC内部的电子开关因⑤脚电压为0V而处于关短状态,EL不亮。此时整机的耗电极低。当夜晚光线由强逐渐变弱时,VLS的内阻也开始缓慢的增大,VT由截止转入导通状态,R2_ 上的电压也逐渐增大,但由于C1的隔直流作用,此缓慢变化的电压仍不能使IC的⑤脚电压高于1.6V, 故EL仍不会点亮。
若晚上关灯或停电时,光线突然变得很弱,则VLS呈高阻状态,VT迅速饱和导通,在R2_上产生较大的电压降。由于C1.上电压不能突变,故在IC的⑤脚上产生一个大于1.6V的触发电压,使IC内部的电子开关接通, EL通电点亮。与此同时, +4.8V电压通过R3、VD1和IC对C2充电,以保证即使VT截止,IC的⑤脚仍会有1.6V 以上的电压,IC内部的电子开关仍维持接通状态,EL仍维持点亮。随着C2的充电,IC的⑤脚电压逐渐降低,当该电压低于1.6V时,IC内部的电子开关关断,EL熄灭,C2通过R5、EL、R4和VD2放电,为下次工作做准备。若将S接通,该应急灯可用于停电时的连续照明。
应急灯在某些情况下非常重要,传统的应急灯采用荧光灯管作为光源,因此最多可提供2小时至3小时的照明。当我们使用白色 LED 代替荧光灯管时,它的发光时间大约可达 7 小时。
电路由降压变压器(9-0-9V)构成,降压后的交流电压由1安培桥式整流器(也可以使用桥式整流模块)进行整流,与电阻R1连接的LED给出有关输出直流电压的状态桥式整流器。通过使用正调节器 IC 7808,可以调节直流电压,并将该调节后的电源馈入光传感电路。光传感电路使用普通的5mm LDR来检测光线,该LDR 在感觉亮时提供低电阻,在感觉暗时提供高电阻,LDR 的感应电平可以通过VR1 10KΩ 可变电阻来改变。
在白天,LDR 允许通过它向 Q1 晶体管基极供电,因此 Q1 晶体管导通并将 MOSFET 栅极端子接地,从而使 LED 阵列与直流偏置接地电源断开。当黑暗条件到来时,LDR 会阻止电流流过它,以便 Q1 晶体管基极接收不会导通晶体管的最小电压。因此,Q1 晶体管保持关闭状态,集电极和发射极之间没有电流流动,发射极开路。 MOSFET 的栅极端没有电压,因此漏极和源极端子之间产生电流,从而使 LED 阵列发光,断电时将电池(6 V,4.5Ah)跨接在偏压上,由电池提供电源到电路。
联系方式:邹先生
座机:0755-83888366-8022
手机:18123972950(微信同号)
QQ:2880195519
联系地址:深圳市龙华区英泰科汇广场2栋1902
搜索微信公众号:“KIA半导体”或扫码关注官方微信公众号
关注官方微信公众号:提供 MOS管 技术支持
免责声明:网站部分图文来源其它出处,如有侵权请联系删除。
