实亿国际继电器和mos管开关选择,区别应用-KIA MOS管
信息来源:本站 日期:2025-05-28
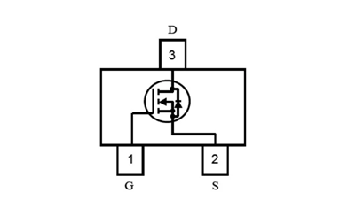
MOS管由G:gate 栅极、S:source 源极、D:drain漏极三部分组成,栅极G电压的变化会调节绝缘栅氧化物层下形成的沟道的导电性,进而控制漏极D和源极S之间的电流流动。当G极和S极的压满足一定条件时,MOS管可处于导通或闭合,利用这个特性,MOS管也是开关器件的选择之一。
继电器由线圈、触点和机械部件组成。当Control Switch闭合时,触发继电器的电磁线圈产生磁场,使其吸引或释放触点(RelayContacts),从而实现开关操作(使电源Power Source与负载Load 导通)。

响应速度和功耗
MOS管:由于其电子开关的特性,MOS管的开关速度非常快,通常在纳秒级别,适合高频操作。在导通状态下,MOS管的内阻较小,功耗较低。
继电器:由于采用机械结构,继电器的响应速度较慢,通常在毫秒级别。继电器在导通状态下会有一定的功耗,但由于其机械结构的特点,功耗相对较高。
寿命和可靠性
MOS管:作为固态器件,MOS管没有机械磨损问题,因此寿命较长,可靠性较高。其寿命通常比继电器更长。
继电器:由于机械触点的存在,继电器会因频繁开关操作而导致触点磨损和接触不良,从而影响其寿命和可靠性。继电器的寿命相对较短。
控制方式和应用场景
MOS管:控制方式相对复杂,需要适当的驱动电路来确保其完全导通或关断。由于其快速响应和低功耗的特点,MOS管广泛应用于需要高频操作的场合,如数字电路、功率放大器等。
继电器:控制方式相对简单,直接由低电压电路控制。
MOS管:电压/电流承载能力弱,但耗能低,开关速度快,寿命长,12V/48V低压辅助电池的 BMS。
继电器:开关速度慢,寿命短,但电压/电流承载能力强,适用于400V/800V BMS。
联系方式:邹先生
座机:0755-83888366-8022
手机:18123972950(微信同号)
QQ:2880195519
联系地址:深圳市龙华区英泰科汇广场2栋1902
搜索微信公众号:“KIA半导体”或扫码关注官方微信公众号
关注官方微信公众号:提供 MOS管 技术支持
免责声明:网站部分图文来源其它出处,如有侵权请联系删除。
