两相步进电机驱动电路,原理图分享-KIA MOS管
信息来源:本站 日期:2025-05-23
两相步进电机驱动电路是通过H桥电路来控制电机的两个相位的电流方向,实现电机的旋转和定位。两相步进电机通常有两个相位,分别称为A相和B相。H桥电路由四个开关(如MOSFET管)和四个续流二极管组成,分别控制A相和B相的电流方向。
二相步进电机的驱动方式
单极性驱动:在这种方式下,电机的一相始终接地,另一相通过正负电源供电。单极性驱动的步距角较大,通常为3.6°或7.2°。
双极性驱动:在这种方式下,电机的两相都通过双极性电源供电。双极性驱动的步距角较小,通常为1.8°或0.9°。双极性驱动需要更复杂的驱动电路,但能提供更精细的控制和更高的效率。
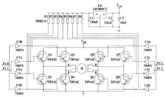
二相步进电机的单极性和双极性2种驱动电路设计都采用了单片机AT89S52作为控制器,由达林顿功率管TIP142组成的电路作为驱动器,电路结构简单。
单极性驱动电路图
双极性驱动电路图
联系方式:邹先生
座机:0755-83888366-8022
手机:18123972950(微信同号)
QQ:2880195519
联系地址:深圳市龙华区英泰科汇广场2栋1902
搜索微信公众号:“KIA半导体”或扫码关注官方微信公众号
关注官方微信公众号:提供 MOS管 技术支持
免责声明:网站部分图文来源其它出处,如有侵权请联系删除。
