实亿国际多路控制的开关电路图,工作原理详解-KIA MOS管
实亿国际信息来源:本站 日期:2025-05-22
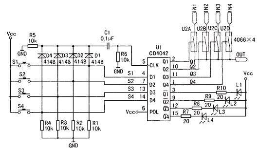
多路开关电路可以通过使用简单的电线轻松制作,但这里使用IC CD4042。该 IC 可以通过提供时钟脉冲在四个输出上锁存,因此我们将在四个不同位置使用四个不同按钮控制交流灯。
执行多路切换的方法有很多种。在此电路中,使用CD4042四通道触发器IC。我们使用非稳定模式下的NE555定时器IC为CD4042 IC的时钟输入端子供电。
有四个数据引脚(D0,D1,D2,D3),四个输出引脚(Q0,Q1,Q2,Q3)和四个反相输出引脚(Q0',Q1',Q2',Q3')。从这些中,我们使用数据引脚D0及其输出引脚Q0和Q0',简单地说,只使用IC的一个触发器。
每当四个开关中的任何一个向数据引脚D0提供逻辑时,它都会在Q0上给出输出高电平,在Q0'上给出低电平输出。然后将继电器模块连接到 Q0 输出引脚 2。当继电器触发时,灯泡或灯打开并保持ON状态,直到松开开关。您可以打开灯,为什么按下四个开关中的任何一个,这些开关实际上设置在不同的位置。通过松开按下的用于打开灯泡的相同开关,灯将关闭。
无需在电路中使用按钮,您可以使用Push On和OFF按钮在特定状态下锁存输出。
多路自锁互锁电子开关电路
使用PMOS场管做电子开关,比较适合大电流输出。下面是使用PMOS场管的多路自锁互锁电子开关:
电路里R3 、R7 、R11取100K以上的电阻,100K ~ 1M 间选取,要求不高。
R1 、R5 、R9 、R13取值在33 ~ 47K 间。
PMOS 场管要用低导通电阻、低导通电压的。
这个电路是用来做音频切换的,贴图:
联系方式:邹先生
座机:0755-83888366-8022
手机:18123972950(微信同号)
QQ:2880195519
联系地址:深圳市龙华区英泰科汇广场2栋1902
搜索微信公众号:“KIA半导体”或扫码关注官方微信公众号
关注官方微信公众号:提供 MOS管 技术支持
免责声明:网站部分图文来源其它出处,如有侵权请联系删除。
