金卤灯电子镇流器原理,电路图分享-KIA MOS管
信息来源:本站 日期:2025-05-21
金卤灯是一种节能高强度放电灯,金卤灯通常需要使用镇流器,才能正常工作。金卤灯镇流器可以将市电的交流电转换成高频电流,并通过变压器将电压变换为适合金卤灯工作的电压。同时,金卤灯镇流器还能够保护灯泡,避免因为过电压而导致的损坏。
电子镇流器工作原理
电子镇流器通过工频电源依次经过多个组件将其转化为高频交流电源,这个过程可以分为几个关键步骤。首先,工频电源会依次经过射频干扰滤波器、全波整流器以及无源/有源功率因数校正器,这一系列处理后,它被转化为直流电源。接下来,这个直流电源再经过直流/交流变换器,从而被转换为高频交流电源。利用此电源加热灯丝并激发灯管发光。在此过程中,电容器会产生谐振高压,促使灯管从导通状态转变为发光状态,为灯管提供其正常工作所需的关键电压和电流。此外,电子镇流器还可以配备诸如异常保护、电流保护和温度保护等保护电路,以满足各种特定的功能需求。
镇流器电路设计包含整流、控制、功率输出等组件,具有高频滤波功能。
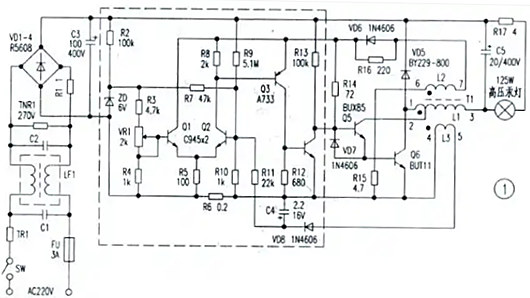
下图展示了功率输出部分的设计,它采用了一个自激式功率振荡电路的构架。此构架使用变压器和晶体管实现对电路的精确控制,其中电子镇流器模块中含有防止噪声的装置。电路中还包含了TRi、C1、C2、LF1等组件,它们共同构成了高频滤波电路,旨在阻止外部噪声的干扰,同时也有助于防止噪声向外扩散。
电路具有优良的恒功率特性,当输入电压在180V-240V变化时,灯功率变化小于2%,图像亮度和色彩很稳定。
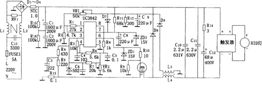
市电220V电压经D1-D4整流,C1、C2滤波后,产生310V直流电压。此电压经V1斩波,在AB两端可得到约100V的直流电压,作为HID灯的工作电雁。此电压的产生过程是:当lC-6输出脉冲为高电平时,开关管V1导通,310V电压产生的电流流经AB(HID灯)两端、稳流电感L4、开关管V1、检流电阻R13和地构成回路,给灯供电,同时使电感L4储能,产生感应电势,极性右正左负,使回路电流线性增长。当电流达到设定值时,lC-6输出脉冲变为低电平,使V1关闭,截断回路电流,L4感应电势极性反转(左正右负),并释放能量,产生电流由正极流向D8,经灯回到负极,使灯电流持续不断。当L4上存储能量释放完毕时,驱动脉冲又使V1导通,重复上述过程。
控制电路采用性能优良的电流型PWM开关电源控制芯片UC3842。电路中没有单独为其设置电源电路。在启动之初,其工作电压由电阻R11从310V电压降压取得;启动以后,则从与L4绕在一起的L3上感应的电压经D9整流、C9滤波取得。该电压还作为灯电压的取样电压,经VR1和R2分压以后,送到IC-2脚,经lC内部误差放大器放大后,去控制IC-6脚输出的脉冲宽度,调节输出电压大小,实现稳压功能。
灯电流的控制,由电流取样电阻R13进行检测取压,送到IC-3脚,经IC内部比较后,去控制lC-6脚输出脉冲宽度,自动调节输出电流大小,达到稳流目的。
灯电压和灯电流的大小,可通过微调VR1和VR2加以设定。
若灯两端发生短路或开路,通过上述的电流反馈和电压反馈环路,将信号送给lC,使输出脉冲关闭,V1截止,开关电路停止工作,实现自保。
联系方式:邹先生
座机:0755-83888366-8022
手机:18123972950(微信同号)
QQ:2880195519
联系地址:深圳市龙华区英泰科汇广场2栋1902
搜索微信公众号:“KIA半导体”或扫码关注官方微信公众号
关注官方微信公众号:提供 MOS管 技术支持
免责声明:网站部分图文来源其它出处,如有侵权请联系删除。
