PWM调速器电路图,直流电机pwm调速-KIA MOS管
实亿国际信息来源:本站 日期:2025-05-14
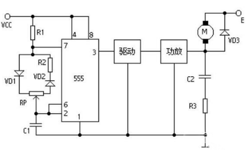
它是一个占空比可调的脉冲震荡器。电机M是用它的输出脉冲驱动的。
脉冲的占空比越大(导通时间越长),则电机的驱动电流越大,转速快;
脉冲的占空比越小(导通时间越短),则点击的驱动电流越小,转速慢。
因此可以条件RP控制占空比,从而调节电机的转速。
如果电机的工作电流小于200mA,则可以用NE555第3引脚直接驱动;如果电机需要更大的驱动电流,应增加驱动和功放级,以便匹配电机的输出功率。
图中VD3是续流二极管,在功放管截止(关断)期间为电机驱动电流提供通路,既保证驱动电流的连续性,又可以防止电机线圈的自感反向电动势损坏功放管。
图中C2和电阻R3是补偿网络,它可以使负载呈现出电阻性质。
整个电路的脉冲频率在3~5KHz之间;频率太低电机会抖动,太高会因占空比范围太小使得电机调速范围减小。
如图所示为有刷直流电机PWM调速器的实物图。
该电路工作电压范围5V--30V,输出电流3A;该电路的PWM是由应用广泛的555定时器做的。

工作过程:
①右旋旋钮,开关闭合,5V经过R2,D2和RP1(1-2)给C3充电,C3电压上升到触发电平后触发翻转;
②触发翻转后7脚放电端对地导通,C3通过RP1(2-3)、D3和R4对地放电,C3电压下降到复位电平后触发翻转;
③触发翻转后7脚放电端对地阻断,C3再次充电,回到第1步的动作,周而复始;
④调节旋钮,既是在调节充放电时间达到调节占空比的目的,而振荡频率(或振荡周期)是不会改变的。
充放电时间和频率计算:
ton(充电时间)= 0.693 × [R2+RP1(1-2)] × C3
toff(放电时间)= 0.693 × [R4+RP1(2-3)] × C3
fw(振荡频率)= 1/T = 1/(ton+toff)
PWM的占空比越大(导通时间越长),则电机的有效电压越高,转速越快。
联系方式:邹先生
座机:0755-83888366-8022
手机:18123972950(微信同号)
QQ:2880195519
联系地址:深圳市龙华区英泰科汇广场2栋1902
搜索微信公众号:“KIA半导体”或扫码关注官方微信公众号
关注官方微信公众号:提供 MOS管 技术支持
免责声明:网站部分图文来源其它出处,如有侵权请联系删除。
