实亿国际电动车控制器原理图详解-KIA MOS管
信息来源:本站 日期:2025-05-06
电动车控制器的主要作用就是用来控制电动车电机的,需要控制包括电机启动、电机转速、刹车断电等。
1.控制器电源电路图
电动车电池电压多是36V以上,控制器主要核心部件是单片机和各类数字电路芯片以及功率开关MOS管,需要一个较低的电压。
电源电路
78L15和78L05共同构成电源电路,分别给数字电路提供5V和功率MOS管提供15V控制极电压。
2.电池欠压和过流保护电路
电池电压被放电到太低、放电电流过大都将损坏电池。
电池欠压和过流保护电路
电池电压D+经R2和R3并联后与R4串联分压,得到的电压被送入单片机AN1进行ADC电压检测,当电池电压过低时禁止电机转动。
电机电流回路经R55取样之后被送入运放,一路经运放比较后送入单片机中断实现过流关断;一路经运放放大后送入ANO进行实时电流检测。
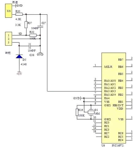
3.转把调速和限速电路
转把调速和限速电路
转把接口接的是线性霍尔或者电位器,它反馈回来的电压信号被送入AN3检测,计算转把扭转角度,控制电动车速度;限速接口是一个跳线开关,它被短接时R33被接入电路,控制输入AN3的电压。
4.刹车断电电路
电动车在刹车时电机必须断电,否则将造成电能浪费和刹车困难。
刹车断电电路
刹车时,H点被接入一个电压,它经电阻分压后被送入AN4检测确定是否是刹车动作。
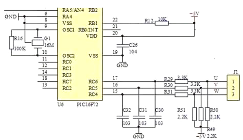
5.无刷电机控制电路
电动车无刷电机共有三个线圈,需要6个功率MOS管组成换流器,循序控制MOS管导通才能让电机转起来。
无刷电机控制示意图
MOS管导通需符合循序:AH、BL一组;AH、CL一组;BH、CL一组;BH、AL一组;CH、AL一组;CH、BL一组。
电机控制电路
RB4,RB3,RB2三个单片机管脚分别是控制换流器上管的PWM信号RB6,RB5,RB4分别是控制换流器下管的PWM信号。
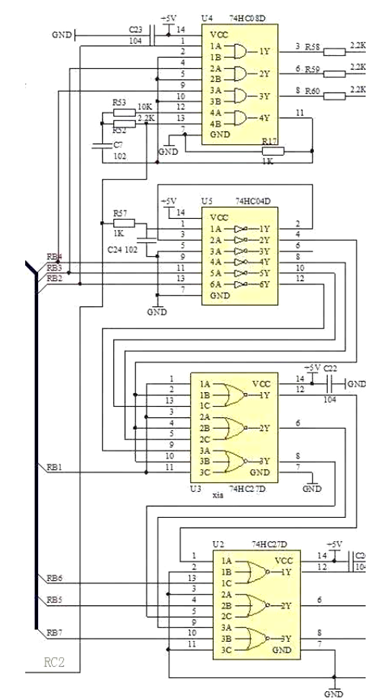
74系列数字电路芯片
可以看到电路中还有4个74系列数字电路芯片它们是干什么用的呢?
U4(74HC08D)是一个4路与门,当RC2引脚输出低电平时,PWM将无效。
U5(74HC04D)是一个反相器,U3(74HC27D)和U2是一个三路与或门,它们三个共同组成由RB1电平控制总开关的PWM输出和禁止MOS同时导通电路。
MOS管驱动电路
数字电路芯片输出的信号并不适合直接导通MOS管,所以需要MOS管驱动电路。
6.霍尔传感器电路
霍尔传感器电路
图中的J1接口接的是安装在电机上的霍尔传感器,它用来确定电机转子位置,以控制输出电机驱动PWM信号。
联系方式:邹先生
座机:0755-83888366-8022
手机:18123972950(微信同号)
QQ:2880195519
联系地址:深圳市龙华区英泰科汇广场2栋1902
搜索微信公众号:“KIA半导体”或扫码关注官方微信公众号
关注官方微信公众号:提供 MOS管 技术支持
免责声明:网站部分图文来源其它出处,如有侵权请联系删除。
