实亿国际自激式开关电源电路,单管自激电路图分享-KIA MOS管
信息来源:本站 日期:2025-04-23
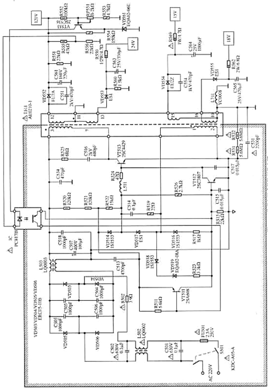
自激式单管开关电源中的开关管既可以采用三极管,也可以采用场效应管,这里采用的是三极管。开关管VT513起着开关及振荡的双重作用,省去了控制电路(一般没有专用电源控制芯片)。
自激振荡的过程:接通电源后,220V市电电压经VD503~VD506整流、C507滤波,在滤波电容C507两端得到近300V直流电压,通过开关变压器T511的3-7绕组加到开关管VT513的集电极。
同时该电压还经启动电阻R520~R522、R524为VT513的基极提供启动电流,使VT513导通。T511绕组3-7中有电流通过并感应出3正、7负的感应电压,同时1-2反馈绕组也感应出1正、2负的正反馈电压,该电压经R519、C514、R524加至VT513的基极,使VT513迅速饱和导通。
随着C514充电电压的升高,VT513基极电位逐渐变低,致使VT513退出饱和区,厶开始减小,在T511的1-2绕组感应出1负、2正相位相反的电压,使VT513迅速截止。VT513截止后,T511的1-2绕组中没有感应电压,300V直流供电输入电压又经R520~R522给C514反向充电,逐渐提高VT513基极电位,使其重新导通,再次翻转达到饱和状态,电路就这样重复振荡下去。
从开关变压器T511的同名端(T511中的小圆点)可以看出,这是一个反激型开关电源,也就是说,当开关管VT513导通时,开关变压器T511的3-7 -次绕组感应电压为3正、7负,而二次绕组11-12感应电压为11正、12负,整流二极管VD552处于截止状态,在一次绕组3-7中储存能量。当开关管VT513截止时,变压器T511 -次绕组3-7中存储的能量,通过二次绕组及VD552整流和电容C561滤波后向负载输出。
自激式单管开关电源的启动电阻一般由几只电阻组成(如本例中的R520—R522),启动电阻的一端一般接300V直流端,另一端接开关管的基极,以便为开关管提供基极电流。
自激式开关电源与他激式开关电源相比,稳压控制原理是一致的,都是通过控制开关管的导通时间来实现稳压的。稳压电路的形式也是一致的,既有直接取样稳压电路,又有间接取样稳压电路。
需要说明的是,自激式开关电源由于没有电源控制芯片,因此,稳压电路元器件较多,电路稍复杂,对于本例,稳压电路主要由VT553、VD561、R552、RP551、R553、VT511.IC、VT512及周边元器件组成,取样方式为直接取样,具体稳压过程如下。
当由于负载变轻等原因使开关电源输出电压120V上升时,取样电路R552、RP551、R553的分压增高,误差放大管VT553的基极电位上升,由于发射极被VD561钳位,于是VT553的集电极电位降低,流过光电耦合器IC内发光二极管的电流增大,发光强度增大,导致其中光敏三极管集电极、发射极间电阻减小,即开关管VT511的基极、集电极间电阻下降,使VT511的基极电位下降,集电极电压升高,使VT512导通量增大,开关管VT513的基极被分流,控制开关管VT513导通时间减小,即VT513提前截止(脉宽减小),输出电压下降。反之则结果相反。
自激式开关电源一般不采用开关电源控制芯片,其保护电路一般也由分立元器件组成,本例中,设有以下保护电路。
(1)市电输入电压过高保护
该保护电路由VD518、VD519、R523及VT512组成。市电电压正常时VD518、VD519对VT512工作状态没有影响;当市电电压过高时,300V电压升高,变压器T511的3~7绕组的电流将增大,反馈绕组1端感应的正电压随之升高,当1端电压升到一定值时,通过VD518使VD519工作在击穿状态,此时,T511的1端正反馈电压经VD518、VD519、R523和VT512的发射极短路到地,使正反馈停止,VD513停振,从而起到市电电压过压保护的作用。
(2)电源电路输出电压过压保护
当120V主电压输出过高时,负载电压使光电耦合器IC发光二极管发光强度大增,使光敏三极管集电极、发射极间电阻大大降低,从而使VT512饱和导通,导致VT513的基极接地而停振,电源无输出。
联系方式:邹先生
座机:0755-83888366-8022
手机:18123972950(微信同号)
QQ:2880195519
联系地址:深圳市龙华区英泰科汇广场2栋1902
搜索微信公众号:“KIA半导体”或扫码关注官方微信公众号
关注官方微信公众号:提供 MOS管 技术支持
免责声明:网站部分图文来源其它出处,如有侵权请联系删除。
