双向电平转换电路工作原理-KIA MOS管
信息来源:本站 日期:2025-04-14
双向电平转换电路的核心组件是NMOS和上拉电阻。双向电平转换电路通过NMOS的导通与截止实现不同电压域信号的双向传输,利用寄生二极管和上拉电阻完成电平匹配。
NMOS管电平转换电路
原理分析:
1、当S(即TXD_1V8)输出高电平时,MOS管Q4的Vgs=0,MOS管关闭,D(即UART1_RXD)被电阻R42上拉到3.3V;
2、当S(即TXD_1V8)输出低电平时,MOS管Q4的Vgs=1.8V,大于导通电压阈值,MOS管导通,Net2通过MOS管被拉低到低电平;
3、当D(即UART1_RXD)输出高电平时,MOS管Q4的Vgs不变,MOS管维持关闭状态,S(即TXD_1V8)被电阻R37上拉到1.8V;
4、当D(即UART1_RXD)输出低电平时,MOS管Q4不导通,MOS管先经过体二极管把S(即TXD_1V8)拉低到低电平,此时Vgs≈1.8V,MOS管导通,进一步拉低S(即TXD_1V8)的电压。
注意事项:
1、高电压>低电压–0.7V,否则在D→S传输高电平时会出现问题,即Vs=Vd+0.7,此时的Vs
2、需要注意MOS管的Vgs导通电压,一般涉及到1.8V的电路需要注意器件选型;
3、PMOS管只能实现单向的电平转换,不能双向。
NMOS双向电路特点:
由于双向NMOS电路的电导电阻较大,适用于低频信号电平转换,并且价格低廉。NMOS双向电路设计的制造成本较低,因此价格相对较低。导通后压降比小于三极管。因此在一些需对电压要求高的应用场景中,NMOS电路更适合。正反双向导通,相当于机械开关。双向NMOS电路可以实现相当于机械开关的正反双向电导,因此在一些需要频繁切换的应用场景中,双向NMOS电路也具有优势。
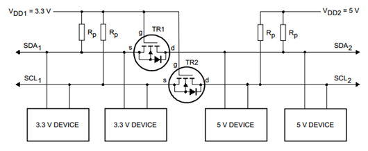
I2C双向电平转换电路,在I2C主从设备对接时,需要考虑主从设备的电平情况,常规的主要有3种:5V,3.3V,1.8V。如果电平相同,比如都是3.3V,那么可以直接对接。如果电平不同,一个高电平是3.3V ,另外一个是1.8V,那么就需要接入其它的器件来做一下电平转换,通常是接入NMOS管。
工作原理:
当总线上没有数据发送时,两边都没有主动去拉低总线,因此MOS管也不导通,都因为各自的上拉电阻存在,左边为高电平3.3V,右边为高电平5V。
当左边需要发送数据1到右边时,即SDA1/SCL1为高电平3.3V,MOS管的Vgs=0,不导通,右边因为上拉电阻的存在,SDA2/SCL2电平保持为5V。即可看作左边正常将数据1发送到右边。
当左边需要发送数据0到右边时,即SDA1/SCL1为低电平0V,Vgs=3.3V,MOS管导通,右边电压就跟左边电平一样了,SDA2/SCL2为低电平0V。即可看作左边正常将数据0发送到右边。
当右边需要发送数据1到左边时,即SDA2/SCL2为高电平5V,左边SDA1/SCL1因为没有主动拉低总线,所以MOS管不导通,左边保持上拉电平3.3V。即可看作右边将数据1正常发送到左边。
当右边需要发送数据0到左边时 ,即SDA2/SCL2为低电平0V时,因为MOS管体二极管的存在,体二极管导通,MOS管的S极被拉低,Vgs接近3.3V,MOS管导通,进一步导致左边和右边电平一样,为0V。即可看作右边正常将数据0发送到左边。
由上可知,不论I2C的主设备(Master)接在上面电路的左边(低压电源)还是右边(高压电压),都是能够正常通信的。
注意事项:
MOS管的S极要接到低电源那边,不能接反。
MOS管的导通电压需要注意。MOS管导通电压门限(Vgsth里面的最大值)需要小于低电源电压。
联系方式:邹先生
座机:0755-83888366-8022
手机:18123972950(微信同号)
QQ:2880195519
联系地址:深圳市龙华区英泰科汇广场2栋1902
搜索微信公众号:“KIA半导体”或扫码关注官方微信公众号
关注官方微信公众号:提供 MOS管 技术支持
免责声明:网站部分图文来源其它出处,如有侵权请联系删除。
