4953场效应管参数,4953参数引脚图,PmosKIA4953-KIA MOS管
信息来源:本站 日期:2024-05-20
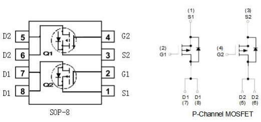
KIA4953双P沟道MOSFET是KIA先进的P沟道工艺的一个坚固的栅极版本,针对需要大范围给定驱动电压的电源管理应用进行了优化。额定值(4.5 V–20 V)。KIA4953场效应管封装形式:SOP-8。
KIA4953场效应管具有出色性能,漏源击穿电压-30V,漏极电流-5.3A,表现出优异的电气特性;当Vgs为-10V时,其RDS(on)为54mΩ,而当Vgs为-4.5V时,其RDS(on)为84mΩ,显示出在不同工作条件下的电阻特性。
4953场效应管具有低压充放电的特点,典型值为6Nc,在电路中实现更快的响应速度,还具有高功率和电流的能力,能够满足对高性能的需求,适合在各种要求严格的场合使用,以及快速切换速度,能够有效提高电路的响应速度和效率,为电路设计和应用提供了可靠的保障。
漏源电压:-30V
漏极电流:-5.3A
漏源通态电阻(RDS(on)):54mΩ
栅源电压:±20V
脉冲漏电流:-20A
总功耗:2W
总栅极电荷:6.0nC
输入电容:525PF
输出电容:130PF
开通延迟时间:7nS
关断延迟时间:14nS
上升时间:13ns
下降时间:9ns
联系方式:邹先生
联系电话:0755-83888366-8022
手机:18123972950(微信同号)
QQ:2880195519
联系地址:深圳市福田区金田路3037号金中环国际商务大厦2109
请搜微信公众号:“KIA半导体”或扫一扫下图“关注”官方微信公众号
请“关注”官方微信公众号:提供 MOS管 技术帮助
免责声明:本网站部分文章或图片来源其它出处,如有侵权,请联系删除。
