MOS管参数测试方法详细图文-KIA MOS管
信息来源:本站 日期:2022-07-12
沟槽式场效应管TrenchMOSFET是现在比较常用的金属-氧化物半导体场效应晶体管。因其具有低导通电阻、低栅漏电荷密度的特点,所以功率损耗低、开关速度快。且由于TrenchMOSFET为垂直结构器件,因此可进一步提高其沟道密度,减少芯片尺寸,使功率场效应管的SMD微型封装成为现实。
在手机电池保护电路中,常用到两个场效应管共漏极使用的MOSFET,因为在手机保护电路中,即要进行过充检测也要进行过放检测。
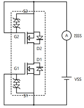
该类MOSFET内部电路结构如下图虚线内所示:
打开该类MOS的规格书我们会看到许多如下参数:
那么如何测试这些参数呢,下面请看测试手法!
注意:
下文中加粗字体为变量,需根据MOS规格书来确定实际参数。
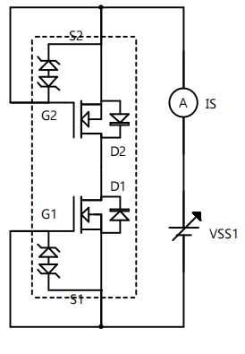
1、VSSS耐压
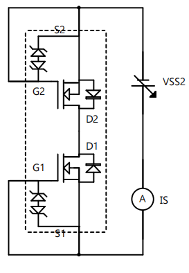
按下图连接测试电路,设置VGS=0V,VSS1从0V以0.1V步增,逐渐增加电压至IS=1mA,且MOS无损毁,记录VSS1的电压。
按下图连接测试电路,设置VGS=0V,VSS2从0V以0.1V步增,瞬间增加电压至IS=1mA,且MOS无损毁,记录VSS2的电压。
2、ISSS电流
按下图连接测试电路,设置VSS=12V,VGS=0V,记录下ISSS。
3、VGS(th)开启电压
按下图连接测试电路,设置VSS=6V,以0.1V同步增加VGS1的电压,直至ISS=1mA,记录下此时VGS1的电压,同理测试另一FET的VGS2。
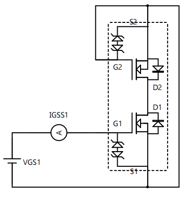
4、IGSS栅极漏电流
按下图连接测试电路,设置VSS=0V,VGS1=±8V,记录下IGSS1,同理测试另一FET的IGSS2。
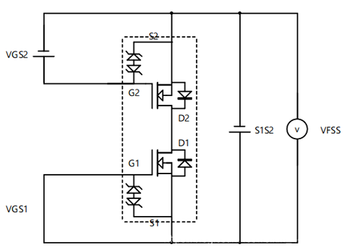
5、RSS(on)内阻
按下图连接测试电路,设置IS=6A,分别测试VGS等于4.5V、4.0V、3.8V、3.1V、2.5V时,S1与S2两端的电压VS1S2,RSS(on)=VS1S2/6A。
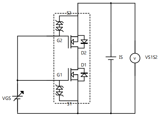
6、VFSS二极管导通电压
按下图连接测试电路,设置VGS2=4.5V,VGS1=0V,VS1S2=4.5V,IS1S2=6A,记录下测试的VFSS1。
同理,设置VGS1=4.5V,VGS2=0V,VS2S1=4.5V,IS2S1=6A,记录下测试的VFSS2。
联系方式:邹先生
联系电话:0755-83888366-8022
手机:18123972950
QQ:2880195519
联系地址:深圳市福田区车公庙天安数码城天吉大厦CD座5C1
请搜微信公众号:“KIA半导体”或扫一扫下图“关注”官方微信公众号
请“关注”官方微信公众号:提供 MOS管 技术帮助
免责声明:本网站部分文章或图片来源其它出处,如有侵权,请联系删除。
