【图文】CMOS求和比较器在PWM开关电源控制中的应用-KIA MOS管
信息来源:本站 日期:2022-04-08
开关电源是利用现代电力电子技术,控制开关管开通和关断的时间比率,维持稳定输出电压的一种电源,开关电源一般由脉冲宽度调制(PWM)控制IC和MOSFET构成。
开关电源和线性电源相比,二者的成本都随着输出功率的增加而增长,但二者增长速率各异。线性电源成本在某一输出功率点上,反而高于开关电源,这一点称为成本反转点。
随着电力电子技术的发展和创新,使得开关电源技术也在不断地创新,这一成本反转点日益向低输出电力端移动,这为开关电源提供了广阔的发展空间。
开关电源体积小、重量轻、变换效率高, 因此广泛应用于各种电子设备中。它体积小、重量轻、功率因数高,具有较高的工作效率,但结构过于复杂使它的应用受到一定的限制。下面就这个问题提出一个可行的解决方法。
开关电源的工作过程相当容易理解,在线性电源中,让功率晶体管工作在线性模式,与线性电源不同的是,PWM开关电源是让功率晶体管工作在导通和关断的状态,在这两种状态中,加在功率晶体管上的伏-安乘积是很小的(在导通时,电压低,电流大;关断时,电压高,电流小)/功率器件上的伏安乘积就是功率半导体器件上所产生的损耗。
与线性电源相比,PWM开关电源更为有效的工作过程是通过“斩波”,即把输入的直流电压斩成幅值等于输入电压幅值的脉冲电压来实现的。脉冲的占空比由开关电源的控制器来调节。
一旦输入电压被斩成交流方波,其幅值就可以通过变压器来升高或降低。通过增加变压器的二次绕组数就可以增加输出的电压组数。最后这些交流波形经过整流滤波后就得到直流输出电压。
控制器的主要目的是保持输出电压稳定,其工作过程与线性形式的控制器很类似。也就是说控制器的功能块、电压参考和误差放大器,可以设计成与线性调节器相同。他们的不同之处在于,误差放大器的输出(误差电压)在驱动功率管之前要经过一个电压/脉冲宽度转换单元。
开关电源有两种主要的工作方式:正激式变换和升压式变换。尽管它们各部分的布置差别很小,但是工作过程相差很大,在特定的应用场合下各有优点。
图1给出了电流控制的PWM降压变换器的基本组成。
图1电流控制的PWM降压变换器的基本组成
从该电路可以看出,反馈电路由两部分组成:输出电压U0经采样电路(未画出)得到反馈电压Uf反馈到误差放大器的反向端,基准电压UR加至误差放大器同向端,构成常规的电压反馈,即电压外环;由电阻RS上检测得到的电流反馈信号US和误差放大器的输出Ue分别加至PWM比较器同向端和反向端,构成了电流内环。
PWM比较器输出加至触发器的R端,时钟振荡器从S端向锁存器输出一系列恒定频率的时钟信号。当功率管导通时,随着电流的增大电流检测信号US也同时增大,直到同Ue电压相等时PWM比较器输出高电平,使锁存器输出转为低电平,功率管关断。
时钟振荡器输出的稳定时钟信号通过锁存器控制着三极管的通断。由此可以看出,由于引入了电流反馈,对输出电压有前馈调节作用,提高了系统的动态响应,由于电感电流直接跟随误差电压的变化,输出电压就可以很容易的得到控制。电流内环还使开关电源变换器易于实现并联运行,有利于实现变换器的模块设计。
电流控制PWM技术有很多优点,如电压调整率好;回路稳定性好,负载响应快;功耗小;有较好的并联能力等等,但同时它的缺点也是不能忽视的:
占空比大于50%时系统可能出现不稳定性,可能会产生次谐波振荡;在电路拓扑结构选择上也有局限,在升压型和降压-升压型电路中,由于储能电感不在输出端,存在峰值电流与平均电流的误差。
针对这种情况,当占空比大于50%时,一般是采用谐波补偿的方法来克服缺点。但在实际应用中,由于输出级的电感L和电容C的存在,当开关电源的负载发生变化时,误差放大器必须调整自己的补偿以使自己达到稳定,但实际电路中大都采用集成PWM控制器件,不可能根据负载的变化及时对误差放大器做出调整,系统的自适应能力较差。
加入求和比较器的新型电流控制模式
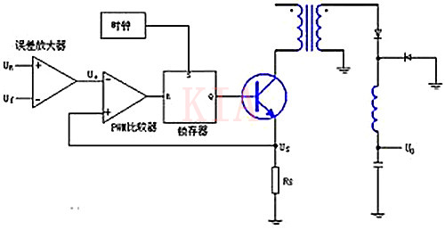
为了解决开关电源自适应能力差的缺陷,对原来的降压型变换器进行改进,得到如图2电路
图2改进的电流控制的PWM降压变换器的基本组成
与图1相比, 图2中检测电感电流的采样电阻RS的位置发生了变化,将其从三极管的射极移到了输出端,这样电阻RS两端的电压就反映了采样电流的大小。
与此同时,用一个CMOS求和比较器代替了原来的两个运算放大器,工作原理如下:U+ 、U_为谐波补偿信号,组成一组差分信号,反馈电压Uf和参考电压Uref分别加至一对正负端,为一组差分信号。
只有当U+、Uf、U1相加之和等于U_、Uref、U0之和时,求和比较器输出高电平,锁存器输出低电平,三极管断开,表明输出电压处于稳定状态;
三极管断开后,变压器的原边通过续流二极管放电,变压器副边电流减小,因为电容两端的电压不能突变,所以U0在三极管断开的瞬间不变,U1减小,和其他五个参量共同输入求和比较器,直到求和比较器输出低电平,当时钟脉冲再次来到时锁存器输出高电平,三极管再次导通。
由此可见,控制信号的产生只与反馈信号(输出电压反馈信号和电感电流大小的反馈信号) 和独立的谐波信号有关, 不再存在与开关电源滤波结构的电感和电容值相关的频率补偿问题, 既保证了系统的稳定性, 也实现了自适应控制。
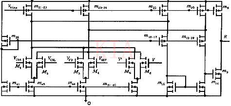
求和比较器的电路结构如图3 所示。
图3 求和比较器的电路结构
该比较器结构是折叠式的, MOS管M 1-M 6 组成3 对差分对。
实现3 组电压和的比较是通过电流和的比较而实现的, MOS管M 1, M 3 和M 5 所形成的电流和通过MOS管m 16-m 17折叠到输出缓冲电流镜的m 15的漏端, 同样M 2, M 4 和M 6 所形成的电流和通过MOS管m 18-m 19折叠到输出缓冲电流镜的m 14的漏端, 再经MOS管m 9 获得R 信号。也即脉冲宽度调制信号。
本文对利用CMOS求和比较器实现PWM电流控制方法进行了阐述,该方法简化了传统电流控制接法的电路结构,省略了误差放大器,从而提高了输出信号的速度和精度,减小了芯片的面积,降低了制作成本,有利于系统集成。理论上该方法具有输出电压稳定、高速、精确的优点,经模拟和实验后应可用于各种高效的电流PWM控制电路。
联系方式:邹先生
联系电话:0755-83888366-8022
手机:18123972950
QQ:2880195519
联系地址:深圳市福田区车公庙天安数码城天吉大厦CD座5C1
请搜微信公众号:“KIA半导体”或扫一扫下图“关注”官方微信公众号
请“关注”官方微信公众号:提供 MOS管 技术帮助
免责声明:本网站部分文章或图片来源其它出处,如有侵权,请联系删除。
