实亿国际MOS管在车载逆变电源中的应用方案-KIA MOS管
实亿国际信息来源:本站 日期:2021-09-29
随着社会生活水平的提高,我们对汽车的要求已经从简单的代步工具转化为了集娱乐、生活、办公等多功能的移动场所。如需完成以上生活、工作、娱乐任务,笔记本电脑等电子设备一定是不可或缺的。
电子移动设备一般采用220V/50Hz的工频正弦交流电,车上12V/24V的直流电蓄电池是无法直接为我们的移动电子设备供电的,所以出现了车载电源转换器,即逆变电源。
相较于市场较多的修正弦波逆变器,纯正弦波逆变器弥补了修正弦波逆变器连续性不好的缺点,具有安全性强,电源转化率高,控制方法简单的特点。
2020年Sun Jun Min设计了一款功率为500W,输入电压为直流20V,输出电压为交流220V/50Hz的逆变电源。经实验样机测试,其效率约为88%,具有噪声小、安全可靠等特点。
逆变电路总体结构设计框图
主要参数
DC-DC升压电路+控制电路(推挽式):
蓄电池:VARTA 6-QW-6(580)-L
MOS管:VD>30V
整流二极管:DSEI30
主控芯片:TL494
DC-AC逆变电路+控制电路(全桥式):
MOS管:VD=600V,ID=10A
滤波电容:2.25μf/2.4mH
主控芯片:TDS2285
20M无源晶振
整流器1N4007
磁芯:EE55
光耦:TLP250
DC-DC升压主电路图
DC-DC高频升压部分采用推挽式拓扑结构。在DC-DC升压电路中,选用MOSFET作为开关器件,场效应管所需承受的最大电压约为30V,选型时MOS管的最大耐受电压应留有余量。
DC-DC PWM驱动电路
DC-DC升压控制电路采用PWM脉冲宽度调制技术,选用TL494做为主控芯片,其内部包含全部的脉冲宽度调制控制电路,是个集成了开关电源控制所需全部模块的芯片。
DC-AC逆变电路原理图
DC-AC逆变电路的主回路采用的是全桥式结构,和开关管并联的二极管起到保护作用。
DC-AC SPWM驱动电路
逆变部分的控制电路采用TDS2285作为主控芯片,并采用了光耦芯片TLP250,增加了硬件电路的可靠性。
为了保证电源的可靠性,其保护电路由输入防反接保护电路、输入过压保护电路和欠压保护电路组成。
输入反接保护电路
输入欠压保护
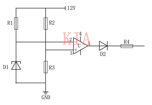
输入过压保护

实亿国际是一家专业从事中、大、功率场效应管(MOSFET)、快速恢复二极管、三端稳压管开发设计,集研发、生产和销售为一体的国家高新技术企业。
KIA半导体的产品涵盖工业、新能源、交通运输、绿色照明四大领域,不仅包括光伏逆变及无人机、充电桩、这类新兴能源,也涉及汽车配件、LED照明等家庭用品。
KIA专注于产品的精细化与革新,力求为客户提供最具行业领先、品质上乘的科技产品。
联系方式:邹先生
联系电话:0755-83888366-8022
手机:18123972950
QQ:2880195519
联系地址:深圳市福田区车公庙天安数码城天吉大厦CD座5C1
请搜微信公众号:“KIA半导体”或扫一扫下图“关注”官方微信公众号
请“关注”官方微信公众号:提供 MOS管 技术帮助
