射极跟随器的原理及电路图分析、汇总-KIA MOS管
实亿国际信息来源:本站 日期:2021-07-27
射极跟随器指的是:信号从基极输入,从发射极输出的放大器。
其特点为输入阻抗高,输出阻抗低,因而从信号源索取的电流小而且带负载能力强,所以常用于多级放大电路的输入级和输出级;也可用它连接两电路,减少电路间直接相连所带来的影响,起缓冲作用。
电压放大系数略低于1,负载能力强,输入信号与输出信号相位相同。也可认为是一种电流放大器。常作阻抗变换和级间隔离用。
共集接法的电路见下图,它从基极输入信号,从射极输出信号。它具有高输入阻抗、低输出阻抗、输入信号与输出信号相位相同的特点。
射极跟随器以很小的输人电流却可以得到很大的输出电流(ie=(1+β)ib)。
因此具有电流放大及功率放大作用。需要区别的是普通的多级共射级放大电路,是不放大电流放大电压,这点跟射随是相反的。
在电视电路中,中放解出TV的视频图像后用射极电路来输出,保证输出图像的变化随输入而改变,需主意的是一般幅度要达到1.2V左右,需通过调节RB和RE的比例调节输出交流波形的幅度。
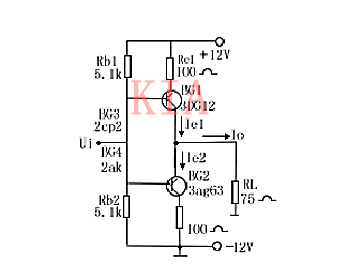
下图是高频放大器使用的一种电路,由同轴电缆把信号输出,电缆的特性阻抗一般为50欧或70欧,所以要通过跟随器BG2实现阻抗变换。
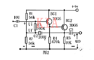
图2是一种自举式的跟随器,它的特点是:
1、自举
由于R3的下端电位随上端电位升曾而升高,故称为自兴举,自举作用使R3两端的交流压降为零。所以对交流来说,R3相当于开路,从而避免了偏置电路降低了输入阻抗的缺陷。
2、输入阻抗高
为了尽量地提高晶体管有效的输入阻抗,采用BG1和BG2组成复合管电路,这时β=β1β2,使总的输入阻抗大大提高。因为输入阻抗Ri=Rbe+(1+β)Reo 本电路的输入阻抗为2兆欧,
图3是串接式的跟随器,其特点是:
(1)类似图2一样,R4两端交流电压具有自举作用;
(2)BG2采用共基接法,使Ic2具有恒流作用,A、B两点交流阻抗RAB大大也提高,从而提高了跟随器的输入阻抗。
图4是互补式的跟随器,电路的特点是:
(1)由于两只三极管轮流供给负载电流,所以每只管的功耗只为输出功率的(12-20)%左右,效率较高;
(2)两只三极管都从射极输出,其输出阻抗基本上一样,所以输出波形正、负半波对称;
(3)由于输入信号通过BG3或BG4耦合至三极管的基极,所以,对交、直流信号都可跟随。其跟随范围约为±5伏。
联系方式:邹先生
联系电话:0755-83888366-8022
手机:18123972950
QQ:2880195519
联系地址:深圳市福田区车公庙天安数码城天吉大厦CD座5C1
请搜微信公众号:“KIA半导体”或扫一扫下图“关注”官方微信公众号
请“关注”官方微信公众号:提供 MOS管 技术帮助

